Каталог запасных частей к технике: Нефтекамский автозавод 52999 (надстройка). Сиденья
2
3
4
5
6
7
8
9
10
11
12
14
14
15
15
16
17
17
19
20
21
22
23
23
24
25
26
27
28
29
32
36
37
38
39
40
41
42
42
45
46
47
47
48
48
49
49
50
51
52
53
54
55
56
57
58
59
60
61
62
63
64
65
65
67
68
69
70
72
73
74
76
78
78
79
79
80
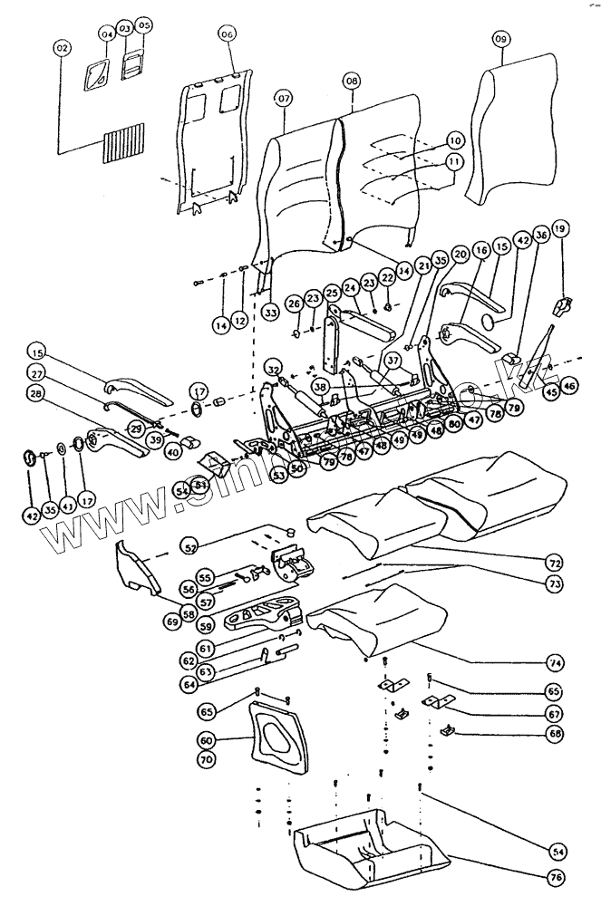
| Позиция на иллюстрации | Заводской номер детали | Название детали | |
|---|---|---|---|
| 2 | 24033820100 | Карман для журналов | |
| 3 | 24033820200 | Установочная плита для пепельницы | |
| 4 | 24033820400 | Поручень | |
| 5 | 24033820300 | Пепельница | |
| 6 | 24033820500 | Корпус спинки сиденья | |
| 7 | 24033820600 | Спинка сиденья правая | |
| 8 | 24033820700 | Спинка сиденья левая | |
| 9 | 24033820800 | Крышка спинки сиденья | |
| 10 | 24033820900 | Тяга крепления | |
| 11 | 24033821000 | Тяга крепления | |
| 12 | 24033821100 | Шарнирная ось | |
| 14 | 24033821200 | Втулка крепления спинки сиденья | |
| 15 | 24033821300 | Крышка подлокотника сиденья | |
| 16 | 24033821400 | Каркас подлокотника | |
| 17 | 24033821500 | Эластичная фиксация | |
| 19 | 24033821600 | Кнопка регулировки спинки сиденья | |
| 20 | 24033821700 | Закрепленный каркас сиденья | |
| 21 | 24033821800 | Газовый упор | |
| 22 | 24033821900 | Опора винта с внутренней резьбой | |
| 23 | 24033822000 | Шайба | |
| 24 | 24033822100 | Опора крышки среднего подлокотника | |
| 25 | 24033822200 | Опора среднего подлокотника | |
| 26 | 24033822300 | Опора винта с внешней резьбой | |
| 27 | 24033822400 | Ось подлокотника | |
| 28 | 24033822500 | Каркас подлокотника | |
| 29 | 24033822600 | Упор подлокотника | |
| 30 | 24033822700 | Ось подлокотника | |
| 32 | 24033822800 | Блок крепления газового упора | |
| 36 | 24033822900 | Стопорная крышка подлокотника | |
| 37 | 24033823000 | Рукоятка поршня | |
| 38 | 24033823100 | Ось газового упора | |
| 39 | 24033823200 | Пружина подлокотника | |
| 40 | 24033823300 | Рукоятка подлокотника | |
| 41 | 24033823400 | Шайба | |
| 42 | 24033823500 | Крышка | |
| 45 | 24033823600 | Рычаг управления левый | |
| 46 | 24033823700 | Рычаг управления правый | |
| 47 | 24033823800 | Кронштейн газового упора | |
| 48 | 24033823900 | Пружина рычага управления | |
| 49 | 24033824000 | Ось газовой стойки | |
| 50 | 24033824100 | Регулировочный механизм левый | |
| 51 | 24033824300 | Рычаг регулировки спинки сиденья левый | |
| 52 | 24033824500 | Фиксатор упора для ног | |
| 53 | 24033824200 | Регулировочный механизм правый | |
| 54 | 24033824400 | Рычаг правый | |
| 55 | 24033824600 | Зажимная пружина | |
| 56 | 24033824700 | Фиксирующая пружина | |
| 57 | 24033824800 | Ось упора для ног | |
| 58 | 24033824900 | Боковая крышка левая | |
| 59 | 24033825100 | Держатель упора для ног | |
| 60 | 24033825200 | Ножка сиденья левая | |
| 61 | 24033825400 | Упор для ног | |
| 62 | 24033825500 | Зажим для шайбы | |
| 63 | 24033825600 | Пружина упора для ног | |
| 64 | 24033825700 | Ось упора для ног | |
| 65 | 24033825800 | Крепежный винт | |
| 67 | 24033825900 | Стенной кронштейн | |
| 68 | 24033826000 | Крепежная скоба | |
| 69 | 24033825000 | Боковая крышка правая | |
| 70 | 24033825300 | Ножка сиденья правая | |
| 72 | 24033826100 | Крышка сиденья | |
| 73 | 24033826200 | Крепежный шток | |
| 74 | 24033826300 | Сиденье | |
| 76 | 24033826400 | Нижний каркас сиденья | |
| 78 | 24033826500 | Направляющий механизм оси | |
| 79 | 24033826600 | Компенсационная шайба | |
| 80 | 24033826700 | Гайка |
Содержащиеся в справочниках-каталогах запасные части и детали не предлагаются к продаже, а носят исключительно информационный характер