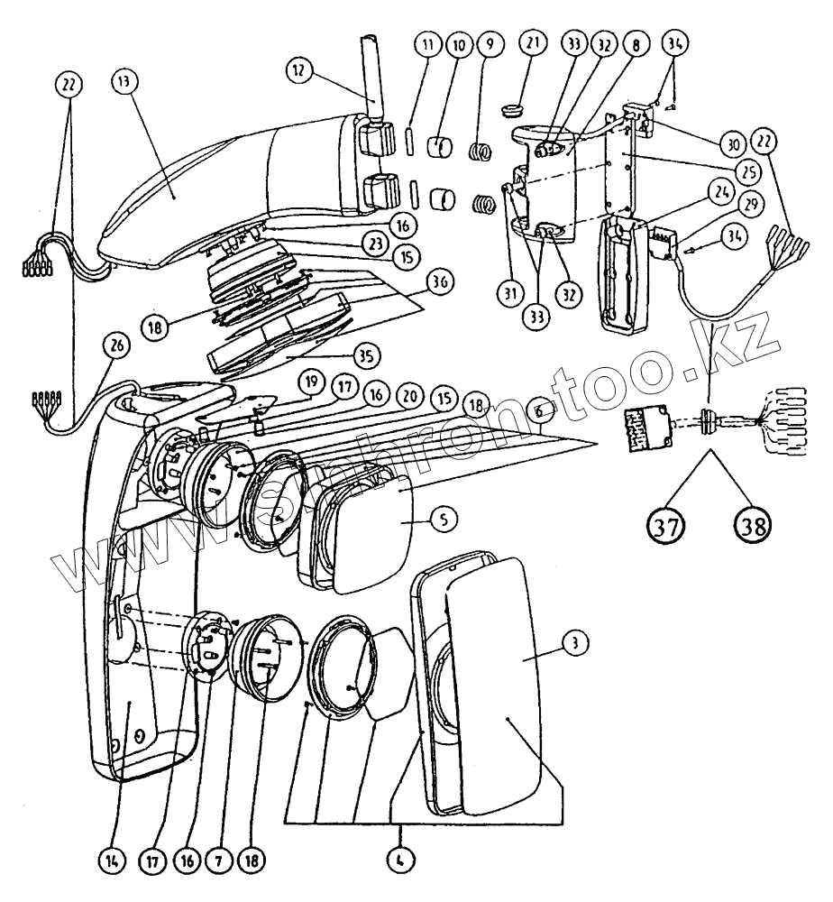
Каталог запасных частей к технике: Нефтекамский автозавод 52999 (надстройка). 24013335000 Зеркало с левой стороны
3
4
5
6
7
8
9
10
11
12
13
14
15
15
16
16
16
17
17
18
18
18
19
20
21
22
22
23
24
25
26
29
30
31
32
32
33
33
34
34
35
36
37
38
| Позиция на иллюстрации | Заводской номер детали | Название детали | |
|---|---|---|---|
| 3 | 24013250100 | Зеркальное стекло | |
| 4 | 24013250200 | Зеркальное стекло+ штатив | |
| 5 | 24013250300 | Зеркальное стекло широкого ракурса | |
| 6 | 24013250400 | Зеркальное стекло широкого ракурса+ штатив | |
| 7 | 24013250600 | Двигатель | |
| 8 | 24013335200 | Кронштейн | |
| 9 | 24013250800 | Пружина | |
| 10 | 24013330100 | Пистон | |
| 11 | 24013251000 | Вал | |
| 12 | 24013251100 | Вал | |
| 13 | 24013335300 | Левый рычаг зеркала | |
| 14 | 24013251300 | Футляр | |
| 15 | 24013251400 | Ручное регулирование | |
| 16 | 24013330500 | Болт М4х8 | |
| 17 | 24013251600 | Кронштейн | |
| 18 | 24013330600 | Болт М4х25 | |
| 19 | 24013251800 | Прижимная планка | |
| 20 | 24013251900 | Промежуточная муфта | |
| 21 | 24013252000 | Резиновая втулка | |
| 22 | 24013330400 | Соединительное звено | |
| 23 | 24013280300 | Кронштейн | |
| 24 | 24013330700 | Соединительная плата | |
| 25 | 24013330800 | Установочный клин | |
| 26 | 24013280800 | Кабель Зеркала | |
| 27 | 24013330200 | Кронштейн | |
| 28 | 24013330300 | Правый рычаг зеркала | |
| 29 | 24013330900 | Штыревая контакт- деталь | |
| 30 | 24013331000 | Гнездовая контакт- деталь | |
| 31 | 24013331100 | Болт М8х50 | |
| 32 | 24013331200 | Болт М8х20 | |
| 33 | 24013331300 | Шайба | |
| 34 | 24013331400 | Болт М14х16 | |
| 35 | 24013332100 | Зеркальное стекло R 240 | |
| 36 | 24013332000 | Зеркальное стекло R 240+штатив | |
| 37 | 24013331600 | Электропроводка | |
| 38 | 24013321000 | Электропроводка |
Содержащиеся в справочниках-каталогах запасные части и детали не предлагаются к продаже, а носят исключительно информационный характер