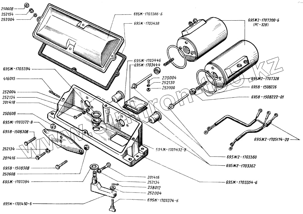
Каталог запасных частей к технике: ЛЗГМП ГМП 22.17. Переключатель периферийных золотников
252004
695Ж-1703372-В
695Ж-1703430-Б
695Ж2-1703362
695Ж2-1703360
695Ж-1703394
695Ж-1703394
252000
252130
695Ж2-1705174-20
252004
252004
252154
252134
252134
252134
416015
258012
695Ж2-1707200-Б
РС-328
695Ж-1703354-Б
201418
220004
695В-1508308
695В-1508308
695В-1508222-01
695Ж-1703432-Б
250608
250608
250608
695Ж-1707328
201416
201416
695Ж-1703366-Б
695Ж-1703444
695Ж-1703374-Б
695Ж-1703438
695Ж-1703446
695В-1508226
| Позиция на иллюстрации | Заводской номер детали | Название детали | |
|---|---|---|---|
| 252004 | 252004 | Шайба 6 | |
| 695Ж-1703370 | 695Ж-1703370 | Рычаг переключателя периферийных золотников | |
| 695Ж-1703372-В | 695Ж-1703372-В | Рычаг переключателя периферийных золотников | |
| 695Ж-1703430-Б | 695Ж-1703430-Б | Рычаг привода вилки | |
| 695Ж2-1703362 | 695Ж2-1703362 | Стакан | |
| 695Ж2-1703360 | 695Ж2-1703360 | Толкатель магнита | |
| 695Ж-1703394 | 695Ж-1703394 | Шайба | |
| 252000 | 252000 | Шайба 3 | |
| 252130 | 252130 | Шайба 3Т | |
| 695Ж2-1705174-20 | 695Ж2-1705174-20 | Пучок проводов | |
| 252004 | 252004 | Шайба 6 | |
| 252004 | 252004 | Шайба 6 | |
| 252154 | 252154 | Шайба 6Л | |
| 252134 | 252134 | Шайба 6 | |
| 416015 | 416015 | Шпилька М6х12,5 | |
| 258012 | 258012 | Шплинт 2х12 | |
| 695Ж2-1707200-Б | 695Ж2-1707200-Б | Электромагнит РС-328 | |
| РС-328 | РС-328 | Электромагнит | |
| 695Ж-1703354-Б | 695Ж-1703354-Б | Корпус переключателя периферийных золотников | |
| 201418 | 201418 | Болт М6-6gх16 | |
| 220004 | 220004 | Винт М3-6gх10 | |
| 695В-1508308 | 695В-1508308 | Винт регулировочный | |
| 695В-1508222-01 | 695В-1508222-01 | Втулка опорная | |
| 695Ж-1703432-Б | 695Ж-1703432-Б | Втулка рычага кривошипа | |
| 250608 | 250608 | Гайка М6-6Н | |
| 250608 | 250608 | Гайка М6-6Н | |
| 695Ж-1707328 | 695Ж-1707328 | Кольцо | |
| 201416 | 201416 | Болт М6-6gх12 | |
| 695Ж-1703366-Б | 695Ж-1703366-Б | Крышка | |
| 695Ж-1703444 | 695Ж-1703444 | Крышка | |
| 695Ж-1703352-Б | 695Ж-1703352-Б | Переключатель периферийных золотников | |
| 695Ж2-1703350-Б | 695Ж2-1703350-Б | Переключатель периферийных золотников | |
| 695Ж-1703374-Б | 695Ж-1703374-Б | Поводок рычага | |
| 695Ж-1703438 | 695Ж-1703438 | Прокладка | |
| 695Ж-1703446 | 695Ж-1703446 | Прокладка | |
| 695В-1508226 | 695В-1508226 | Пружина |
Содержащиеся в справочниках-каталогах запасные части и детали не предлагаются к продаже, а носят исключительно информационный характер