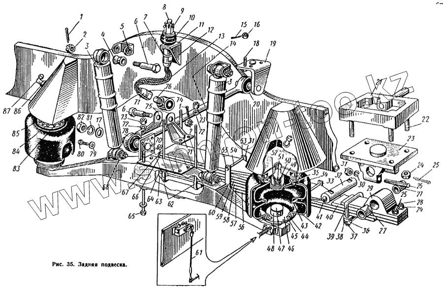
Каталог запасных частей к технике: ЛиАЗ 677. Задняя подвеска
1
1
2
2
6
6
7
8
9
10
11
12
13
23
27
27
29
31
31
33
34
35
36
37
38
39
40
41
42
43
44
45
46
47
48
49
50
51
52
53
54
55
56
57
58
59
60
61
62
63
64
65
66
67
71
72
72
73
73
73
74
75
76
77
83
84
85
86
87
| Позиция на иллюстрации | Заводской номер детали | Название детали | |
|---|---|---|---|
| 677-2912064 | 677-2912064 | Хомут рессоры средний | |
| 677-2934060-А | 677-2934060-А | Пластина кронштейна пневморессоры задней подвески усилительная | |
| 677-2934038 | 677-2934038 | Плита пневморессоры опорная нижняя в сборе | |
| 677-2912012 | 677-2912012 | Рессора передняя в сборе | |
| 677-2934124 | 677-2934124 | Стержень ограничителя хода отдачи задней подвески в сборе | |
| 677-2934144 | 677-2934144 | Трос ограничителя хода отдачи задней подвески в сборе | |
| 677-2934064 | 677-2934064 | Трубка кронштейна пневморессоры | |
| 677-2934224 | 677-2934224 | Угольник кронштейна пневморессоры задней подвески | |
| 677-2934096 | 677-2934096 | Фиксатор | |
| 677-2934109 | 677-2934109 | Трубка троса буфера хода отдачи защитная | |
| 122-2902627 | 122-2902627 | Шайба буфера в сборе | |
| 677-2934104 | 677-2934104 | Шайба буфера хода отдачи | |
| 677-2934129 | 677-2934129 | Шайба стержня ограничителя хода отдачи задней подвески | |
| 677-2934058-А | 677-2934058-А | Щека кронштейна пневморессоры задней подвески верхняя | |
| 677-2934057-А | 677-2934057-А | Щека кронштейна пневморессоры задней подвески внешняя | |
| 677-2934056-А | 677-2934056-А | Щека кронштейна пневморессоры задней подвески внутренняя | |
| 677-2934059-А | 677-2934059-А | Щека кронштейна пневморессоры задней подвески нижняя | |
| 200278-П8 | 200278-П8 | Болт крепления фланца | |
| 677-2934138 | 677-2934138 | Гайка ограничителя хода отдачи задней подвески опорная в сборе | |
| 677-2934132 | 677-2934132 | Втулка кронштейна ограничителя хода отдачи задней подвески | |
| 250640-П | 250640-П | Гайка | |
| 677-2934221 | 677-2934221 | Пластина кронштейна пневморессоры задней подвески нижняя | |
| 677-2934142 | 677-2934142 | Гайка стержня ограничителя, хода отдачи задней подвески упорная | |
| 677-2934148 | 677-2934148 | Головка ограничителя хода отдачи задней подвески в сборе | |
| 256838-П | 256838-П | Заклепка хомута | |
| 677-2934022 | 677-2934022 | Кольцо пневматического баллона | |
| 677-2934090 | 677-2934090 | Кронштейн буфера хода отдачи задней подвески верхний в сборе | |
| 677-2912125 | 677-2912125 | Кронштейн крепления рессоры нижний в сборе | |
| 677-2934051-А | 677-2934051-А | Кронштейн пневморессоры задней подвески нижний левый всборе | |
| 677-2934063 | 677-2934063 | Пластина кронштейна пневморессоры задней подвески | |
| 677-2934062-А | 677-2934062-А | Пластина кронштейна пневморессоры задней подвески | |
| 677-2912132 | 677-2912132 | Опора крепления рессоры к основанию с осью в сборе | |
| 677-2924627 | 677-2924627 | Опора буфера пневморессоры | |
| 677-2934050-А | 677-2934050-А | Кронштейн пневморессоры задней подвески нижний правый всборе | |
| 677-2934134 | 677-2934134 | Кронштейн ограничителя хода отдачи задней подвески нижний в сборе | |
| 677-2934126 | 677-2934126 | Ограничитель хода отдачи задней подвески в сборе | |
| 1 | 258056-П | Шплинт | |
| 2 | 251015-П8 | Гайка пальца | |
| 6 | 677-2915419 | Палец головки амортизатора задней подвески | |
| 7 | 252143-П2 | Шайба 24 | |
| 8 | 677-2934128 | Стержень ограничителя хода отдачи задней подвески | |
| 9 | 250707-П8 | Гайка | |
| 10 | 677-2934102 | Буфер хода отдачи передней подвески | |
| 11 | 677-2934093 | Пластина кронштейна буфера хода отдачи | |
| 12 | 677-2934091 | Кронштейн буфера хода отдачи задней подвески верхний | |
| 13 | 677-2934145 | Трос ограничителя хода отдачи задней подвески | |
| 23 | 677-2912133 | Опора крепления рессоры к основанию | |
| 27 | 677-2912028 | Втулка кронштейна рессоры | |
| 29 | 677-2912126 | Кронштейн крепления рессоры нижний | |
| 31 | 250512-П8 | Гайка М10х1,5 | |
| 33 | 677-2912063 | Хомут рессоры малый | |
| 34 | 122-2902624 | Буфер задней пневморессоры | |
| 35 | 122-2902625 | Шайба буфера | |
| 36 | 677-2912135 | Пластина гаек стремянок рессоры стопорная | |
| 37 | 250561-П8 | Гайка М16х1,5 | |
| 38 | 677-2912128 | Накладка малой стремянки рессоры | |
| 39 | 677-2912127 | Стремянка рессоры малая | |
| 40 | 677-2912022 | Накладка коренного листа рессоры | |
| 41 | 304817-П | Масленка К3/8" | |
| 42 | 677-2934011 | Рессора передней подвески пневматическая | |
| 43 | 677-2934022 | Кольцо пневматического баллона | |
| 44 | 677-2934024 | Прокладка пневморессоры уплотнительная | |
| 45 | 677-2934018 | Фланец пневматического баллона | |
| 46 | 677-2924027 | Плита пневморессоры опорная нижняя | |
| 47 | 677-2934049 | Плита ограничителя хода сжатия | |
| 48 | 677-2934048 | Труба ограничителя хода сжатия | |
| 49 | 252137-П2 | Шайба 12 пружинная | |
| 50 | 250514-П8 | Гайка М12х1,75 | |
| 51 | 210237-П8 | Болт крепления буфера | |
| 52 | 677-2934629 | Кронштейн буфера пневморессоры | |
| 53 | 677-2912065 | Хомут рессоры большой | |
| 54 | 677-2912068 | Втулка хомута рессоры распорная | |
| 55 | 410019-П8 | Болт распорной втулки хомута | |
| 56 | 677-2912107 | Лист № 7 рессоры | |
| 57 | 677-2912106 | Лист № 6 рессоры | |
| 58 | 677-2912105 | Лист № 5 рессоры | |
| 59 | 677-2912104 | Лист № 4 рессоры | |
| 60 | 677-2912103 | Лист № 3 рессоры | |
| 61 | 677-2935010 | Регулятор положения кузова задней подвески правый в сборе | |
| 62 | 677-2912408 | Стремянка задней рессоры | |
| 63 | 677-2912412-Б | Накладка стремянок рессоры | |
| 64 | 677-2912108 | Лист № 8 рессоры | |
| 65 | 677-2934236 | Болт кронштейна пневморессоры задней подвески | |
| 66 | 677-2912102 | Лист № 2 рессоры | |
| 67 | 677-2912101 | Лист № 1 рессоры | |
| 71 | 677-2934136 | Ребро усилительное | |
| 72 | 252141-П2 | Шайба 20 | |
| 73 | 250707-П8 | Гайка | |
| 73 | 250707-П8 | Гайка | |
| 74 | 677-2934130 | Головка стержня хода отдачи задней подвески | |
| 75 | 677-2934135 | Кронштейн ограничителя хода отдачи задней подвески нижний | |
| 76 | 677-2934149 | Палец ограничителя хода отдачи задней подвески резьбовой | |
| 77 | 677-2934146 | Втулка ограничителя хода отдачи задней подвески конусная | |
| 83 | 252135-П2 | Шайба 8 пружинная | |
| 84 | 201456-П8 | Болт М8х20 | |
| 85 | 677-2934029 | Опора пневморессоры верхняя | |
| 86 | 130-3513023 | Бобышка воздушного баллона | |
| 87 | 421041-П | Угольник ввертный |
Содержащиеся в справочниках-каталогах запасные части и детали не предлагаются к продаже, а носят исключительно информационный характер