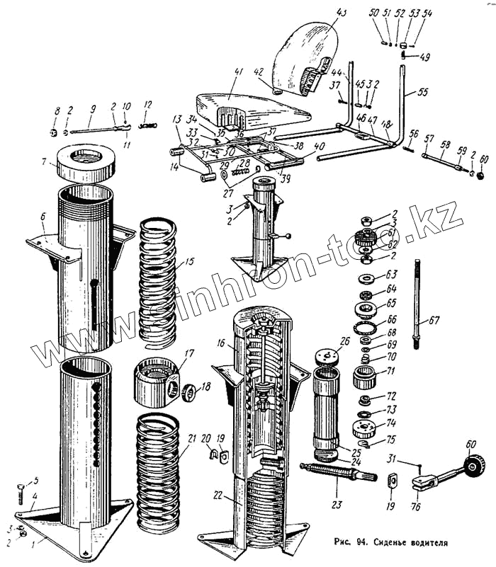
Каталог запасных частей к технике: ЛиАЗ 677. Сиденье водителя
1
2
2
2
2
2
2
2
2
3
3
3
3
4
5
6
7
8
9
10
11
12
13
14
15
16
17
18
19
19
20
21
22
23
24
25
26
27
28
29
30
31
31
32
33
34
35
36
37
37
37
38
39
40
41
42
43
44
45
46
47
48
49
50
51
52
53
54
55
56
57
58
59
60
60
61
62
63
64
65
66
67
68
69
70
71
72
73
74
75
76
| Позиция на иллюстрации | Заводской номер детали | Название детали | |
|---|---|---|---|
| 677-6807084 | 677-6807084 | Амортизатор подставы сиденья водителя гидравлический в сборе | |
| 677-6801027 | 677-6801027 | Боковина подвижной части каркаса сиденья водителя нижняя левая | |
| 677-6801023 | 677-6801023 | Боковина подвижной части каркаса сиденья водителя нижняя левая в сборе | |
| 677-6801026 | 677-6801026 | Боковина подвижной части каркаса сиденья водителя нижняя правая | |
| 677-6801024 | 677-6801024 | Боковина подвижной части каркаса сиденья водителя нижняя правая в сборе | |
| 677-6801022 | 677-6801022 | Боковина подвижной части каркаса сиденья водителя нижняя правая со втулкой в сборе | |
| 220050-П8 | 220050-П8 | Винт М4х8 | |
| 230054-П8 | 230054-П8 | Винт | |
| 677-6807096 | 677-6807096 | Вкладыш гидравлического амортизатора подставы сиденья водителя | |
| 677-6801096 | 677-6801096 | Вкладыш сиденья водителя | |
| 261853-П8 | 261853-П8 | Гвоздь крепления обивки | |
| 261853-П8 | 261853-П8 | Гвоздь крепления обивки | |
| 677-6801144 | 677-6801144 | Дуга уголка каркаса виденья водителя | |
| 677-6807087 | 677-6807087 | Корпус гидравлического амортизатора подставы сиденья водителя | |
| 677-6807114 | 677-6807114 | Корпус подставы сиденья водителя верхний | |
| 677-6807017 | 677-6807017 | Корпус подставы сиденья водителя нижний | |
| 677-6801112 | 677-6801112 | Корпус фиксатора наклона лодушки сиденья водителя в сборе | |
| 677-6803282 | 677-6803282 | Обивка боковая правая | |
| 677-6803283 | 677-6803283 | Обивка подушки сиденья водителя боковая левая | |
| 677-6803265 | 677-6803265 | Обивка подушки сиденья водителя в сборе | |
| 677-6805295 | 677-6805295 | Обивка спинки сиденья водителя боковая левая | |
| 677-6805294 | 677-6805294 | Обивка спинки сиденья водителя боковая правая | |
| 677-6805256 | 677-6805256 | Обивка спинки сиденья водителя в сборе | |
| 677-6805254 | 677-6805254 | Обивка спинки сиденья водителя верхняя | |
| 677-6805253 | 677-6805253 | Обивка спинки сиденья водителя задняя | |
| 677-6805261 | 677-6805261 | Обивка спинки сиденья водителя левая | |
| 677-6805259 | 677-6805259 | Обивка спинки сиденья водителя передняя средняя | |
| 677-6805260 | 677-6805260 | Обивка спинки сиденья водителя правая | |
| 677-6801143 | 677-6801143 | Основание левого уголка каркаса сиденья водителя | |
| 677-6801142 | 677-6801142 | Основание правого уголка каркаса сиденья водителя | |
| 677-6805081 | 677-6805081 | Пластина фиксатора наклона спинки сиденья водителя | |
| 677-6807100 | 677-6807100 | Поршень гидравлического амортизатора подставы сиденья водителя в сборе | |
| 677-6801084 | 677-6801084 | Прокладка сиденья водителя | |
| 677-6803312 | 677-6803312 | Прошва обивки подушки сиденья водителя | |
| 677-6805285 | 677-6805285 | Прошва спинки сиденья водителя | |
| 677-6801146 | 677-6801146 | Рама каркаса сиденья водителя в сборе | |
| 677-6801019 | 677-6801019 | Распорка подвижной части каркаса сиденья водителя | |
| 677-6807046 | 677-6807046 | Ручка фиксатора подставы сиденья водителя в сборе | |
| 677-6800010 | 677-6800010 | Сиденье водителя в сборе | |
| 677-6807049 | 677-6807049 | Стержень ручки фиксатора подставы сиденья водителя | |
| 677-6805084 | 677-6805084 | Стержень фиксатора наклона спинки сиденья водителя | |
| 677-6801126 | 677-6801126 | Толкатель фиксатора наклона подушки сиденья водителя в сборе | |
| 677-6801167 | 677-6801167 | Труба неподвижной части каркаса сиденья водителя продольная левая | |
| 677-6801141 | 677-6801141 | Уголок каркаса сиденья водителя левый в сборе | |
| 677-6801140 | 677-6801140 | Уголок каркаса сиденья водителя правый в сборе | |
| 677-6801052 | 677-6801052 | Упор нижней правой боковины подвижной части каркаса сиденья водителя | |
| 677-6805283 | 677-6805283 | Упор спинки сиденья водителя левый | |
| 677-6805282 | 677-6805282 | Упор спинки сиденья водителя правый | |
| 677-6801136 | 677-6801136 | Упор фиксатора наклона подушки сиденья водителя | |
| 677-6801110 | 677-6801110 | Фиксатор наклона подушки сиденья водителя в сборе | |
| 677-6801030 | 677-6801030 | Фиксатор подвижной части каркаса сиденья водителя в сборе | |
| 677-6807040 | 677-6807040 | Фиксатор подставы сиденья водителя в сборе | |
| 252002-П8 | 252002-П8 | Шайба 4 | |
| 252132-П2 | 252132-П2 | Шайба 4 | |
| 252132-П2 | 252132-П2 | Шайба 4 | |
| 1 | 677-6807022 | Кронштейн нижнего корпуса подставы сиденья водителя | |
| 2 | 250510-П8 | Гайка М8х1 | |
| 2 | 250510-П8 | Гайка М8х1 | |
| 2 | 250510-П8 | Гайка М8х1 | |
| 2 | 250510-П8 | Гайка М8х1 | |
| 2 | 250510-П8 | Гайка М8х1 | |
| 2 | 250510-П8 | Гайка М8х1 | |
| 2 | 250510-П8 | Гайка М8х1 | |
| 2 | 250510-П8 | Гайка М8х1 | |
| 3 | 252135-П2 | Шайба 8 пружинная | |
| 3 | 252135-П2 | Шайба 8 пружинная | |
| 3 | 252135-П2 | Шайба 8 пружинная | |
| 4 | 677-6807020 | Основание нижнего корпуса подставы сиденья водителя | |
| 5 | 201464-П8 | Болт М10х40 | |
| 6 | 677-6807116 | Кронштейн верхнего корпуса подставы сиденья водителя | |
| 7 | 677-6807160 | Крышка подставы сиденья водителя | |
| 8 | 677-6801046 | Кнопка фиксатора подвижной части каркаса сиденья водителя | |
| 9 | 677-6801033 | Стержень фиксатора подвижной части каркаса сиденья водителя | |
| 10 | 426009 | Шарик для фиксации подвижной части каркаса сиденья водителя | |
| 11 | 677-6801038 | Головка фиксатора подвижной части каркаса сиденья водителя | |
| 12 | 677-6801035 | Пружина фиксатора подвижной части каркаса сиденья водителя | |
| 13 | 677-6801149 | Поперечная часть рамы каркаса сиденья водителя | |
| 14 | 677-6801152 | Втулка рамы каркаса сиденья водителя | |
| 15 | 677-6807162 | Пружина амортизатора подставы сиденья водителя | |
| 16 | 677-6807110 | Корпус подставы сиденья водителя верхний в сборе | |
| 17 | 677-6807035 | Ползун подставы сиденья водителя | |
| 18 | 677-6807055 | Гайка фиксатора подставы сиденья водителя регулировочная | |
| 19 | 677-6807044 | Втулка фиксатора подставы сиденья водителя | |
| 20 | 677-6807072 | Шайба подставы сиденья водителя замковая | |
| 21 | 677-6807163 | Пружина подставы сиденья водителя регулировочная | |
| 22 | 677-6807016 | Корпус подставы сиденья водителя нижний в сборе | |
| 23 | 677-6807041-Б | Фиксатор подставы сиденья водителя | |
| 24 | 677-6807091 | Донышко корпуса гидравлического амортизатора подставы сиденья водителя | |
| 25 | 677-6807086 | Корпус гидравлического амортизатора подставы сиденья водителя в сборе | |
| 26 | 677-6807090 | Крышка гидравлического амортизатора подставы сиденья водителя | |
| 27 | 677-6801088 | Чашка каркаса сиденья водителя | |
| 28 | 677-6801068 | Пружина каркаса сиденья водителя | |
| 29 | 677-6801148 | Продольная часть рамы каркаса сиденья водителя | |
| 30 | 252134-П2 | Шайба 6 | |
| 31 | 201419-П8 | Болт М6х18 | |
| 31 | 201419-П8 | Болт М6х18 | |
| 32 | 677-6803037 | Скоба крепления подушки сиденья водителя | |
| 33 | 251356-П8 | Гайка М6 | |
| 34 | 261853-П | Гвоздь крепления обивки | |
| 35 | 677-6801166 | Труба неподвижной части каркаса сиденья водителя продольная правая | |
| 36 | 677-6801192 | Гребенка неподвижной части каркаса сиденья водителя | |
| 37 | 201466-П8 | Болт М8х45 | |
| 37 | 201466-П8 | Болт М8х45 | |
| 37 | 201466-П8 | Болт М8х45 | |
| 38 | 677-6801147 | Пластина рамы каркаса сиденья водителя | |
| 39 | 677-6801168 | Труба неподвижной части каркаса сиденья водителя поперечная | |
| 40 | 677-6801160 | Неподвижная часть каркаса сиденья водителя в сборе | |
| 41 | 677-6803071 | Подушка сиденья водителя | |
| 42 | 677-6805080 | Фиксатор наклона спинки сиденья водителя в сборе | |
| 43 | 677-6805250 | Подушка спинки сиденья водителя | |
| 44 | 677-6801016 | Боковина подвижной части каркаса сиденья водителя верхняя правая | |
| 45 | 677-6801098 | Втулка сиденья водителя | |
| 46 | 677-6801124 | Скоба фиксатора наклона подушки сиденья водителя | |
| 47 | 677-6801116 | Корпус фиксатора наклона подушки сиденья водителя | |
| 48 | 677-6801021 | Втулка нижней боковины подвижной части каркаса сиденья водителя | |
| 49 | 677-6801082 | Пружина сиденья водителя | |
| 50 | 677-6801076 | Палец сиденья водителя | |
| 51 | 250462-П8 | Гайка М4 | |
| 52 | 252132-П2 | Шайба 4 | |
| 53 | 677-6801086 | Заглушка сиденья водителя | |
| 54 | 233022-П8 | Винт для крепления заглушки к каркасу | |
| 55 | 677-6801017 | Боковина подвижной части каркаса сиденья водителя верхняя левая | |
| 56 | 677-6801120 | Пружина фиксатора наклона подушки сиденья водителя | |
| 57 | 677-6801129 | Вкладыш толкателя фиксатора наклона подушки сиденья водителя | |
| 58 | 677-6801130 | Корпус толкателя фиксатора наклона подушки сиденья водителя | |
| 59 | 677-6801128 | Стержень толкателя фиксатора наклона подушки сиденья водителя | |
| 60 | 190-6205340 | Ручка | |
| 61 | 677-6807052 | Буфер подставы сиденья водителя резиновый | |
| 62 | 252005-П8 | Шайба 8 | |
| 63 | 677-6807108 | Шайба гидравлического амортизатора подставы сиденья водителя упорная | |
| 64 | 677-6807107 | Кольцо гидравлического амортизатора подставы сиденья водителя зажимное | |
| 65 | 677-6807098 | Втулка гидравлического амортизатора подставы сиденья водителя верхняя | |
| 66 | 677-6807097 | Кольцо гидравлического амортизатора подставы сиденья водителя уплотнительное | |
| 67 | 677-6807104 | Шток поршня гидравлического амортизатора подставы сиденья водителя | |
| 68 | 677-6807089 | Манжета | |
| 69 | 412502-П | Шайба фасонная | |
| 70 | 677-6807094 | Пружина гидравлического амортизатора подставы сиденья водителя | |
| 71 | 677-6807093 | Вкладыш гидравлического амортизатора в сборе | |
| 72 | 677-6807099 | Втулка вкладыша гидравлического амортизатора подставы сиденья водителя нижняя | |
| 73 | 677-6807103 | Клапан поршня гидравлического амортизатора подставы сиденья водителя пластинчатый | |
| 74 | 677-6807101 | Поршень гидравлического амортизатора подставы сиденья водителя | |
| 75 | 677-6807109 | Шайба гидравлического амортизатора подставы сиденья водителя замковая | |
| 76 | 677-6807048-Б | Головка ручки фиксатора подставы сиденья водителя |
Содержащиеся в справочниках-каталогах запасные части и детали не предлагаются к продаже, а носят исключительно информационный характер