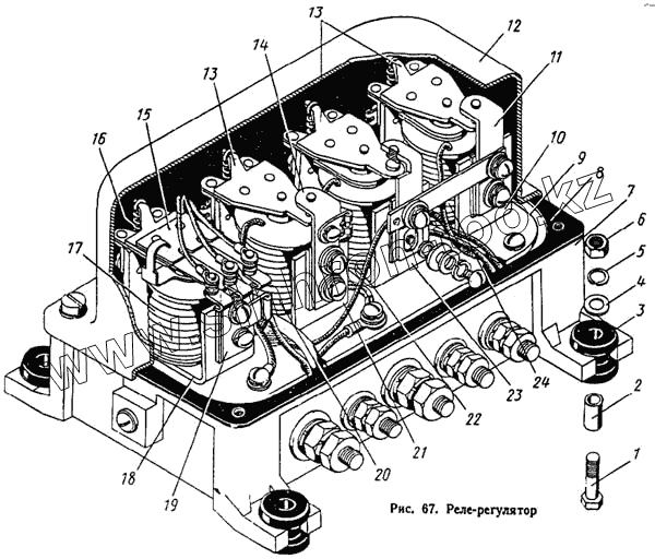
Каталог запасных частей к технике: ЛиАЗ 677. Реле-регулятор
1
2
3
4
5
6
7
8
9
10
11
12
13
13
14
15
16
17
18
19
20
21
22
23
24
| Позиция на иллюстрации | Заводской номер детали | Название детали | |
|---|---|---|---|
| РР20-3702214 | РР20-3702214 | Гайка фасонная | |
| 677-3702030 | 677-3702030 | Кронштейн крепления реле-регулятора | |
| РР15-3702547 | РР15-3702547 | Сопротивление | |
| РР20-3702542 | РР20-3702542 | Сопротивление в сборе | |
| 677-3702034 | 677-3702034 | Стойка крепления регулятора | |
| РР20-3702215 | РР20-3702215 | Винт специальный | |
| 1 | 201424-П8 | Болт | |
| 2 | РР20-3702022 | Втулка | |
| 3 | РР20-3802006-Б | Втулка амортизационная | |
| 4 | 252004-П2 | Шайба | |
| 5 | 252134-П2 | Шайба 6 | |
| 6 | 251356-П8 | Гайка М6 | |
| 7 | РР5-3702101 | Основание реле-регулятора | |
| 8 | РР23-3702008-Б | Прокладка крышки | |
| 9 | РР5-3702500 | Панель с реле регуляторами и сопротивлениями в сборе | |
| 10 | РР23-3702700-Б | Ярмо с шунтовой катушкой второго регулятора напряжения в сборе | |
| 11 | РР20-3702410 | Держатель с вольфрамовым контактом регуляторов напряжения в сборе | |
| 12 | РР5-3702003 | Крышка в сборе | |
| 13 | РР20-3702420 | Якорь ограничителя тока и регуляторов напряжения с контактами в сборе | |
| 14 | РР20-3702310 | Держатель с серебряным контактом в сборе | |
| 15 | РР5-3702045 | Якорь реле в сборе | |
| 16 | РР20-3702418 | Пружина регулировочная | |
| 17 | РР5-3702202 | Катушка реле шунтовая | |
| 18 | РР5-3702200 | Реле обратного тока в сборе | |
| 19 | РР5-3702217 | Держатель с контактами в сборе | |
| 20 | РР5-3702301 | Катушка ограничителя тока сериесная | |
| 21 | РР5-3702300 | Ярмо с катушкой ограничителя тока в сборе | |
| 22 | РР23-3702401-Б | Катушка первого регулятора напряжения шунтовая в сборе | |
| 23 | РР23-3702400-Б | Ярмо с шунтовой катушкой первого регулятора напряжения в сборе | |
| 24 | РР23-3702701-Б | Катушка второго регулятора напряжения шунтовая в сборе |
Содержащиеся в справочниках-каталогах запасные части и детали не предлагаются к продаже, а носят исключительно информационный характер