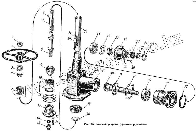
Каталог запасных частей к технике: ЛиАЗ 677. Редуктор рулевого управления угловой
1
2
3
4
5
6
7
8
9
10
11
11
12
12
12
12
13
14
15
16
17
18
18
18
18
19
19
20
21
22
23
24
25
26
27
28
29
30
31
32
33
34
35
35
35
35
36
37
| Позиция на иллюстрации | Заводской номер детали | Название детали | |
|---|---|---|---|
| 677-3401630 | 677-3401630 | Стакан углового редуктора рулевого управления в сборе | |
| 201587-П8 | 201587-П8 | Болт крепления кронштейна | |
| 258056-П | 258056-П | Шплинт | |
| 258027-П2 | 258027-П2 | Шплинт | |
| 252153-П2 | 252153-П2 | Шайба 5 пружинная | |
| 252138-П2 | 252138-П2 | Шайба пружинная | |
| 252136-П2 | 252136-П2 | Шайба 10 пружинная | |
| 677-3403295 | 677-3403295 | Труба крепления рулевой колонки нижняя | |
| 677-3403294 | 677-3403294 | Труба крепления рулевой колонки верхняя | |
| 677-3401103 | 677-3401103 | Труба колонки рулевого управления в сборе | |
| 120-3401129 | 120-3401129 | Сепаратор с роликами в сборе | |
| 677-3401620 | 677-3401620 | Крышка углового редуктора рулевого управления задняя в сборе | |
| 677-3403290 | 677-3403290 | Кронштейн крепления рулевой колонки | |
| 677-3408650 | 677-3408650 | Кронштейн гидроусилителя | |
| 201498-П8 | 201498-П8 | Болт М10х28 | |
| 205187-П8 | 205187-П8 | Болт крепления рулевого механизма | |
| 205215-П8 | 205215-П8 | Болт | |
| 677-3401612 | 677-3401612 | Корпус углового редуктора с трубой рулевой колонки в сборе | |
| 677-3401039-А | 677-3401039-А | Вал рулевого управления в сборе | |
| 677-3401036 | 677-3401036 | Вал рулевого управления с контактным устройством сигнала в сборе | |
| 250558-П8 | 250558-П8 | Гайка | |
| 250978-П8 | 250978-П8 | Гайка М14х1,5 | |
| 250979-П8 | 250979-П8 | Гайка | |
| 677-3401657 | 677-3401657 | Кольцо конического роликоподшипника внутреннее | |
| 677-3401656 | 677-3401656 | Кольцо конического роликоподшипника наружное | |
| 677-3401663 | 677-3401663 | Кольцо роликоподшипника внутреннее | |
| 677-3401662 | 677-3401662 | Кольцо роликоподшипника наружное | |
| 120-3401123 | 120-3401123 | Кольцо роликоподшипника червяка рулевого управления наружное | |
| 1 | 303025-П | Гайка крепления рулевого колеса | |
| 2 | Л158В-3402015 | Колесо рулевое в сборе | |
| 3 | 120-3401130 | Пружина шарикоподшипника рулевого управления | |
| 4 | 120-3401128 | Кольцо шарикоподшипника рулевого управления разжимное | |
| 5 | 120-3401120 | Шариковый радиально-упорный штампованный 28х42х26 по ГОСТу № 836906 | |
| 6 | 120-3402045 | Шпонка вала рулевого колеса | |
| 7 | 677-3401040 | Вал рулевого управления | |
| 8 | 677-3401051 | Наконечник вала рулевого управления | |
| 9 | 677-3401644 | Шестерня углового редуктора ведущая | |
| 10 | 120-3401121 | Роликовый конический без внутреннего кольца 72 по ГОСТу № 977909К1 | |
| 11 | 130-3430027 | Кольцо уплотнительное | |
| 12 | 677-3401673 | Прокладка регулировочная, S = 0,05 мм | |
| 12 | 677-3401670 | Прокладка регулировочная, S = 0,5 мм | |
| 12 | 677-3401671 | Прокладка регулировочная, S = 0,2 мм | |
| 12 | 677-3401672 | Прокладка регулировочная, S = 0,1мм | |
| 13 | 677-3401624 | Крышка углового редуктора нижняя | |
| 14 | 306308-П | Прокладка | |
| 15 | 305045-П | Пробка магнитная в сборе | |
| 16 | 252135-П2 | Шайба 8 пружинная | |
| 17 | 201458-П8 | Болт М8х25 | |
| 18 | 677-3401668 | Прокладка регулировочная, S = 0,05 мм | |
| 18 | 677-3401667 | Прокладка регулировочная, S = 0,1 мм | |
| 18 | 677-3401666 | Прокладка регулировочная, S = 0,2 мм | |
| 18 | 677-3401665 | Прокладка регулировочная, S = 5 мм | |
| 19 | 677-3401660 | Роликовый конический однорядный 35х72х18,5 по ГОСТу № 7207 | |
| 20 | 130-3721062 | Устройство сигнала контактное с крышкой в сборе | |
| 21 | 220078-П8 | Винт М5х12 | |
| 22 | 677-3401105 | Труба колонки | |
| 23 | 677-3401654 | Роликовый конический однорядный 30х60х17,5 по ГОСТу № 7206 | |
| 24 | 305810-П8 | Шайба стопорная | |
| 25 | 303105-П8 | Гайка | |
| 26 | 677-3401621 | Крышка углового редуктора рулевого управления задняя | |
| 27 | 307600-П | Сальник | |
| 28 | 111-3401425 | Кольцо упорное | |
| 29 | 307769-П2 | Кольцо стопорное | |
| 30 | 201460-П8 | Болт М8х30 | |
| 31 | 252135-П2 | Шайба 8 пружинная | |
| 32 | 262543-П8 | Пробка КГ 3/3" | |
| 33 | 677-3401614 | Корпус углового редуктора рулевого управления | |
| 34 | 677-3401640 | Вал-шестерня углового редуктора рулевого управления | |
| 35 | 677-3401059 | Прокладка регулировочная, S = 0,05 мм | |
| 35 | 677-3401058 | Прокладка регулировочная, S = 0,1 мм | |
| 35 | 677-3401056 | Прокладка регулировочная, S = 0,2 мм | |
| 35 | 677-3401055 | Прокладка регулировочная, S = 0,5 мм | |
| 36 | 677-3401631 | Стакан углового редуктора рулевого управления | |
| 37 | 677-3401626 | Кольцо уплотнительное |
Содержащиеся в справочниках-каталогах запасные части и детали не предлагаются к продаже, а носят исключительно информационный характер