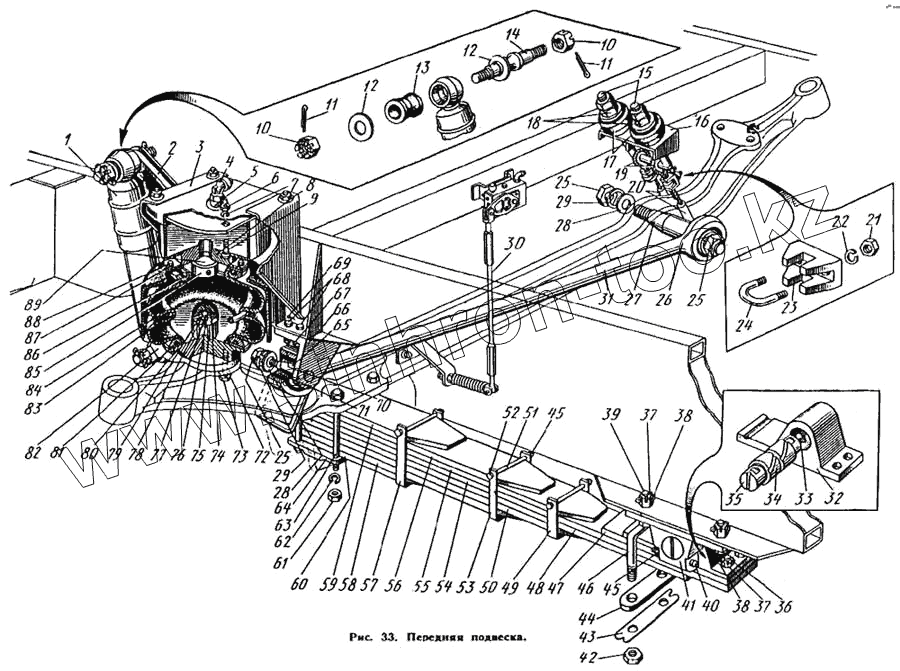
Каталог запасных частей к технике: ЛиАЗ 677. Передняя подвеска
1
2
3
4
5
6
7
8
9
10
10
11
11
12
12
13
14
15
16
17
18
19
20
21
22
23
24
25
25
25
26
27
28
28
29
29
30
31
32
33
34
35
36
37
37
38
38
39
40
41
42
43
44
45
45
46
47
48
49
50
51
52
53
54
55
56
57
58
59
60
61
62
63
64
65
66
67
68
69
70
71
72
73
74
75
76
77
78
79
80
81
82
83
84
85
86
87
88
89
| Позиция на иллюстрации | Заводской номер детали | Название детали | |
|---|---|---|---|
| 677-2924252 | 677-2924252 | Баллон передней подвески дополнительный в сборе | |
| 677-2909022 | 677-2909022 | Головка шарнира поперечной штанги в сборе | |
| 677-2924255 | 677-2924255 | Днище дополнительного баллона передней подвески верхнее | |
| 677-2924257 | 677-2924257 | Днище дополнительного баллона передней подвески нижнее | |
| 256838-П | 256838-П | Заклепка хомута | |
| 500-2905310 | 500-2905310 | Корпус амортизатора с нижней головкой в сборе | |
| 677-2934108 | 677-2934108 | Коуш троса | |
| 677-2905528 | 677-2905528 | Кронштейн амортизатора передней подвески верхний левый в сборе | |
| 677-2905541 | 677-2905541 | Кронштейн амортизатора передней подвески нижний левый | |
| 677-2909026 | 677-2909026 | Кронштейн крепления поперечной штанги передней подвески в сборе | |
| 677-2912125 | 677-2912125 | Кронштейн крепления рессоры нижний в сборе | |
| 677-2924259 | 677-2924259 | Обечайка дополнительного баллона передней подвески | |
| 677-2924220 | 677-2924220 | Опора пневматической рессоры нижняя в сборе | |
| 677-2924693 | 677-2924693 | Пластина кронштейна буфера хода отдачи | |
| 677-2924232 | 677-2924232 | Плита буфера хода сжатия передней подвески опорная в сборе | |
| 677-2934049 | 677-2934049 | Плита ограничителя хода сжатия | |
| 677-2924691 | 677-2924691 | Ребро кронштейна буфера хода отдачи | |
| 677-2924009 | 677-2924009 | Рессора передней подвески пневматическая с дополнительным баллоном левая в сборе | |
| 677-2912012 | 677-2912012 | Рессора передняя в сборе | |
| 252136-П2 | 252136-П2 | Шайба 10 пружинная | |
| 677-2902627 | 677-2902627 | Шайба буфера в сборе | |
| 677-2934104 | 677-2934104 | Шайба буфера хода отдачи | |
| 677-2909107 | 677-2909107 | Штанга передней подвески поперечная | |
| 677-2909106 | 677-2909106 | Штанга передней подвески поперечная в сборе | |
| 677-2924218 | 677-2924218 | Щека кронштейна пневморессоры передняя правая | |
| 1 | 500-2905306-Б | Амортизатор передней подвески в сборе | |
| 2 | 677-2905527 | Кронштейн амортизатора передней подвески верхний | |
| 3 | 677-2924219 | Щека кронштейна пневморессоры передняя левая | |
| 4 | 421041-П | Угольник ввертный | |
| 5 | 677-3513023 | Бобышка | |
| 6 | 250515-П8 | Гайка М12х1,25 | |
| 7 | 252137-П2 | Шайба 12 пружинная | |
| 8 | 677-2934029 | Опора пневморессоры верхняя | |
| 9 | 210275-П13 | Болт | |
| 10 | 251015-П8 | Гайка пальца | |
| 11 | 258056-П | Шплинт | |
| 12 | 500-2905420 | Шайба амортизатора передней подвески | |
| 13 | 500-2905410 | Втулка головки амортизатора | |
| 14 | 677-2905419 | Палец амортизатора передней подвески | |
| 15 | 677-2934103 | Стержень буфера хода отдачи | |
| 16 | 677-2924690 | Кронштейн буфера хода отдачи передней подвески в сборе | |
| 17 | 677-2934102 | Буфер хода отдачи передней подвески | |
| 18 | 250512-П8 | Гайка М10х1,5 | |
| 19 | 677-2934105 | Трос буфера хода отдачи | |
| 20 | 677-2934109 | Трубка троса буфера хода отдачи защитная | |
| 21 | 250510-П8 | Гайка М8х1 | |
| 22 | 252135-П2 | Шайба 8 пружинная | |
| 23 | 677-2934106 | Зажим троса буфера хода отдачи | |
| 24 | 677-2934107 | Хомут троса буфера хода отдачи | |
| 25 | 303004-П8 | Гайка пальца шарнира | |
| 26 | 677-2909021 | Головка поперечной штанги | |
| 27 | 677-2909095 | Кронштейн крепления поперечной штанги к передней оси | |
| 28 | 252023-П2 | Шайба | |
| 29 | 252165-П2 | Шайба | |
| 30 | 677-2925010 | Регулятор положения кузова передней подвески в сборе | |
| 31 | 677-2909102 | Штанга передней подвески поперечная с головками шарнира в сборе | |
| 32 | 677-2912126 | Кронштейн крепления рессоры нижний | |
| 33 | 304817-П | Масленка К3/8" | |
| 34 | 677-2912028 | Втулка кронштейна рессоры | |
| 35 | 677-2912478 | Палец рессоры | |
| 36 | 250612-П8 | Болт крепления накладки | |
| 37 | 250871-П8 | Гайка М16х1,5 | |
| 38 | 258056-П | Шплинт | |
| 39 | 205606-П8 | Болт | |
| 40 | 677-2902486 | Клин пальца рессоры | |
| 41 | 677-2902444 | Кронштейн крепления рессоры к основанию | |
| 42 | 250561-П8 | Гайка М16х1,5 | |
| 43 | 677-2912135 | Пластина гаек стремянок рессоры стопорная | |
| 44 | 677-2912128 | Накладка малой стремянки рессоры | |
| 45 | 250512-П8 | Гайка М10х1,5 | |
| 46 | 677-2912127 | Стремянка рессоры малая | |
| 47 | 677-2912022 | Накладка коренного листа рессоры | |
| 48 | 677-2912105 | Лист № 5 рессоры | |
| 49 | 677-2912063 | Хомут рессоры малый | |
| 50 | 677-2912106 | Лист № 6 рессоры | |
| 51 | 677-2912068 | Втулка хомута рессоры распорная | |
| 52 | 410019-П8 | Болт распорной втулки хомута | |
| 53 | 677-2912064 | Хомут рессоры средний | |
| 54 | 677-2912104 | Лист № 4 рессоры | |
| 55 | 677-2912103 | Лист № 3 рессоры | |
| 56 | 677-2912102 | Лист № 2 рессоры | |
| 57 | 677-2912065 | Хомут рессоры большой | |
| 58 | 677-2912107 | Лист № 7 рессоры | |
| 59 | 677-2912101 | Лист № 1 рессоры | |
| 60 | 677-2912108 | Лист № 8 рессоры | |
| 61 | 250707-П8 | Гайка | |
| 62 | 252141-П2 | Шайба 20 | |
| 63 | 677-2902415 | Болт крепления передней рессоры | |
| 64 | 677-2902412-Б | Накладка передней рессоры | |
| 65 | 677-2917024 | Палец шарнира поперечной штанги | |
| 66 | 677-2909028 | Кронштейн крепления поперечной штанги передней подвески к основанию | |
| 67 | 250871-П8 | Гайка М16х1,5 | |
| 68 | 205612-П8 | Болт | |
| 69 | 258056-П2 | Шплинт | |
| 70 | 677-2909023 | Головка шарнира поперечной штанги | |
| 71 | 677-2909033 | Вкладыш обоймы | |
| 72 | 252139-П2 | Шайба 16 пружинная | |
| 73 | 252150-П8 | Болт крепления опоры | |
| 74 | 677-2902624 | Буфер рессоры | |
| 75 | 677-2934629 | Кронштейн буфера пневморессоры | |
| 76 | 250514-П8 | Гайка М12х1,75 | |
| 77 | 252137-П2 | Шайба 12 пружинная | |
| 78 | 210237-П8 | Болт крепления буфера | |
| 79 | 677-2902625 | Шайба буфера | |
| 80 | 677-2924221 | Опора пневморессоры нижняя | |
| 81 | 677-2934024 | Прокладка пневморессоры уплотнительная | |
| 82 | 677-2905540 | Кронштейн амортизатора передней подвески нижний правый | |
| 83 | 677-2934022 | Кольцо пневматического баллона | |
| 84 | 677-2934011 | Рессора передней подвески пневматическая | |
| 85 | 677-2934048 | Труба ограничителя хода сжатия | |
| 86 | 677-2934018 | Фланец пневматического баллона | |
| 87 | 252135-П2 | Шайба 8 пружинная | |
| 88 | 201456-П8 | Болт М8х20 | |
| 89 | 677-2924233 | Плита ограничителя хода сжатия |
Содержащиеся в справочниках-каталогах запасные части и детали не предлагаются к продаже, а носят исключительно информационный характер