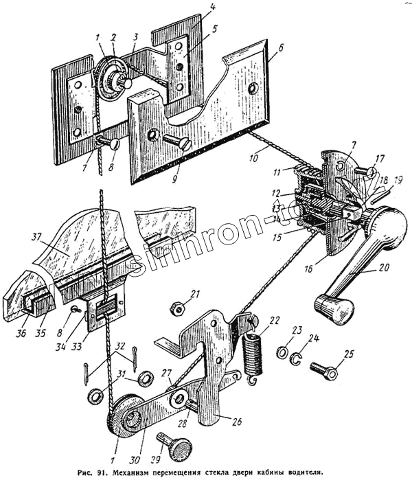
Каталог запасных частей к технике: ЛиАЗ 677. Механизм перемещения стекла двери кабины водителя
1
1
2
3
4
5
6
7
7
8
8
9
10
11
12
13
14
15
16
17
18
19
20
21
22
23
24
25
26
27
28
29
30
31
32
33
34
35
36
37
| Позиция на иллюстрации | Заводской номер детали | Название детали | |
|---|---|---|---|
| 677-6404027 | 677-6404027 | Пластина усилительная | |
| 677-6404030 | 677-6404030 | Барабан и тормозная чашка стеклоподъемника в сборе | |
| 252005-П8 | 252005-П8 | Шайба 8 | |
| 140-7203047 | 140-7203047 | Шайба | |
| 677-6404050 | 677-6404050 | Устройство стеклоподъемника натяжное | |
| 677-6403654 | 677-6403654 | Уплотнитель стекла двери кабины водителя нижний | |
| 677-6404010 | 677-6404010 | Стеклоподъемник окна двери кабины водителя в сборе | |
| 677-6404051 | 677-6404051 | Рычаг натяжного устройства в сборе | |
| 130-6104106 | 130-6104106 | Ручка стеклоподъемника | |
| 150В-6105196 | 150В-6105196 | Розетка внутренней ручки | |
| 677-6404026 | 677-6404026 | Пластина крепления барабана стеклоподъемника усилительная в сборе | |
| 298322-П2 | 298322-П2 | Пистон крепления нижнего уплотнителя | |
| 251084-П8 | 251084-П8 | Гайка | |
| 677-6404020 | 677-6404020 | Барабан стеклоподъемника в сборе | |
| 677-6404040 | 677-6404040 | Барабан стеклоподъемника с тросом в сборе | |
| 150В-6105197 | 150В-6105197 | Втулка розетки ручки | |
| 150В-6104119 | 150В-6104119 | Ось головки ручки | |
| 677-6404029 | 677-6404029 | Гайкодержатель | |
| 150В-6104110 | 150В-6104110 | Головка ручки | |
| 677-6404023 | 677-6404023 | Кронштейн крепления верхнего ролика | |
| 677-6404058 | 677-6404058 | Кронштейн натяжного устройства с пальцем в сборе | |
| 677-6404022 | 677-6404022 | Кронштейн с пальцем в сборе | |
| 677-6404036 | 677-6404036 | Крышка чашки тормоза стеклоподъемника | |
| 677-6403365 | 677-6403365 | Обойма стекла двери кабины водителя | |
| 1 | 677-6404054 | Ролик | |
| 2 | 258037-П8 | Шплинт | |
| 3 | 260031-П | Палец | |
| 4 | 677-6404061 | Прокладка крышки верхнего ролика | |
| 5 | 677-6404014 | Кронштейн крепления верхнего ролика в сборе | |
| 6 | 677-6404060 | Крышка верхнего ролика | |
| 7 | 252133-П8 | Шайба 5 | |
| 8 | 220078-П8 | Винт М5х12 | |
| 9 | 221579-П8 | Винт | |
| 10 | 677-6404044 | Трос стеклоподъемника | |
| 11 | 677-6404041 | Барабан стеклоподъемника | |
| 12 | 677-6404049 | Пружина тормоза стеклоподъемника | |
| 13 | 677-6404043 | Втулка барабана стеклоподъемника | |
| 14 | 677-6404032 | Шайба | |
| 15 | 677-6404042 | Валик барабана стеклоподъемника | |
| 16 | 677-6404034 | Чашка тормоза стеклоподъемника | |
| 17 | 220080-П8 | Винт М5х16 | |
| 18 | 150В-6105194 | Розетка ручки в сборе | |
| 19 | 258723-П | Штифт | |
| 20 | 130-6104100 | Ручка стеклоподъемника с головкой в сборе | |
| 21 | 250508-П8 | Гайка М6х1 | |
| 22 | 677-6404056 | Пружина натяжного устройства | |
| 23 | 252037-П8 | Шайба 6 | |
| 24 | 252134-П8 | Шайба 6 | |
| 25 | 201419-П8 | Болт М6х18 | |
| 26 | 677-6404059 | Кронштейн натяжного устройства | |
| 27 | 677-6404053 | Втулка рычага натяжного устройства | |
| 28 | 260035-П8 | Палец | |
| 29 | 677-6404055-Б | Ось ролика устройства | |
| 30 | 677-6404052-Б | Рычаг натяжного устройства | |
| 31 | 252005-П8 | Шайба 8 | |
| 32 | 258038-П8 | Шплинт 3,2х16 | |
| 33 | 677-6404046 | Держатель троса стеклоподъемника | |
| 34 | 677-6404048 | Прижим троса стеклоподъемника | |
| 35 | 677-6403364 | Обойма стекла двери кабины водителя в сборе | |
| 36 | 677-6403374 | Прокладка стекла двери кабины водителя | |
| 37 | 677-6403635 | Стекло двери кабины водителя |
Содержащиеся в справочниках-каталогах запасные части и детали не предлагаются к продаже, а носят исключительно информационный характер