Каталог запасных частей к технике: ЛиАЗ 677. Карбюратор
1
2
3
3
4
5
5
5
5
5
5
6
6
6
6
7
8
9
10
11
12
13
14
15
16
17
18
19
20
21
22
23
24
25
26
27
28
29
30
31
32
33
33
34
35
36
37
38
39
40
41
42
43
44
45
46
46
47
48
49
50
51
52
53
54
54
55
56
57
58
59
60
61
61
62
62
63
64
65
66
67
68
69
70
71
72
73
74
75
76
77
78
79
80
81
82
83
84
85
86
87
88
89
90
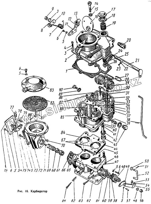
| Позиция на иллюстрации | Заводской номер детали | Название детали | |
|---|---|---|---|
| 121-1107859 | 121-1107859 | Винт крепления крышки | |
| 375-1107500-В | 375-1107500-В | Камера смесительная в сборе | |
| 130-1107524 | 130-1107524 | Корпус диафрагменного механизма ограничителя числа оборотов коленчатого вала двигателя в сборе | |
| 375-1107400-В | 375-1107400-В | Корпус поплавковой камеры в сборе | |
| 130-1107540-В | 130-1107540-В | Привод дроссельных заслонок в сборе | |
| 1 | 130-1107085 | Прокладка верхнего корпуса | |
| 2 | 130-1107322-Б | Корпус верхний | |
| 3 | 252154-П2 | Шайба 6 пружинная | |
| 3 | 252154-П2 | Шайба 6 пружинная | |
| 4 | 222525-П8 | Винт | |
| 5 | 252153-П2 | Шайба 5 пружинная | |
| 5 | 252153-П2 | Шайба 5 пружинная | |
| 5 | 252153-П2 | Шайба 5 пружинная | |
| 5 | 252153-П2 | Шайба 5 пружинная | |
| 5 | 252153-П2 | Шайба 5 пружинная | |
| 6 | 222498-П8 | Винт | |
| 6 | 222498-П29 | Винт крепления крышки | |
| 6 | 222498-П8 | Винт | |
| 6 | 222498-П8 | Винт | |
| 7 | 121-1107260 | Пружина валика | |
| 8 | 301052-П8 | Болт | |
| 9 | 250508-П8 | Гайка М6х1 | |
| 10 | 130-1107250 | Рычаг воздушной заслонки в сборе | |
| 11 | 121-1107270 | Кронштейн троса воздушной заслонки | |
| 12 | 121-1107275 | Болт зажима троса | |
| 13 | 121-1107274 | Зажим троса | |
| 14 | 121-1107447 | Винт канала игольчатого клапана | |
| 15 | 11-1046 | Прокладка винта | |
| 16 | 130-1107230-Б | Заслонка воздушная с клапаном в сборе | |
| 17 | К80-1107342 | Пробка фильтра подачи горючего | |
| 18 | К80-1107343 | Прокладка пробки | |
| 19 | К80-1107341-Б | Сетка фильтра подачи горючего | |
| 20 | 300304-П8 | Штуцер фильтра | |
| 21 | 130-1107240-Б2 | Валик воздушной заслонки в сборе | |
| 22 | 252132-П2 | Шайба 4 | |
| 23 | 220050-П8 | Винт М4х8 | |
| 24 | 110-1106021 | Прокладка клапана | |
| 25 | 120Д-1107247 | Прокладка | |
| 26 | 130-1107330 | Клапан подачи горючего в сборе | |
| 27 | 121-1107605 | Пружина | |
| 28 | 121-1107627 | Ось рычажка поплавка | |
| 29 | 121-1107660-А | Поплавок с рычажком в сборе | |
| 30 | 130-1107120-Б | Поршень насоса ускорения в сборе | |
| 31 | 375-1107444-Б | Жиклер главный | |
| 32 | К80-1107447-А | Прокладка главного жиклера | |
| 33 | 110-1107073 | Прокладка механического экономайзера | |
| 34 | 110-1107221 | Клапан насоса ускорения игольчатый нагнетательный | |
| 35 | 121-1107441 | Кольцо клапана запорное | |
| 36 | 121-1107428 | Клапан насоса ускорения шариковый впускной | |
| 37 | 375-1107422-В | Корпус поплавковой камеры | |
| 38 | 130-1107554 | Тяга рычага связи | |
| 39 | 130-1107442-Б | Жиклер полной мощности | |
| 40 | 130-1107208-Б | Толкатель механического экономайзера | |
| 41 | 375-1107210 | Экономайзер механический в сборе | |
| 42 | 130-1107184 | Прокладка пробки | |
| 43 | 121-1107214-А | Пробка канала механического экономайзера | |
| 44 | 130-1107089 | Прокладка смесительной камеры | |
| 45 | 375-1107507-Б | Корпус смесительной камеры | |
| 46 | 252155-П2 | Шайба 8 пружинная | |
| 46 | 252155-П2 | Шайба 8 пружинная | |
| 47 | 121-1107042 | Болт крепления смесительной камеры | |
| 48 | 130-1107533-Б2 | Корпус привода дроссельной заслонки в сборе | |
| 49 | 130-1107553 | Рычаг связи дроссельных заслонок | |
| 50 | 110-1107086 | Шайба | |
| 51 | 258000-П29 | Шплинт 1,5х10 | |
| 52 | 130-1107142-В | Тяга насоса ускорения | |
| 53 | 402011-П29 | Винт регулировочный | |
| 54 | 250464-П8 | Гайка М5 | |
| 54 | 250404-П8 | Гайка регулировочного винта | |
| 55 | 130-1107541-В | Рычаг привода | |
| 56 | 250510-П8 | Гайка М8х1 | |
| 57 | 130-1107578 | Винт упора рычага привода | |
| 58 | 130-1107502 | Прокладка корпуса привода дроссельных заслонок | |
| 59 | 130-1107503 | Кольцо подшипника замковое | |
| 60 | 130-1107547-А | Валик привода | |
| 61 | 130-1107814-Б2 | Шариковый радиальный однорядный с защитной шайбой 25х62х17 по ГОСТу № 60018 | |
| 62 | 130-1107436 | Пружина регулировочных игл и болта | |
| 63 | 301495-П29 | Болт регулировочный | |
| 64 | 121-1107434-Б | Игла холостого хода регулировочная | |
| 65 | 375-1107509-Б | Ось дроссельных заслонок с рычагом в сборе | |
| 66 | 130-1107501 | Прокладка корпуса диафрагменного механизма | |
| 67 | 375-1107531-Б | Заслонка дроссельная | |
| 68 | 130-1107506-Б | Манжета уплотнительная | |
| 69 | 130-1107508 | Пружина | |
| 70 | 130-1107537 | Жиклер ограничителя вакуумный | |
| 71 | 130-1107538 | Жиклер ограничителя воздушный | |
| 72 | 130-1107523 | Корпус диафрагменного механизма | |
| 73 | 130-1107589 | Прокладка крышки ограничителя | |
| 74 | 222501-П8 | Винт | |
| 75 | 130-1107525 | Рычаг ограничителя числа оборотов со штифтом для пружины в сборе | |
| 76 | 130-1107586 | Крышка ограничителя | |
| 77 | 130-1107582 | Пружина ограничителя | |
| 78 | 130-1107581-Б | Шайба рычага | |
| 79 | 130-1107596 | Винт пружины | |
| 80 | 258000-П29 | Шплинт 1,5х10 | |
| 81 | 130-1107515 | Диафрагма с тягой в сборе | |
| 82 | 130-1107519 | Диск диафрагмы | |
| 83 | 130-1107565 | Крышка диафрагменного механизма с направляющей втулкой в сборе | |
| 84 | 222963-П29 | Винт крепления дроссельной заслонки | |
| 85 | 258387-П29 | Штифт установочный | |
| 86 | 121-1107044 | Диффузор малый | |
| 87 | 375-1107445-Б | Жиклер воздушный | |
| 88 | 375-1107409-Б | Жиклер холостого хода | |
| 89 | 110-1107177 | Прокладка пробки | |
| 90 | К80-1107076 | Пробка уровня горючего |
Содержащиеся в справочниках-каталогах запасные части и детали не предлагаются к продаже, а носят исключительно информационный характер