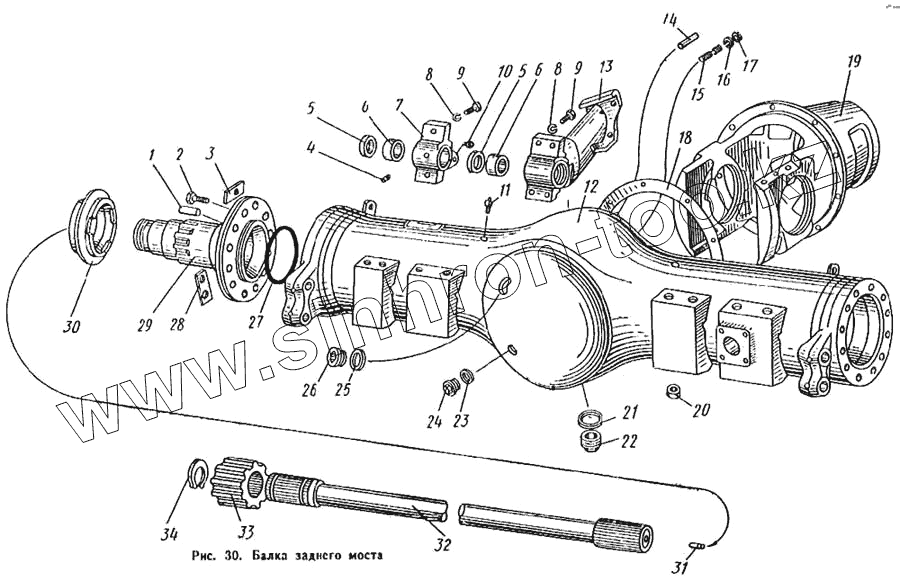
Каталог запасных частей к технике: ЛиАЗ 677. Балка заднего моста
1
2
3
4
5
5
6
6
7
8
8
9
9
10
11
12
13
14
15
16
17
18
19
20
21
22
23
24
25
26
27
28
29
30
31
32
33
34
| Позиция на иллюстрации | Заводской номер детали | Название детали | |
|---|---|---|---|
| 018.52-3310-000 | 018.52-3310-000 | Картер заднего моста с опорами разжимного кулака в сборе | |
| 018.52-3313-010 | 018.52-3313-010 | Задняя полуось в сборе | |
| 018.01-3310-148 | 018.01-3310-148 | Опора разжимного кулака передняя в сборе | |
| 018.52-3310-156 | 018.52-3310-156 | Кронштейн тормозной камеры левый | |
| 018.52-3300-000 | 018.52-3300-000 | Мост задний в сборе | |
| 1 | 20Х50МSZ2218 | Штифт цапфы картера заднего моста | |
| 2 | 018.01-3310-101 | Болт крепления цапфы | |
| 3 | 018.01-3310-103 | Шайба болта крепления цапф стопорная | |
| 4 | 018.01-3310-145 | Заглушка | |
| 5 | 018.01-3310-144 | Сальник разжимного кулака | |
| 6 | 018.01-3310-143 | Втулка | |
| 7 | 018.01-3310-149 | Опора разжимного кулака передняя | |
| 8 | М12МSZ2210 | Шайба пружинная | |
| 9 | 018.01-3310-125 | Болт с внутренним шестигранником в головке | |
| 10 | GАМ8Х1МSZ513 | Масленка | |
| 11 | 012.0-3310-029 | Сапун | |
| 12 | 018.52-3310-002 | Картер заднего моста в сборе | |
| 13 | 018.52-3310-151 | Кронштейн тормозной камеры правый | |
| 14 | 10Х24МSZ2218 | Штифт картера редуктора установочный | |
| 15 | 018.01-3310-112 | Шпилька крепления картера редуктора | |
| 16 | М12МSZ2210 | Шайба пружинная | |
| 17 | М12МSZ2260-6S | Гайка крепления картера редуктора | |
| 18 | 018.01-3311-127 | Прокладка картера редуктора заднего моста (5618) | |
| 19 | 018.01-3311-012 | Картер редуктора заднего моста | |
| 20 | 018.01-3310-162 | Втулка установочной бобышки | |
| 21 | А38Х44А1МSZ18716 | Кольцо уплотнительное | |
| 22 | Т50М15-0,325 | Пробка сливного отверстия | |
| 23 | А20Х26А1МSZ18716 | Кольцо уплотнительное | |
| 24 | 018.52-3310-128 | Пробка контрольного отверстия картера заднего моста | |
| 25 | А38Х44А1МSZ18716 | Кольцо уплотнительное | |
| 26 | 018.01-3330-061 | Пробка наливного отверстия картера заднего моста | |
| 27 | 018.01-3310-093 | Кольцо уплотнительное | |
| 28 | 018.01-3310-102 | Шайба болта крепления цапф стопорная | |
| 29 | 018.01-3310-091 | Цапфа картера заднего моста | |
| 30 | 018.01-3310-131 | Кольцо внутреннего подшипника ступицы заднего колеса упорное в сборе | |
| 31 | 018.01-3313-024 | Штифт | |
| 32 | 018.52-3313-012 | Полуось заднего моста | |
| 33 | 018.01-3313-021 | Солнечная шестерня | |
| 34 | 55Х2МSZ232 | Стопорное кольцо оси |
Содержащиеся в справочниках-каталогах запасные части и детали не предлагаются к продаже, а носят исключительно информационный характер