Каталог запасных частей к технике: ЛиАЗ-5256, 6212 (2006). Подвеска силовых агрегатов
1
2
3
4
5
5
6
7
8
9
10
11
12
13
14
15
16
17
18
19
20
21
22
23
24
24
25
26
27
28
28
29
30
31
31
32
32
33
34
35
36
37
38
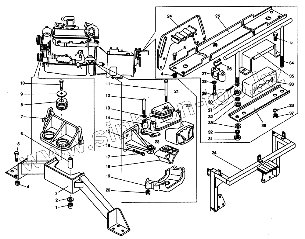
| Позиция на иллюстрации | Заводской номер детали | Название детали | |
|---|---|---|---|
| 6212-1001246-10 | 6212-1001246-10 | Кронштейн поддерживающей опоры силового агрегата | |
| 525630-1001049-10 | 525630-1001049-10 | Кронштейн левый силового агрегата | |
| 525630-1001048-10 | 525630-1001048-10 | Кронштейн правый силового агрегата | |
| 525625-1001048-10 | 525625-1001048-10 | Кронштейн правый силового агрегата | |
| 5256-1001048-53 | 5256-1001048-53 | Кронштейн силового агрегата | |
| 5256-1001049-53 | 5256-1001049-53 | Кронштейн силового агрегата | |
| 5256-1001045 | 5256-1001045 | Кронштейн силового агрегата | |
| 6212-1001395 | 6212-1001395 | Болт М6х160 | |
| 9W-9957 | 9W-9957 | Подушка (MOUT) | |
| 251649-П8 | 251649-П8 | Гайка самоконтрящая | |
| 6212-1001061 | 6212-1001061 | Поперечина дополнительной опоры | |
| 525640-1001246-10 | 525640-1001246-10 | Кронштейн поддерживающей опоры силового агрегата | |
| 525640-1001246 | 525640-1001246 | Кронштейн поддерживающей опоры силового агрегата | |
| 6212-1001062 | 6212-1001062 | Поперечина крепления силового агрегата | |
| 525625-1001062 | 525625-1001062 | Поперечина крепления силового агрегата | |
| 525640-1001062 | 525640-1001062 | Поперечина крепления силового агрегата | |
| 525625-1001063 | 525625-1001063 | Кронштейн поддерживающей опоры силового агрегата | |
| 1 | Гайка самоконтрящая М16х1,5-6Н | Гайка самоконтрящая М16х1,5-6Н | |
| 2 | 252007-П8 | Шайба 12 | |
| 3 | 525630-1001062 | Поперечина крепления силового агрегата | |
| 4 | 1/61050/11 | Гайка самоконтрящая | |
| 5 | 201567-П8 | Болт М12х1,25х40 | |
| 6 | 53205-1001063 | Втулка распорная | |
| 7 | 52530-1001070-01 | Траверса | |
| 8 | 53205-1001020 | Подушка передней опоры | |
| 9 | 53205-1001071 | Шайба опорная | |
| 10 | 525630-1001395 | Болт М16x1,5x120 | |
| 11 | 1/59903/21 | Болт М20х1,5-6gх160 | |
| 12 | 415252-П8 | Болт М10х1,25х34 | |
| 13 | 252007-П8 | Шайба 12 | |
| 14 | 4202-1001296 | Крышка задней опоры | |
| 15 | 525625-1001049-10 | Кронштейн левый силового агрегата | |
| 16 | 252138-П2 | Шайба пружинная | |
| 17 | 525625-1001099-10 | Болт М14x2x35 | |
| 18 | 4202-1001290 | Башмак задней опоры в сборе | |
| 19 | 4202-1001232 | Кронштейн крепления опоры | |
| 20 | 1/61050/11 | Гайка самоконтрящая | |
| 21 | 5320-1001075 | Колпак защитный подушки задней опоры силового агрегата | |
| 22 | 5256-1001051 | Подушка задней опоры силового агрегата | |
| 23 | 4202-1001296 | Крышка задней опоры | |
| 24 | 525630-1001246 | Кронштейн поддерживающей опоры силового агрегата | |
| 25 | 525630-1001061 | Поперечина дополнительной опоры | |
| 26 | 5256-1001308 | Вкладыш | |
| 27 | 5256-1001312 | Опора | |
| 28 | 252137-П2 | Шайба 12 пружинная | |
| 29 | 201567-П8 | Болт М12х1,25х40 | |
| 30 | 258040-П8 | Шплинт 3,2х25 | |
| 31 | 250561-П8 | Гайка М16х1,5 | |
| 32 | 252017-П8 | Шайба 16 | |
| 33 | 252139-П2 | Шайба 16 пружинная | |
| 34 | 5256-1001188-10 | Тяга подвески двигателя | |
| 35 | 5256-1001232 | Обойма подушки поддерживающей опоры силового агрегата | |
| 36 | 5256-1001179 | Подушка поддерживающей опоры силового агрегата | |
| 37 | 250515-П8 | Гайка М12х1,25 | |
| 38 | 5256-1001364-10 | Накладка подушки поддерживающей опоры |
Содержащиеся в справочниках-каталогах запасные части и детали не предлагаются к продаже, а носят исключительно информационный характер