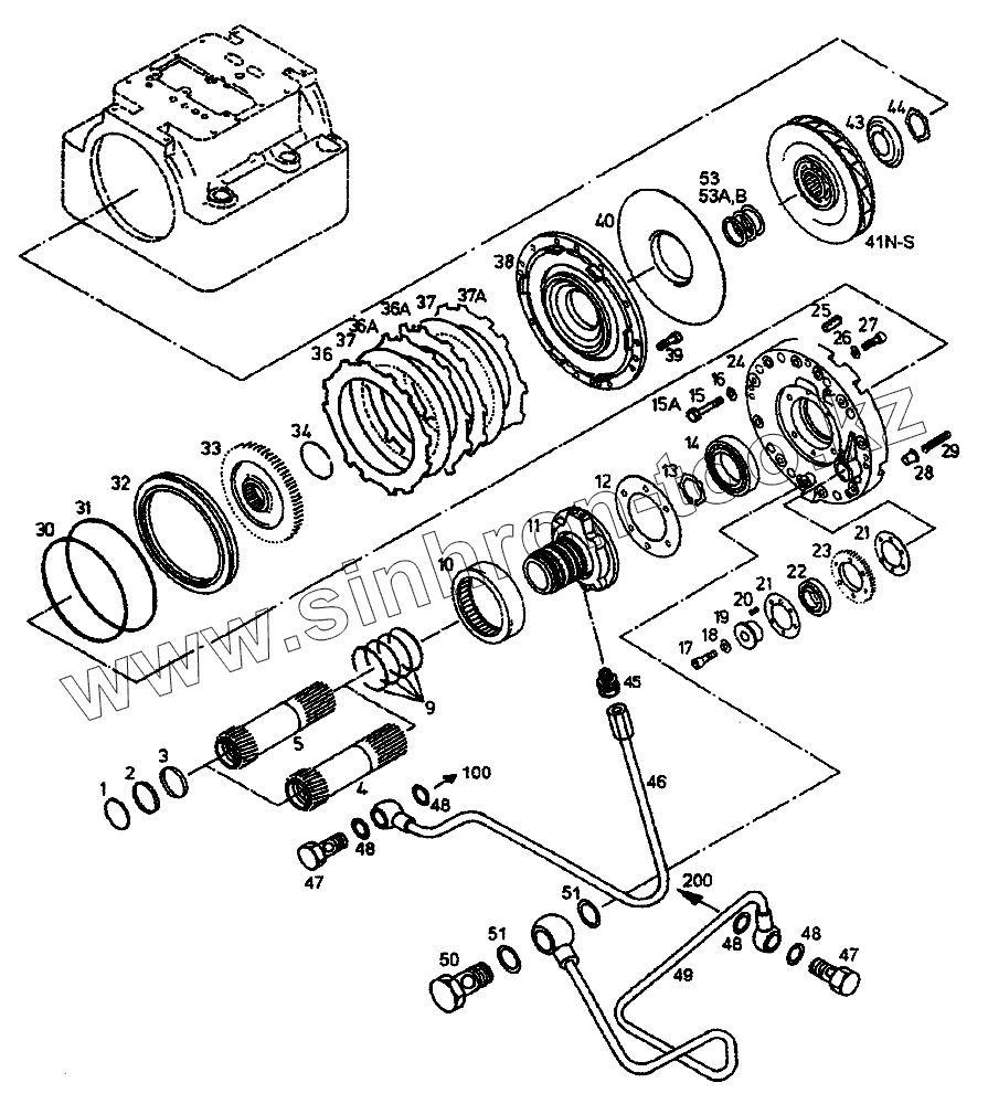
Каталог запасных частей к технике: ЛиАЗ-5256, 6212 (2006). Насосный тормоз DIWA.3Е
1
2
3
4
5
9
10
11
12
13
14
15
15А
16
17
18
19
20
21
21
22
23
24
25
26
27
28
29
30
31
32
33
34
36
36А
36А
37
37
37А
38
39
40
41Р
43
44
45
46
47
47
48
48
48
48
49
50
51
51
53
53А
53В
| Позиция на иллюстрации | Заводской номер детали | Название детали | |
|---|---|---|---|
| 1 | 50.8713.11 | Кольцо двойное | |
| 2 | 50.5514.11 | Кольцо | |
| 3 | 50.5516.11 | Втулка уплотнительная | |
| 4 | 50.4580.30 | Вал привода D4 G3 | |
| 5 | 50.4578.30 | Вал привода D3 G3 | |
| 9 | 50.7255.12 | Кольцо прямоугольное уплотнительное | |
| 10 | 01.0085.08 | Подшипник RNU 1017 MA DIN 5412 | |
| 11 | 58.2261.42 | Втулка распределительная 3G | |
| 12 | 50.7729.12 | Прокладка | |
| 13 | 50.9053.12 | Кольцо | |
| 14 | 01.0028.16 | Подшипник 6212 DIN 625 | |
| 15 | 01.0694.63 | Болт шестигранный М10х65 DIN 931 8.8-АЗС | |
| 15А | 01.0759.78 | Болт шестигранный М10х70 DIN 931 8.8-А АЗС | |
| 16 | 01.0250.11 | Шайба пружинная В10 DIN 137 | |
| 17 | 01.0005.25 | Винт цилиндрический М10х30хCV84 VGN 3037 10.9 | |
| 18 | 01.0058.82 | Шайба пружинная В10х18 DIN 137 ABW | |
| 19 | 50.5571.10 | Кольцо опорное | |
| 58.1895.16 | 58.1895.16 | Шестерня в сборе | |
| 20 | 01.0649.40 | Заклепка 4x18 DIN 660 | |
| 21 | 50.5519.20 | Шайба | |
| 22 | 01.0485.01 | Подшипник 16008 СЗ DIN 625 | |
| 23 | 50.5569.30 | Шестерня цилиндрическая | |
| 58.4455.22 | 58.4455.22 | Корпус поршня РВ в сборе | |
| 24 | 52.6471.23 | Корпус поршня РВ D4 3G | |
| 25 | 90.0681.10 | Штифт SG 10x40 | |
| 26 | 01.0269.06 | Шайба пружинная В8 DIN 137 АЗС | |
| 27 | 01.0005.10 | Винт цилиндрический М8х20 CV84 VGN 3037 10.9 | |
| 28 | 52.6227.12 | Гильза пружины | |
| 29 | 92.1567.11 | Пружина | |
| 30 | 50.8159.10 | Манжета | |
| 31 | 52.6232.10 | Манжета | |
| 32 | 52.6472.13 | Поршень РВ | |
| 33 | 52.6374.31 | Корпус дисков сцепления РВ | |
| 34 | 90.5534.10 | Кольцо уплотнительное | |
| 36 | 52.6303.10 | Диск | |
| 36А | 52.6306.10 | Диск | |
| 37 | 58.2460.13 | Диск фрикционный | |
| 37А | 54.8208.10 | Пластина нажимная | |
| 38 | 52.8064.14 | Корпус дисков сцепления РВ | |
| 39 | 01.0005.10 | Винт цилиндрический М8х20 CV84 VGN 3037 10.9 | |
| 40 | 50.5620.10 | Диск | |
| 41Р | 56.4003.20 | Колесо X | |
| 43 | 50.5508.20 | Кольцо отражательное | |
| 44 | 50.9053.12 | Кольцо | |
| 45 | 01.0851.84 | Штуцер ALL6 DIN 2353 | |
| 46 | 68.0766.12 | Трубопровод | |
| 47 | 01.0308.71 | Винт полый 6 DIN 7643 | |
| 48 | 01.0044.36 | Кольцо А10x13,5 DIN 7603 | |
| 49 | 68.0767.11 | Трубопровод | |
| 50 | 01.0308.72 | Винт полый 10 DIN 7643 | |
| 51 | 01.0044.36 | Кольцо А10x13,5 DIN 7603 | |
| 53 | 54.9171.10 | Шайба 0,1 | |
| 53А | 54.9234.10 | Шайба 0,2 | |
| 53В | 54.9235.10 | Шайба 0,3 |
Содержащиеся в справочниках-каталогах запасные части и детали не предлагаются к продаже, а носят исключительно информационный характер