Вернуться на главную
Поиск
Каталоги запчастей к технике
Автобусы
ЛиАЗ
ЛиАЗ-5256, 6212 (2006)
Насос шестеренный усиленный
Каталог запасных частей к технике: ЛиАЗ-5256, 6212 (2006). Насос шестеренный усиленный
zoom-in
zoom-out
enlarge
shrink
circle-right
circle-left
file-text2
info
cart
Тип техники
Не выбрано
Легковые автомобили
Грузовые автомобили и прицепы
Автобусы
Сельхозтехника
Спецтехника
Двигатели
Мототехника
Марка
Не выбрано
Golden Dragon
Hyundai
Ikarus
Karosa
King Long
Neoplan
Yutong
ZF
АМАЗ
Богдан
ЗИЛ
КАВЗ
Камский автозавод
ЛАЗ
ЛЗГМП
ЛиАЗ
Нефтекамский автозавод
ПАЗ
УралАЗ
Модель
Не выбрано
KNORR-BREMSE применяемых на технике ЛиАЗ
ЛиАЗ 5256
ЛиАЗ 677
ЛиАЗ-5256, 6212 (2006) (2006)
Схема
>
Не выбрано
Каркас основания с подъемом пола
Установка панелей пола и мягкого настила
Установка настила панелей передней секции автобуса ЛиАЗ-6212
Установка настила пола заднеей секции автобуса ЛиАЗ-6212
Настил мягкого пола передней секции автобуса ЛиАЗ-6212
Настил мягкого пола задней секции автобуса ЛиАЗ-6212
Стеклоочиститель и стеклоомыватель
Каркас передка с облицовкой
Арматурный щиток
Рейсоуказатель малый
Рейсоуказатели
Каркас, обивка, облицовка и установка окон левой боковины ЛиАЗ-525625, 525630, 525640
Каркас, обивка, облицовка и установка окон правой боковины ЛиАЗ-525625, 525630, 525640
Облицовка каркаса правой боковины широкой панелью ЛиАЗ-525625, 525630, 525640
Облицовка каркаса левой боковины широкой панелью ЛиАЗ-525625, 525630, 525640
Каркас, облицовка и обивка левой боковины ЛиАЗ-6212
Каркас, облицовка и обивка правой боковины ЛиАЗ-6212
Каркас крыши с облицовкой и обивкой
Каркас крыши с облицовкой и обивкой автобуса ЛиАЗ-6212 (передняя секция)
Каркас крыши с облицовкой и обивкой автобуса ЛиАЗ-6212 (задняя секция)
Аварийно-вентиляционный люк
Двери пассажирские
Двери пассажирские (верх)
Двери пассажирские (низ)
Выравниватели дверей
Механизм привода дверей и крышка кожуха дверных механизмов
Установка сидений (часть I)
Установка сидений (часть II)
Отопитель фронтальный Белробот А2-21.243.252.3110
Установка фронтального отопителя Белробот
Отопитель салона передний
Отопитель кузова
Радиатор переднего отопителя
Привод управления отопителем
Рамка и шторка переднего отопителя
Подогреватели Webasto
Установка подогревателя Webasto DBW-300
Установка трубопроводов системы отопления в мотоотсеке автобуса ЛиАЗ-525625
Установка салонных отопителей
Принудительная вентиляция
Зеркала
Установка поручней
Шторы окон кабины водителя
Установка ящика для выдачи билетов и полки водителя
Установка брызговиков
Подвеска силовых агрегатов
Установка системы питания топливом двигателя Cat 3126Е автобуса ЛиАЗ-6212
Бак топливный
Установка системы питания топливом двигателя КамАЗ740.11-240 автобуса ЛиАЗ-5255640
Системы питания топливом двигателя Cat 3116 автобуса ЛиАЗ-525625
Система питания двигателя ЯМЗ-236НЕ топливом
Установка насоса предпусковой прокачки топлива
Привод управления числом оборотов двигателя КамАЗ-740.11-240 с ГМП VOITH DIWA.2
Управление числом оборотов двигателя ЯМЗ-236НЕ2
Управление числом оборотов двигателя Cat с ГМП DIWA.2
Система питания воздухом двигателя Cat 3126Е
Установка системы питания воздухом двигателя Cat 3116
Система питания воздухом двигателя КамАЗ-740.11-240
Система выпуска отработавших газов. ЯМЗ-236НЕ2 (вариант с моторным тормозом)
Система выпуска отработавших газов. КамАЗ-740.11-240, 740.31-240
Установка системы выпуска отработавших газов. ЛиАЗ-525625 и ЛиАЗ-6212
Схема установки клапана управления горным тормозом. ЛиАЗ-525625 с механической КПП
Устройство натяжное
Система охлаждения двигателя КамАЗ 740.11-240 с механической КПП
Система охлаждения двигателя ЯМЗ-236НЕ с механической КПП-ЯМЗ-236Л1
Система охлаждения двигателя ЯМЗ-236НЕ2 с коробкой VOITH DIWA.2
Муфта привода венитлятора
Система охлаждения двигателя Cat с ГМП DIWA.2
Система охлаждения двигателя КамАЗ 740.11-240 с ГМП VOITH DIWA.2
Система охлаждения двигателя Cat 3116 с механической КПП
Клапан включения муфты вентилятора
Кольцо промежуточное
Фланец переходной
Привод управления мехнизмом переключения передач
Набор прокладок 061.Y 08
Картер коробки передач 061.01.01
Деталь запора 061.01.40
Картер коробки передач 061.01.80
Входной (приводной) вал 061.02.01
Присоединительная пластина 061.02.40
Промежуточный вал 063.03.01
Промежуточный вал 061.03.80
Главный вал 061.04.02
Главный вал 061.04.44
Схема соединений 061.06.01
Присоединительные детали 061.06.40
Корпус коробки передач 061.07.01-А
Кронштейн 061.08.02
Комплект пружин 061.12.03
Опора (кронштейн) 061.14.02
Крышка тахометра 061.18.02
Рукоятка выключения 061.92.24
Корпус сцепления 061.92.97
Присоединительные детали 061.95.40
Крышка привода в сборе с ведущим валом
Элементы крепления к двигателю
Входной дифференциал с фрикционным сцеплением EK-ED
Насосный тормоз
Насосный тормоз DIWA.3Е
Маслофильтр
Маслофильтр DIWA.3Е
Кабельный план ГМП (жгут проводов)
Кабельный план ГМП (жгут проводов)
Насос шестеренный
Насос шестеренный усиленный
Турбинное колесо, реактор механизм тормоза R0
Турбинное колесо, реактор механизм тормоза R2
Турбинное колесо, реактор механизм тормоза R2 DIWA.3Е
Планетарный механизм заднего хода R0 с 5-ю фрикционными дисками сцеплений
Планетарный механизм заднего хода R2 с 6-ю фрикционными дисками сцеплений
Планетарный механизм заднего хода R2 с 5-ю фрикционными дисками сцеплений DIWA.3Е
Выходная часть ГМП
Выходная часть ГМП DIWA.3Е
Теплообменник
Теплообменник DIWA.3Е
Присоединительные детали к теплообменнику
Вал карданный
Задний мост Raba
Картер заднего моста Raba
Ступица заднего моста Raba
Задний мост. Дифференциал (Raba)
Задний мост. Полуось, колесная передача (Raba)
Задний мост КАНАШ
Картер зднего моста и картер центрального редуктора КАНАШ
Ступица заднего моста КАНАШ 22.2400012
Диффеернциал заднего моста КАНАШ
Задний мост. Полуось, колесная передача (КАНАШ)
Средний мост для автобуса ЛиАЗ-6212
Установка переднего, заднего буфера
Передняя подвеска
Установка задней подвески
Пневморессора, штанга передней подвески
Установка регулятора уровня пола
Ось передняя
Продольная и поперечная рулевые тяги
Ступица переднего колеса
Колесо
Устройство съема запасного колеса
Установка рулевого управления с гидроусилителем
Редуктор угловой рулевого управления
Гидроусилитель руля
Установка трубопроводов гидроусилителя рулевого управления
Установка трубопроводов гидроусилителя рулевого управления автобуса ЛиАЗ-525625
Установка трубопроводов гидросстемы рулевого управления автобуса ЛиАЗ-6212 (передняя секция)
Тормоз передний 410х180 DE
Разжимной механизм
Установка воздушных баллонов
Установка ручного тормоза обратного действия
Тормозной кран обратного действия с ручным управлением
Камера тормозная с энергоаккумулятором тип 12/20
Вспомогательный тормоз автобуса ЛиАЗ-525640 с механической КПП
Установка пневмосистемы (I)
Установка пневмосистемы (II)
Установка пневмосистемы автобуса ЛиАЗ-6212
Установка аккумуляторных батарей
Панель мотоотсека
Противоугонное устройство. Переключатель указателей поворота и звукового сигнала, комбинированный переключатель света
Выключатели, панели переключателей
Центральный щиток приборов автобуса ЛиАЗ-525640 с механической коробкой передач
Щит распределительный передний автобусов ЛиАЗ-525640, 525630, 525625
Щит распределительный передний автобуса ЛиАЗ-6212
Щит распределительный мотоотсека автобуса ЛиАЗ-525640
Щит распределительный мотоотсека автобуса ЛиАЗ-525640-3836110 (525630-3836110)
Щит приборов правый автобусов ЛиАЗ-525640
Щит распределительный мототсека автобуса ЛиАЗ-525625
Щит распределительный мототсека автобуса ЛиАЗ-525625
Е-панель КЭЩ-120Л-01Г
Рейсоуказатели (кронштейны, жгуты)
Звуковые сигналы
Внешние световые приборы
Запасные части, инструмент и принадлежности
Обзор
Обзор
Алюминиевая платформа
Централизованная смазка, блок ACU, потенциометр, разводка кабеля
Гидравлический цилиндр
Компоненты сочленения
Компоненты сочленения
Держатель средней рамы (портала)
Обзор сильфон 9965
Гарнитура сильфона в комплекте
Гарнитура сильфона в комплекте
Средняя рама в комплекте
Ремонтный набор сильфона
Программа диагностики ACU
Схема установки подшипников на автобусы ЛиАЗ-525630, ЛиАЗ-525640, ЛиАЗ-525625
Схема установки подшипников на автобус ЛиАЗ-6212
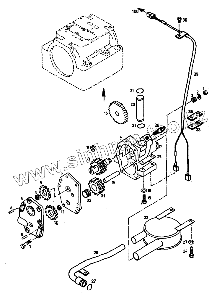
56.2270.12
1
2
3
3
4
4
5
6
7
8
8
9
10
11
12
13
15
16
17
18
19
20
21
21
22
23
24
25
26
27
28
29
30
31
31
32
33
33
Позиция на иллюстрации
Заводской номер детали
Название детали
56.2270.12
56.2270.12
Насос шестеренный усиленный
1
01.0483.87
Гайка шестигранная ВМ16х1,5 DIN 439 04/05
2
52.7745.10
Шайба
3
01.0397.93
Подшипник 28x35x16
4
56.2271.12
Корпус в сборе
4
50.5565.34
Корпус
5
54.5525.20
Крышка ZP
6
54.5526.20
Фланец промежуточный
7
01.0497.65
Болт шестигранный М8х40 DIN 933 8.8-А
8
01.0686.38
Штифт цилиндрический С10x40
9
52.9874.11
Шестерня цилиндрическая
10
56.1285.10
Шестерня в комплекте с валом
11
52.9872.11
Поводок
12
01.0708.56
Подшипник 22x26x10 DIN 5406
13
52.9873.10
Шестерня цилиндрическая
15
52.9871.12
Ось
16
52.6764.10
Шестерня цилиндрическая
17
90.0586.10
Штифт LG 14x30
18
01.0250.11
Шайба пружинная В10 DIN 137
19
01.0000.84
Болт шестигранный М10х45 DIN 931 8.8-А
20
50.5600.12
Труба
21
01.0042.21
Кольцо уплотнительное 29,2x3 VN 3014
22
56.3709.10
Фильтр сетчатый
23
01.0250.11
Шайба пружинная В10 DIN 137
24
01.0629.09
Болт шестигранный М10х20 DIN 933 8.8-А АЗС
25
50.7852.10
Компенсатор
26
56.2277.10
Трубопровод
27
01.0667.19
Кольцо уплотнительное 16,3x2,4 VN 3014
28
90.1265.12
Датчик индуктивный
29
56.2781.32
Провод к датчику индукции
30
01.0710.12
Болт шестигранный М8х10 DIN 933 8.8-А
31
50.5576.30
Шестерня цилиндрическая
31
58.2272.20
Шестерня в сборе
32
01.0033.30
Подшипник 22x28x20 DIN 618
33
54.7366.20
Пластина
Содержащиеся в справочниках-каталогах запасные части и детали не предлагаются к продаже, а носят исключительно информационный характер
Дополнительная информация
×
Название:
Номер:
Примечание: