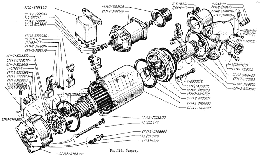
Каталог запасных частей к технике: ЛиАЗ 5256. Стартер
СТ142-3708018
СТ142-3708806
СТ142-3708330
СТ142-3708263
СТ142-3708264
СТ142-3708311
СТ142-3708403
СТ142-3708404
1/05194/01
СТ142-3708009
СТ142-3708011
СТ142-3708017
СТ142-3708020
СТ142-3708835
СТ142-3708016
1/11954/7
1/05170/1
1/05164/7
СТ142-3708805
СТ142-3708050
СТ142-3708060
СТ142-3708200
1/55404/21
СТ142-3708400
1/10304/2
СТ142-3708012
СТ142-3708260
1/01585/0
1/01588/0
СТ142-3708008
СТ142-3708004
СТ142-3708005
СТ142-3708006
СТ142-3708100
1/09030/2
СТ142-3708300
СТ142-3708300
СТ142-3708070
СТ142-3708091
СТ142-3708014
СТ142-3708600
СТ142-3708267
СТ142-3708405
СТ142-3708262
5320-3708800
СТ142-3708800
| Позиция на иллюстрации | Заводской номер детали | Название детали | |
|---|---|---|---|
| СТ142-3708018 | СТ142-3708018 | Шайба | |
| СТ142-3708806 | СТ142-3708806 | Сильфон | |
| 740.3708000 | 740.3708000 | Стартер в сборе | |
| СТ142-3708330 | СТ142-3708330 | Траверса | |
| СТ142-3708263 | СТ142-3708263 | Фильц | |
| СТ142-3708264 | СТ142-3708264 | Фильц | |
| СТ142-3708311 | СТ142-3708311 | Фильц | |
| СТ142-3708403 | СТ142-3708403 | Фильц | |
| СТ142-3708404 | СТ142-3708404 | Фильц | |
| 1/05194/01 | 1/05194/01 | Шайба 6х12 плоская | |
| СТ142-3708009 | СТ142-3708009 | Шайба | |
| СТ142-3708011 | СТ142-3708011 | Шайба | |
| СТ142-3708017 | СТ142-3708017 | Шайба | |
| СТ142-3708020 | СТ142-3708020 | Рычаг | |
| СТ142-3708835 | СТ142-3708835 | Шайба | |
| СТ142-3708016 | СТ142-3708016 | Шайба замковая | |
| 1/11954/7 | 1/11954/7 | Шайба пружинная | |
| 1/05170/1 | 1/05170/1 | Шайба пружинная 12 | |
| 1/05172/73 | 1/05172/73 | Шайба 16 пружинная | |
| 1/05164/7 | 1/05164/7 | Шайба пружинная 6 | |
| СТ142-3708805 | СТ142-3708805 | Шайба уплотнительная | |
| СТ142-3708050 | СТ142-3708050 | Щетка изолированная | |
| СТ142-3708060 | СТ142-3708060 | Щетка неизолированная | |
| СТ142-3708200 | СТ142-3708200 | Якорь | |
| 1/55404/21 | 1/55404/21 | Болт М12х1,25х30 | |
| СТ142-3708400 | СТ142-3708400 | Крышка со отороны привода | |
| 1/10304/2 | 1/10304/2 | Болт | |
| СТ142-3708012 | СТ142-3708012 | Гайка М12 | |
| 1/21641/11 | 1/21641/11 | Гайка М16х1,5 крепления стартера | |
| СТ142-3708260 | СТ142-3708260 | Держатель подшипников | |
| 1/01585/0 | 1/01585/0 | Заглушка диаметр 14 | |
| 1/01588/0 | 1/01588/0 | Заглушка диаметр 20 | |
| СТ142-3708008 | СТ142-3708008 | Кольцо Н2-20х16 | |
| СТ142-3708004 | СТ142-3708004 | Кольцо уплотнительное | |
| СТ142-3708005 | СТ142-3708005 | Кольцо уплотнительное | |
| СТ142-3708006 | СТ142-3708006 | Кольцо уплотнительное | |
| СТ142-3708100 | СТ142-3708100 | Корпус | |
| 1/09030/2 | 1/09030/2 | Болт | |
| СТ142-3708300 | СТ142-3708300 | Крышка со стороны коллектора | |
| СТ142-3708070 | СТ142-3708070 | Ось рычага | |
| СТ142-3708091 | СТ142-3708091 | Перемычка | |
| СТ142-3708014 | СТ142-3708014 | Пластина | |
| Б.180 | Б.180 | Подшипник шариковый радиальный однорядный | |
| СТ142-3708600 | СТ142-3708600 | Привод | |
| СТ142-3708267 | СТ142-3708267 | Пробка | |
| СТ142-3708405 | СТ142-3708405 | Прокладка | |
| СТ142-3708262 | СТ142-3708262 | Прокладка | |
| 5320-3708800 | 5320-3708800 | Реле | |
| СТ142-3708800 | СТ142-3708800 | Реле |
Содержащиеся в справочниках-каталогах запасные части и детали не предлагаются к продаже, а носят исключительно информационный характер