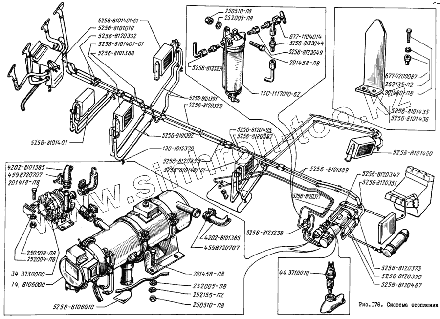
Каталог запасных частей к технике: ЛиАЗ 5256. Система отопления
5256-8120347
45 9872 0707
45 9872 0707
130-1117010-62
5256-8123238
5256-8123234
5256-8120495
5256-8120332
5256-8120329
5256-8120487
5256-8120387
5256-8120377
5256-8120353
5256-8120351
5256-8101388
34.3730000
5256-8123049
5256-8123044
4202-8101385
5256-8101392
5256-8101391
5256-8101389
5256-8120350
4202-8101385
252155-П2
252135-П2
252005-П8
252005-П8
252004-П8
5256-8106010
677-7200087
250510-П8
250508-П8
201460-П8
201458-П8
201458-П8
201418-П8
250510-П8
5256-8120373
44.3710010
14.8106000
5256-8101401
5256-8101400
5256-8101010
5256-8101401-01
5256-8101401-01
5256-8101401-01
5256-8101436
5256-8101435
130-1015370
677-1104014
| Позиция на иллюстрации | Заводской номер детали | Название детали | |
|---|---|---|---|
| 5256-8120347 | 5256-8120347 | Труба подводящая | |
| 45 9872 0707 | 45 9872 0707 | Хомут 50 | |
| 379954 | 379954 | Хомут 32 | |
| 5256-8123230 | 5256-8123230 | Хомут | |
| 5256-8120401 | 5256-8120401 | Хомут | |
| 130-1117010-62 | 130-1117010-62 | Фильтр тонкой очистки в сборе | |
| 5256-8101258 | 5256-8101258 | Тяга в сборе | |
| 5256-8133236 | 5256-8133236 | Труба топливопровода в сборе | |
| 5256-8123238 | 5256-8123238 | Труба топливопровода в сборе | |
| 5256-8123234 | 5256-8123234 | Труба топливопровода в сборе | |
| 5256-8120495 | 5256-8120495 | Труба подводящая | |
| 5256-8120378 | 5256-8120378 | Хомут трубопровода | |
| 5256-8120344 | 5256-8120344 | Труба подводящая | |
| 5256-8120341 | 5256-8120341 | Труба подводящая | |
| 5256-8120340 | 5256-8120340 | Труба подводящая | |
| 5256-8120332 | 5256-8120332 | Труба подводящая | |
| 5256-8120329 | 5256-8120329 | Труба подводящая | |
| 5256-8120487 | 5256-8120487 | Труба отводящая | |
| 5256-8120387 | 5256-8120387 | Труба отводящая | |
| 5256-8120377 | 5256-8120377 | Труба отводящая | |
| 5256-8120353 | 5256-8120353 | Труба отводящая | |
| 5256-8120351 | 5256-8120351 | Труба отводящая | |
| 5256-8101388 | 5256-8101388 | Шланг трубопровода отопления | |
| 34.3730000 | 34.3730000 | Электродвигатель с насосом в сборе | |
| 5256-8123045 | 5256-8123045 | Штуцер фильтра | |
| 5256-8123049 | 5256-8123049 | Штуцер | |
| 5256-8123044 | 5256-8123044 | Штуцер | |
| 4202-8101385 | 4202-8101385 | Шланг трубопровода отопления | |
| 5256-8101541 | 5256-8101541 | Шланг трубопровода отопления | |
| 5256-8101488 | 5256-8101488 | Шланг трубопровода отопления | |
| 5256-8101392 | 5256-8101392 | Шланг трубопровода отопления | |
| 5256-8101391 | 5256-8101391 | Шланг трубопровода отопления | |
| 5256-8101389 | 5256-8101389 | Шланг трубопровода отопления | |
| 5256-8120350 | 5256-8120350 | Труба отводящая | |
| 4202-8101385 | 4202-8101385 | Шланг трубопровода отопления | |
| 4202-8101470 | 4202-8101470 | Шланг прокладки | |
| 5256-8102076 | 5256-8102076 | Шланг обогрева стекол | |
| 252155-П2 | 252155-П2 | Шайба 8 пружинная | |
| 252135-П2 | 252135-П2 | Шайба 8 пружинная | |
| 252005-П8 | 252005-П8 | Шайба 8 | |
| 252004-П8 | 252004-П8 | Шайба 6 | |
| 252132-П8 | 252132-П8 | Шайба 4 пружинная | |
| 252006-П8 | 252006-П8 | Шайба 10 | |
| 5256-8120380 | 5256-8120380 | Хомут трубопровода | |
| 220078-П8 | 220078-П8 | Винт М5х12 | |
| 5256-8101016 | 5256-8101016 | Кожух в сборе | |
| 5256-8106010 | 5256-8106010 | Глушитель в сборе | |
| 677-7200087 | 677-7200087 | Гайка-шуруп | |
| 250510-П8 | 250510-П8 | Гайка М8х1 | |
| 250508-П8 | 250508-П8 | Гайка М6х1 | |
| 250464-П8 | 250464-П8 | Гайка М5 | |
| 45 9562 1609 | 45 9562 1609 | Гайка М10х1,25 | |
| 5256-8101187 | 5256-8101187 | Гайка | |
| 677-3711054 | 677-3711054 | Втулка проводов фары | |
| 5256-8101394 | 5256-8101394 | Втулка | |
| 5256-8101364 | 5256-8101364 | Кран отопления | |
| 224571-П8 | 224571-П8 | Винт М4х10 | |
| 5256-8101197 | 5256-8101197 | Винт | |
| 4202-5713766 | 4202-5713766 | Винт | |
| 5256-8106150 | 5256-8106150 | Вентиль запорный | |
| 5256-8106184 | 5256-8106184 | Вентиль выпускной | |
| 201466-П8 | 201466-П8 | Болт М8х45 | |
| 201460-П8 | 201460-П8 | Болт М8х30 | |
| 201458-П8 | 201458-П8 | Болт М8х25 | |
| 201418-П8 | 201418-П8 | Болт М6х16 | |
| 250510-П8 | 250510-П8 | Гайка М8х1 | |
| 5256-8120070 | 5256-8120070 | Патрубок | |
| 5256-8120373 | 5256-8120373 | Труба | |
| 5256-8120349 | 5256-8120349 | Труба | |
| 44.3710010 | 44.3710010 | Термовключатель в сборе | |
| 5256-8101165 | 5256-8101165 | Скоба | |
| 5256-8101158 | 5256-8101158 | Скоба | |
| 14.8106000 | 14.8106000 | Подогреватель в сборе | |
| 677-1714096 | 677-1714096 | Пластина крепления трубок | |
| 5256-8101438 | 5256-8101438 | Пластина | |
| 5256-8101437 | 5256-8101437 | Пластина | |
| 5256-8101427 | 5256-8101427 | Пластина | |
| 201505-П8 | 201505-П8 | Болт М10х45 | |
| 5256-8101401 | 5256-8101401 | Отопитель салона в сборе | |
| 5256-8101400 | 5256-8101400 | Отопитель салона в сборе | |
| 5256-8101010 | 5256-8101010 | Отопитель салона передний в сборе | |
| 5256-8101401-01 | 5256-8101401-01 | Отопитель кузова в сборе | |
| 5256-8120410 | 5256-8120410 | Кронштейн | |
| 5256-8101436 | 5256-8101436 | Кронштейн | |
| 5256-8101435 | 5256-8101435 | Кронштейн | |
| 5256-8101433 | 5256-8101433 | Кронштейн | |
| 130-1015370 | 130-1015370 | Кран сливной в сборе | |
| 677-1104014 | 677-1104014 | Кран проходной бензиновый в сборе |
Содержащиеся в справочниках-каталогах запасные части и детали не предлагаются к продаже, а носят исключительно информационный характер