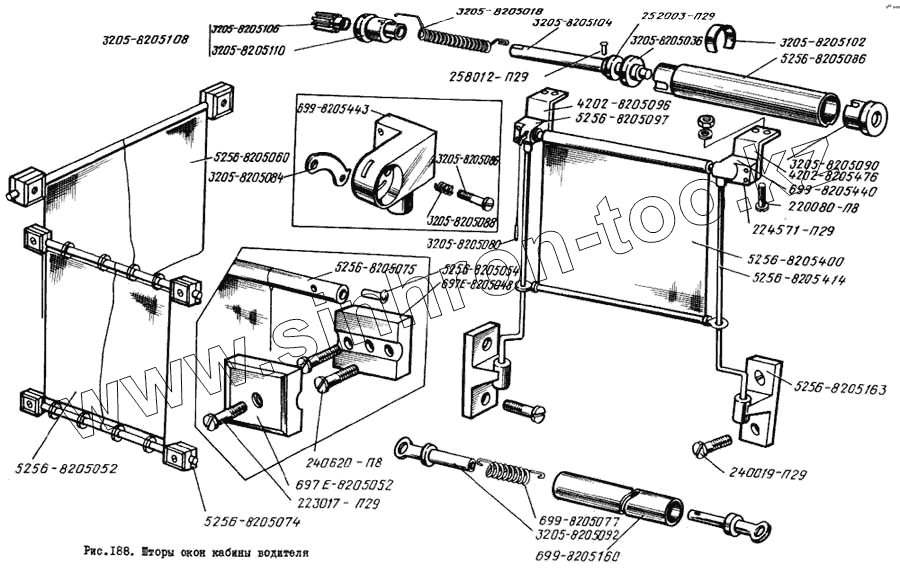
Каталог запасных частей к технике: ЛиАЗ 5256. Шторы окон кабины водителя
3205-8205084
5256-8205054
3205-8205018
3205-8205088
699-8205077
5256-8205074
5256-8205075
3205-8205036
3205-8205102
3205-8205104
5256-8205163
3205-8205106
252003-П29
3205-8205080
258012-П29
5256-8205052
5256-8205060
5256-8205400
4202-8205476
223017-П29
224571-П29
240019-П29
240620-П8
220080-П8
699-8205160
3205-8205110
3205-8205108
3205-8205090
4202-8205096
5256-8205086
699-8205443
5256-8205097
699-8205440
697Е-8205048
697Е-8205052
3205-8205092
5256-8205414
3205-8205086
| Позиция на иллюстрации | Заводской номер детали | Название детали | |
|---|---|---|---|
| 3205-8205084 | 3205-8205084 | Собачка | |
| 5256-8205422 | 5256-8205422 | Ось шторки в сборе | |
| 3205-8205082 | 3205-8205082 | Ось шторки переднего окна в сборе | |
| 5256-8205054 | 5256-8205054 | Пистон | |
| 3205-8205018 | 3205-8205018 | Пружина | |
| 3205-8205088 | 3205-8205088 | Пружина собачки | |
| 699-8205077 | 699-8205077 | Пружина шторки | |
| 5256-8205074 | 5256-8205074 | Пруток шторки | |
| 5256-8205075 | 5256-8205075 | Пруток шторки | |
| 3205-8205036 | 3205-8205036 | Пыж | |
| 3205-8205102 | 3205-8205102 | Скоба | |
| 3205-8205104 | 3205-8205104 | Ось шторки | |
| 5256-8205163 | 5256-8205163 | Упор | |
| 3205-8205106 | 3205-8205106 | Храповик | |
| 252003-П29 | 252003-П29 | Шайба 5 | |
| 3205-8205080 | 3205-8205080 | Шнурок шторки с наконечником | |
| 258012-П29 | 258012-П29 | Шплинт 2х12 | |
| 5256-8205052 | 5256-8205052 | Штора кабины водителя задняя в сборе | |
| 5256-8205060 | 5256-8205060 | Шторка боковая | |
| 5256-8205401 | 5256-8205401 | Шторка переднего окна | |
| 5256-8205400 | 5256-8205400 | Шторка переднего окна в сборе | |
| 4202-8205476 | 4202-8205476 | Кронштейн шторки | |
| 223017-П29 | 223017-П29 | Бинт М4х22 | |
| 224571-П29 | 224571-П29 | Винт М4х10 | |
| 240019-П29 | 240019-П29 | Винт М4х16 | |
| 240620-П8 | 240620-П8 | Винт М4х18 | |
| 220080-П8 | 220080-П8 | Винт М5х16 | |
| 699-8205160 | 699-8205160 | Держатель шторки | |
| 3205-8205110 | 3205-8205110 | Заглушка барабана левая | |
| 3205-8205108 | 3205-8205108 | Заглушка барабана левая в сборе | |
| 3205-8205090 | 3205-8205090 | Заглушка барабана правая | |
| 4202-8205096 | 4202-8205096 | Кронштейн шторки | |
| 5256-8205086 | 5256-8205086 | Барабан шторки | |
| 699-8205443 | 699-8205443 | Кронштейн шторки левый | |
| 5256-8205097 | 5256-8205097 | Кронштейн шторки левый в сборе | |
| 699-8205440 | 699-8205440 | Кронштейн шторки правый в сборе | |
| 697Е-8205048 | 697Е-8205048 | Кронштейн № 1 крепления прутка | |
| 697Е-8205052 | 697Е-8205052 | Накладка кронштейна | |
| 3205-8205092 | 3205-8205092 | Наконечник | |
| 5256-8205414 | 5256-8205414 | Направляющая | |
| 5256-8205416 | 5256-8205416 | Направляющая | |
| 3205-8205086 | 3205-8205086 | Ось собачки |
Содержащиеся в справочниках-каталогах запасные части и детали не предлагаются к продаже, а носят исключительно информационный характер