Вернуться на главную
Поиск
Каталоги запчастей к технике
Автобусы
ЛиАЗ
ЛиАЗ 5256
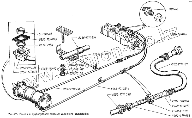
Шланги и трубопроводы системы масляного охлаждения
Каталог запасных частей к технике: ЛиАЗ 5256. Шланги и трубопроводы системы масляного охлаждения
zoom-in
zoom-out
enlarge
shrink
circle-right
circle-left
file-text2
info
cart
Тип техники
Не выбрано
Легковые автомобили
Грузовые автомобили и прицепы
Автобусы
Сельхозтехника
Спецтехника
Двигатели
Мототехника
Марка
Не выбрано
Golden Dragon
Hyundai
Ikarus
Karosa
King Long
Neoplan
Yutong
ZF
АМАЗ
Богдан
ЗИЛ
КАВЗ
Камский автозавод
ЛАЗ
ЛЗГМП
ЛиАЗ
Нефтекамский автозавод
ПАЗ
УралАЗ
Модель
Не выбрано
KNORR-BREMSE применяемых на технике ЛиАЗ
ЛиАЗ 5256
ЛиАЗ 677
ЛиАЗ-5256, 6212 (2006) (2006)
Схема
>
Не выбрано
Каркас кузова
Основание
Панели и мягкий настил пола
Стеклоомыватель и стеклоочиститель
Каркас передка с облицовкой
Арматурный щиток
Каркас правой боковины
Каркас левой боковины
Изоляция, облицовка, обивка и установка окон правой боковины
Изоляция, облицовка, обивка и установка окон левой боковины
Ящик инструментальный и ящик распределительного щитка
Двери
Каркас, облицовка и обивка задка
Каркас задка с обивкой
Крыша
Обшивка и обивка крыши
Аварийно-вентиляционный люк
Двери пассажирские (низ)
Двери пассажирские (верх)
Двери пассажирские
Выравниватели дверей
Механизм привода дверей и крышка кожуха дверных механизмов
Кожух пневмотрубки
Сиденье водителя
Сиденье одноместное
Сиденье двухместное
Сиденье двухместное
Сиденье многоместное
Перегородки водителя
Принудительная вентиляция
Система отопления
Система отопления
Шланги обогрева стекол и отопления
Отопитель салона передний
Отопитель кузова
Вентиляторы, корпус и жгут переднего отопителя
Радиатор переднего отопителя
Привод управления отопителем
Рамка и шторка переднего отопителя
Поручни
Принадлежности
Рейсоуказатели
Рейсоуказатель малый
Зеркала
Шторы окон кабины водителя
Оперение
Установка брызговиков
Подножки
Двигатель в сборе
Подвеска двигателя и гидропередачи
Блок цилиндров
Головка цилиндров
Поршни и шатуны
Коленчатый вал
Маховик
Вал распределительный, клапаны и толкатели клапанов
Коллектор выпускной
Картер масляный двигателя
Масляный насос
Масляный насос
Фильтр полнопоточный очистки масла
Вентиляция картера двигателя
Фильтр центробежный очистки масла
Привод агрегатов
Привод топливного насоса высокого давления
Бак топливный и пробка топливного бака
Трубопроводы топливные
Трубопроводы топливные (схема соединений)
Фильтр грубой очистки масла
Насос топливный низкого давления
Привод управления регулятором числа оборотов двигателя и останова
Привод управления регулятором числа оборотов двигателя и останова
Цилиндр пневматический
Клапан пневмоэлектрический
Клапан пневмоэлектрический
Фильтр воздушный
Регулятор частоты вращения коленчатого вала двигателя
Насос топливный высокого давления
Форсунка
Коллектор впускной
Труба приемная, фильтр и клапан электромагнитный
Фильтр тонкой очистки топлива
Муфта опережения впрыска топлива
Насос ручной топливоподкачивающий
Система выпуска газа
Глушитель выхлопа
Система охлаждения масла двигателя
Радиатор и его подвеска
Трубопроводы двигателя, термостаты
Трубопроводы и соединения теплообменника
Насос водяной
Муфта включения вентилятора
Натяжная опора и ремни
Клапан включения муфты вентилятора
Бачек расширительный
Передача гидромеханическая (узлы и детали)
Передача гидромеханическая (узлы и детали)
Картер коробки передач со шпильками
Картер коробки передач
Теплообменник водомасляный
Вал первичный
Вал вторичный
Вал промежуточный первый
Вал промежуточный второй
Фрикцион передний
Фрикцион двойной
Фрикцион понижающих передач
Переключатель периферийных золотников
Насос масляный передний
Насос масляный задний
Элемент фильтрующий
Поддон масляный
Указатель уровня масла
Картер гидротрансформатора
Гидротрансформатор
Статор гидротрансформатора
Тормоз-замедлитель
Регулятор давления гидротрансформатора
Регулятор давления
Клапан блокировки
Клапан управления замедлителем
Шланги и трубопроводы системы масляного охлаждения
Фильтр масляный
Вал карданный
Картер заднего моста и картер центрального редуктора
Дифференциал
Полуось и колесная передача
Бампер передний и бампер задний
Передняя подвеска
Задняя подвеска
Штанги передней и задней подвесок
Регулятор положения кузова
Ось передняя, поворотные кулаки
Тяга сошки рулевого механизма
Поперечная рулевая тяга
Колесо и удлинитель вентиля
Ступица переднего колеса, тормозной барабан
Ступица колеса и барабан тормоза
Держатель запасного колеса
Лебедка держателя
Рулевое управление
Рулевой механизм
Рулевая колонка
Вал карданный рулевого управления
Угловой редуктор
Гидроусилитель руля
Насос гидроусилителя руля
Трубопроводы и шланги гидроусилителя рулевого управления
Механизм тормозов
Тормоз передний левый
Механизм разжимной
Клин
Привод тормозного крана
Трубопроводы
Соединение трубопроводов
Соединение трубопроводов
Компрессор
Установка влагоотделителя
Воздушные баллоны
Воздушные баллоны
Клапан слива конденсата
Кран обратного действия
Кран тормозной обратного действия
Клапан двухмагистральный перепускной
Электромагниты, жгут штепсельного разъема
Схема принципиальная электрическая
Электрооборудование
Электрооборудование
Электрооборудование
Установка генератора
Батарея аккумуляторная
Стартер
Выключатели, панели переключателей
Внешние световые приборы
Панель щитка приборов с приборами
Рейсоуказатель (кронштейны, жгуты)
Щит распределительный электромонтажный, жгуты, ЭСАУ
Жгут панели щитка приборов (схема подключения)
Панель щитка приборов с приборами
Панель выключателей мотоотсека
Щит распределительный мотоотсека
Щит распределительный
Счетчик пройденного пути
Электрооборудование и радиооборудование
Инструмент и принадлежности
Домкраты противооткатные, упор, огнетушители
Домкрат
Противоугонное устройство
Схема установки подшипников
5256-1714245
419913
4202-1714098
5256-1714136
4202-1714160
4202-1714162
252155-П2
252005-П29
5256-1714138
5256-1714244
19-1712756
5256-1714214
5256-1714075
5256-1714247
5256-1714134
4202-1714174
4202-1714168
4202-1714170
19-1712759
417463-П29
250510-П8
Позиция на иллюстрации
Заводской номер детали
Название детали
5256-1714245
5256-1714245
Труба левая
419913
419913
Проходник
4202-1714098
4202-1714098
Штуцер приварной
5256-1714136
5256-1714136
Штуцер
4202-1714160
4202-1714160
Шланг с наконечниками в сборе
4202-1714162
4202-1714162
Шланг (рукав 32-15-558)
252155-П2
252155-П2
Шайба 8 пружинная
252005-П29
252005-П29
Шайба 8
5256-1714138
5256-1714138
Фланец
5256-1714244
5256-1714244
Труба правая
5256-1714242
5256-1714242
Труба охлаждения масла ГМП правая в сборе
5256-1714243
5256-1714243
Труба охлаждения масла ГМП левая в сборе
19-1712756
19-1712756
Втулка переходная
5256-1714214
5256-1714214
Прокладка
5256-1714075
5256-1714075
Прокладка
5256-1714247
5256-1714247
Прижим
5256-1714134
5256-1714134
Патрубок охлаждения масла ГМП в сборе
4202-1714174
4202-1714174
Оплетка защитная
4202-1714168
4202-1714168
Наконечник шланга
4202-1714170
4202-1714170
Муфта наконечника обжимная
19-1712759
19-1712759
Кольцо 050-054-25-2-1
417463-П29
417463-П29
Гайка накидная
250511-П8
250511-П8
Гайка М8х1
250510-П8
250510-П8
Гайка М8х1
Содержащиеся в справочниках-каталогах запасные части и детали не предлагаются к продаже, а носят исключительно информационный характер
Дополнительная информация
×
Название:
Номер:
Примечание: