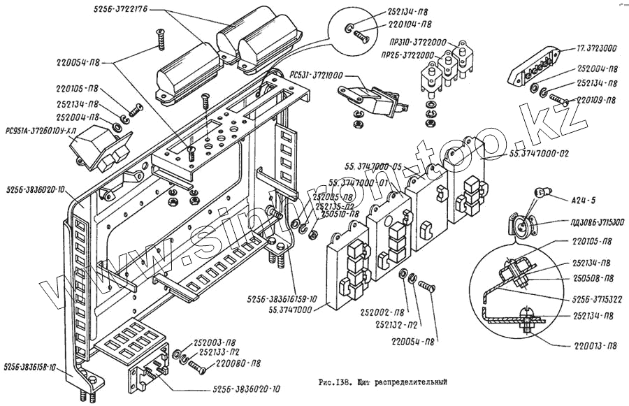
Каталог запасных частей к технике: ЛиАЗ 5256. Щит распределительный
252003-П8
ПР310-3722000
РС951А-3726010-У-ХЛ
252005-П8
252135-П2
250510-П8
252002-П8
252133-П2
ПР2Б-3722000
252004-П8
252004-П8
252134-П8
252134-П8
252134-П8
252134-П8
252134-П8
220105-П8
220105-П8
252132-П2
250508-П8
220109-П8
А24-5
РС531-3721000
5256-3722176
55.3747000-02
55.3747000
55.3747000-01
220054-П8
220054-П8
220080-П8
220013-П8
220104-П8
55.3747000-05
5256-3836158-10
5256-3836159-10
5256-3715322
ПД308Б-3715300
5256-3836020-10
5256-3836020-10
17.3723000
| Позиция на иллюстрации | Заводской номер детали | Название детали | |
|---|---|---|---|
| 252003-П8 | 252003-П8 | Шайба 5 | |
| ПР310-3722000 | ПР310-3722000 | Предохранитель термобиметаллический | |
| РС951А-3726010-У-ХЛ | РС951А-3726010-У-ХЛ | Прерыватель указателей поворота | |
| 5256-3836010-10 | 5256-3836010-10 | Щит распределительный в сборе | |
| 252005-П8 | 252005-П8 | Шайба 8 | |
| 252135-П2 | 252135-П2 | Шайба 8 пружинная | |
| 250510-П8 | 250510-П8 | Гайка М8х1 | |
| 252002-П8 | 252002-П8 | Шайба 4 | |
| 252133-П2 | 252133-П2 | Шайба 5 | |
| ПР2Б-3722000 | ПР2Б-3722000 | Предохранитель термобиметаллический | |
| 252004-П8 | 252004-П8 | Шайба 6 | |
| 252134-П8 | 252134-П8 | Шайба 6 | |
| 220105-П8 | 220105-П8 | Винт М6х16 | |
| 252132-П2 | 252132-П2 | Шайба 4 | |
| 250508-П8 | 250508-П8 | Гайка М6х1 | |
| 220109-П8 | 220109-П8 | Винт М6х25 | |
| А24-5 | А24-5 | Лампа | |
| РС531-3721000 | РС531-3721000 | Зуммер (сигнал из салона водителю) | |
| 5256-3722176 | 5256-3722176 | Блок предохранителей в сборе | |
| 55.3747000-02 | 55.3747000-02 | Блок реле дополнительного электрооборудования | |
| 55.3747000 | 55.3747000 | Блок реле наружного освещения и сигнализации | |
| 55.3747000-01 | 55.3747000-01 | Блок реле сигнализации и управления тормозной системы | |
| 220054-П8 | 220054-П8 | Винт М4х16 | |
| 220080-П8 | 220080-П8 | Винт М5х16 | |
| 220013-П8 | 220013-П8 | Винт М6х12 | |
| 220104-П8 | 220104-П8 | Винт М6х14 | |
| 55.3747000-05 | 55.3747000-05 | Блок полупроводниковых диодов | |
| 5256-3836158-10 | 5256-3836158-10 | Кронштейн в сборе | |
| 5256-3836159-10 | 5256-3836159-10 | Кронштейн в сборе | |
| 5256-3715322 | 5256-3715322 | Кронштейн лампы подкапотной | |
| ПД308Б-3715300 | ПД308Б-3715300 | Лампа подкапотная ПД308-Б (поз. Е35) | |
| 5256-3836020-10 | 5256-3836020-10 | Основание в сборе | |
| 17.3723000 | 17.3723000 | Панель соединительная | |
| 5256-3723248-10 | 5256-3723248-10 | Панель соединительная в сборе |
Содержащиеся в справочниках-каталогах запасные части и детали не предлагаются к продаже, а носят исключительно информационный характер