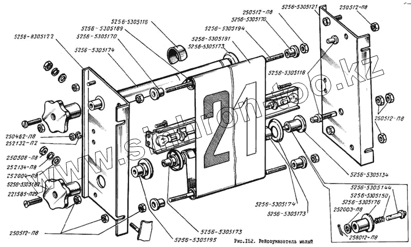
Каталог запасных частей к технике: ЛиАЗ 5256. Рейсоуказатель малый
5256-5305150
252003-П8
5256-5305191
5256-5305173
5256-5305173
5256-5305173
258012-П8
252134-П8
252004-П8
252132-П2
5256-5305170
5256-5305170
5256-5305118
5256-5305194
5256-5305116
5256-5305182
5256-5305174
5256-5305174
5256-5305144
5256-5305189
5256-5305122
5256-5305121
5256-5305134
5256-5305176
250508-П8
250462-П8
250512-П8
250512-П8
250512-П8
250512-П8
5256-5305195
221585-П29
| Позиция на иллюстрации | Заводской номер детали | Название детали | |
|---|---|---|---|
| 5256-5305150 | 5256-5305150 | Пружина | |
| 252003-П8 | 252003-П8 | Шайба 5 | |
| 5256-5305191 | 5256-5305191 | Экран | |
| 5256-5305173 | 5256-5305173 | Щека левая | |
| 258012-П8 | 258012-П8 | Шплинт 2х12 | |
| 252134-П8 | 252134-П8 | Шайба 6 | |
| 252004-П8 | 252004-П8 | Шайба 6 | |
| 252132-П2 | 252132-П2 | Шайба 4 | |
| 5256-5305170 | 5256-5305170 | Фиксатор | |
| 5256-5305118 | 5256-5305118 | Упор | |
| 5256-5305194 | 5256-5305194 | Стяжка | |
| 5256-5305116 | 5256-5305116 | Скоба | |
| 5256-5305182 | 5256-5305182 | Ручка | |
| 5256-5305174 | 5256-5305174 | Ролик съемный | |
| 224570-П8 | 224570-П8 | Винт М4х8 | |
| 5256-5305144 | 5256-5305144 | Ось | |
| 5256-5305189 | 5256-5305189 | Направляющая | |
| 5256-5305122 | 5256-5305122 | Кронштейн правый | |
| 5256-5305121 | 5256-5305121 | Кронштейн левый в сборе | |
| 5256-3714282 | 5256-3714282 | Кронштейн маршрутоуказателя малый в сборе | |
| 5256-5305134 | 5256-5305134 | Заглушка правая в сборе | |
| 5256-5305176 | 5256-5305176 | Заглушка правая | |
| 250508-П8 | 250508-П8 | Гайка М6х1 | |
| 250462-П8 | 250462-П8 | Гайка М4 | |
| 250517-П29 | 250517-П29 | Гайка М10х1,25 | |
| 250512-П8 | 250512-П8 | Гайка М10х1,5 | |
| 5256-5305195 | 5256-5305195 | Втулка тормозная | |
| 221585-П29 | 221585-П29 | Винт М5х28 |
Содержащиеся в справочниках-каталогах запасные части и детали не предлагаются к продаже, а носят исключительно информационный характер