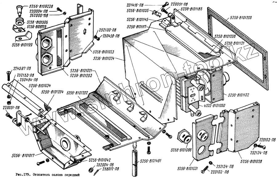
Каталог запасных частей к технике: ЛиАЗ 5256. Отопитель салона передний
5256-8101204
5256-8101028
5256-8101031
5256-8101021
5256-8101088
5256-8101121
5256-8101035
5256-8101200
5256-8101202
5256-8101203
5256-8101024
4202-8101060
5256-8101506
5256-8101208
252000-П8
252130-П8
252153-П8
252004-П8
252134-П8
252134-П8
5256-8101491
258012-П8
220004-П8
220051-П8
220051-П8
224597-П8
220103-П8
220103-П8
250458-П8
250464-П8
5256-8109228
5256-8101034
5256-8101017
201416-П8
5256-8101132
5256-8101199
5256-8109226
5256-8101145
5256-8101185
5256-8101117
5256-8101042
5256-8101023
| Позиция на иллюстрации | Заводской номер детали | Название детали | |
|---|---|---|---|
| 5256-8101204 | 5256-8101204 | Прокладка | |
| 5256-8101028 | 5256-8101028 | Панель кожуха переднего отопителя | |
| 5256-8101031 | 5256-8101031 | Панель кожуха переднего отопителя | |
| 5256-8101021 | 5256-8101021 | Панель кожуха переднего отопителя в сборе | |
| 5256-8101088 | 5256-8101088 | Патрубок | |
| 5256-8101121 | 5256-8101121 | Петля крышки в сборе | |
| 5256-8101035 | 5256-8101035 | Прижим | |
| 5256-8101200 | 5256-8101200 | Прокладка | |
| 5256-8101201 | 5256-8101201 | Прокладка | |
| 5256-8101202 | 5256-8101202 | Прокладка | |
| 5256-8101203 | 5256-8101203 | Прокладка | |
| 5256-8101024 | 5256-8101024 | Панель кожуха переднего отопителя | |
| 4202-8101060 | 4202-8101060 | Радиатор переднего отопителя в сборе | |
| 5256-8101506 | 5256-8101506 | Ролик | |
| 5256-8101208 | 5256-8101208 | Уплотнитель | |
| 252000-П8 | 252000-П8 | Шайба 3 | |
| 252130-П8 | 252130-П8 | Шайба 3 | |
| 252153-П8 | 252153-П8 | Шайба 5 | |
| 252004-П8 | 252004-П8 | Шайба 6 | |
| 252134-П8 | 252134-П8 | Шайба 6 | |
| 5256-8101491 | 5256-8101491 | Шланг | |
| 258012-П8 | 258012-П8 | Шплинт 2х12 | |
| 5256-8101020 | 5256-8101020 | Кожух переднего отопителя в сборе | |
| 220004-П8 | 220004-П8 | Винт М3х10 | |
| 220051-П8 | 220051-П8 | Винт М4х10 | |
| 224597-П8 | 224597-П8 | Винт М5х10 | |
| 220103-П8 | 220103-П8 | Винт М6х12 | |
| 250458-П8 | 250458-П8 | Гайка М3 | |
| 250464-П8 | 250464-П8 | Гайка М5 | |
| 5256-8109228 | 5256-8109228 | Заклепка специальная | |
| 5256-8101034 | 5256-8101034 | Заслонка | |
| 5256-8101017 | 5256-8101017 | Кожух в сборе | |
| 5256-8101019 | 5256-8101019 | Кожух в сборе | |
| 201416-П8 | 201416-П8 | Болт М6х12 | |
| 5256-8101132 | 5256-8101132 | Корпус с вентиляторами в сборе | |
| 5256-8101199 | 5256-8101199 | Кронштейн | |
| 5256-8109226 | 5256-8109226 | Кронштейн | |
| 5256-8101145 | 5256-8101145 | Кронштейн в сборе | |
| 5256-8101185 | 5256-8101185 | Кронштейн в сборе | |
| 5256-8101117 | 5256-8101117 | Крышка | |
| 5256-8101042 | 5256-8101042 | Ось заслонки в сборе | |
| 5256-8101010 | 5256-8101010 | Отопитель салона передний в сборе | |
| 5256-8101023 | 5256-8101023 | Панель кожуха переднего отопителя |
Содержащиеся в справочниках-каталогах запасные части и детали не предлагаются к продаже, а носят исключительно информационный характер