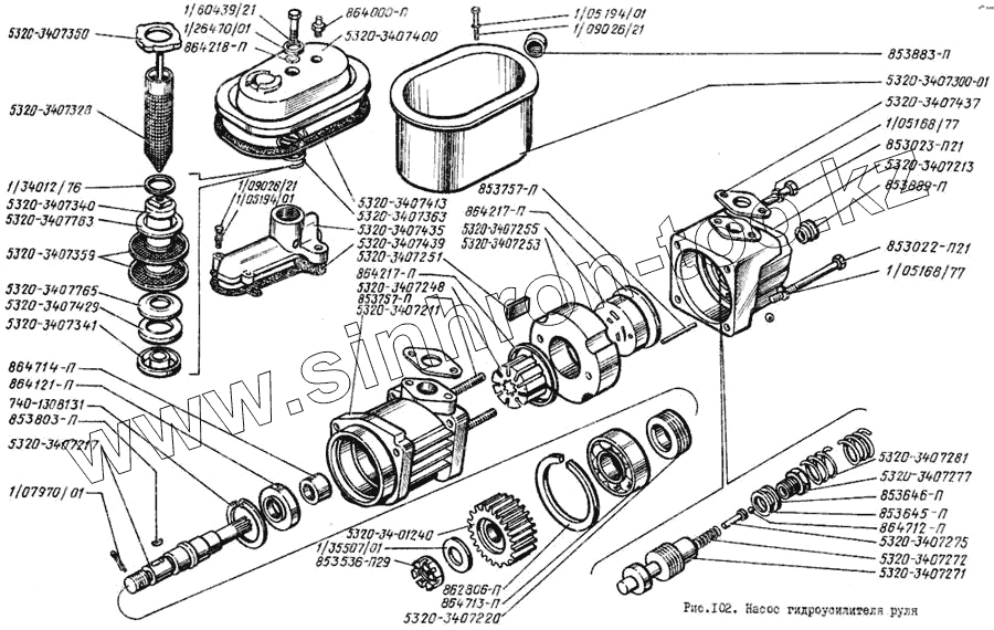
Каталог запасных частей к технике: ЛиАЗ 5256. Насос гидроусилителя руля
5320-3407281
5320-3407253
5320-3407277
5320-3407248
5320-3407363
5320-3407272
5320-3407340
5320-3407413
5320-3407437
5320-3407439
853889-П
853883-П
5320-3407350
864000-П
1/05168/73
5320-3407359
853757-П
853757-П
853803-П
1/07970/01
5320-3407240
864712-П
864712-П
853646-П
853645-П
1/05168/77
1/26470/01
1/05194/01
1/05194/01
5320-3407328
5320-3407217
740.1308131
5320-3407435
5320-3407271
5320-3407341
5320-3407255
853536-П29
1/35507/01
5320-3407220
1/60439/21
1/09026/21
1/09026/21
853023-П21
853022-П21
864713-П
864714-П
864714-П
5320-3407765
5320-3407763
5320-3407275
5320-3407429
864121-П
5320-3407251
5320-3407300-01
4310-3407213
5320-3407400
5320-3407211
862806-П
864218-П
864217-П
864217-П
1/34012/76
| Позиция на иллюстрации | Заводской номер детали | Название детали | |
|---|---|---|---|
| 5320-3407281 | 5320-3407281 | Пружина перепускного клапана | |
| 5320-3407361 | 5320-3407361 | Труба фильтра насоса | |
| 740.3407116 | 740.3407116 | Труба низкого давления насоса в сборе | |
| 5320-3407253 | 5320-3407253 | Статор насоса | |
| 870921 | 870921 | Скоба | |
| 5320-3407330 | 5320-3407330 | Сетка заливного фильтра | |
| 864843-П | 864843-П | Седло уплотнительное | |
| 5320-3407277 | 5320-3407277 | Седло предохранительного клапана | |
| 5320-3407248 | 5320-3407248 | Ротор насоса | |
| 5320-3407363 | 5320-3407363 | Пружина фильтра | |
| 5320-3407272 | 5320-3407272 | Пружина предохранительного клапана | |
| 5320-3407340 | 5320-3407340 | Труба фильтра с днищем в сборе | |
| 864124 | 864124 | Пружина манжеты 24х46 | |
| 5320-3407413 | 5320-3407413 | Прокладка уплотнительная крышки бачка | |
| 5320-3407437 | 5320-3407437 | Прокладка уплотнительная | |
| 740.3407034 | 740.3407034 | Прокладка трубы высокого давления насоса | |
| 740-3407032 | 740-3407032 | Прокладка насоса | |
| 5320-3407439 | 5320-3407439 | Прокладка коллектора насоса | |
| 853889-П | 853889-П | Пробка транспортная | |
| 853883-П | 853883-П | Пробка транспортная | |
| 5320-3407350 | 5320-3407350 | Пробка заливной горловины бачка в сборе | |
| 864000-П | 864000-П | Предохранительный клапан в сборе | |
| 1/05168/73 | 1/05168/73 | Шайба 10 пружинная | |
| 5320-3407359 | 5320-3407359 | Элемент фильтрующий насоса в сборе | |
| 853757-П | 853757-П | Штифт установочный насоса | |
| 853803-П | 853803-П | Шпонка сегментная 5х7,5 | |
| 1/07970/01 | 1/07970/01 | Шплинт разводной 4х30 | |
| 5320-3407240 | 5320-3407240 | Шестерня привода насоса | |
| 864712-П | 864712-П | Шарик 6У 3,969мм Н | |
| 864712-П | 864712-П | Шарик 6У 3,969мм Н | |
| 853646-П | 853646-П | Шайба регулировочная | |
| 853645-П | 853645-П | Шайба регулировочная | |
| 1/05168/77 | 1/05168/77 | Шайба пружинная 10 | |
| 863713-П | 863713-П | Подшипник шариковый радиальный | |
| 1/05166/73 | 1/05166/73 | Шайба 8 пружинная | |
| 1/26470/01 | 1/26470/01 | Шайба плоская 8х25 | |
| 1/05194/01 | 1/05194/01 | Шайба 6х12 плоская | |
| 1/26386/01 | 1/26386/01 | Шайба 10х18 плоская | |
| 853634-П | 853634-П | Шайба 24х30 | |
| 5320-3407338 | 5320-3407338 | Фильтр насоса в сборе | |
| 5320-3407328 | 5320-3407328 | Фильтр заливной насоса в сборе | |
| 740-3407110-10 | 740-3407110-10 | Трубка высокого давления насоса гидроусилителя руля в сборе | |
| 5320-3407441 | 5320-3407441 | Трубка бачка | |
| 5320-3407217 | 5320-3407217 | Валик насоса гидроусилителя руля | |
| 5320-3407333 | 5320-3407333 | Кольцо заливного фильтра | |
| 740.1308131 | 740.1308131 | Кольцо Б47 | |
| 5320-3407435 | 5320-3407435 | Коллектор насоса | |
| 870920 | 870920 | Кляммер | |
| 5320-3407270 | 5320-3407270 | Клапан перепускной в сборе | |
| 5320-3407271 | 5320-3407271 | Золотник перепускной | |
| 5320-3407341 | 5320-3407341 | Днище фильтра | |
| 5320-3407255 | 5320-3407255 | Диск распределительный | |
| 853536-П29 | 853536-П29 | Гайка | |
| 1/35507/01 | 1/35507/01 | Вырубная шайба диаметр 16 | |
| 5320-3407220 | 5320-3407220 | Кольцо маслоотгонное насоса гидроусилителя руля | |
| 853509 | 853509 | Бонка бачка | |
| 1/60438/21 | 1/60438/21 | Болт М8 | |
| 1/60439/21 | 1/60439/21 | Болт М8х35 | |
| 1/60434/21 | 1/60434/21 | Болт М8х20 | |
| 1/09026/21 | 1/09026/21 | Болт М6х25 | |
| 1/59716/21 | 1/59716/21 | Болт М10х1,25х90 | |
| 853023-П21 | 853023-П21 | Болт М10х1,25х90 | |
| 853022-П21 | 853022-П21 | Болт М10х1,25х70 | |
| 1/59718/21 | 1/59718/21 | Болт М10х1,25х100 | |
| 4310-3407212 | 4310-3407212 | Крышка насоса гидроусилителя рулевого управления в сборе | |
| 864713-П | 864713-П | Подшипник насоса № 305 гидроусилителя руля | |
| 864714-П | 864714-П | Подшипник игольчатый № 154901 | |
| 864714-П | 864714-П | Подшипник игольчатый № 154901 | |
| 5320-3407765 | 5320-3407765 | Пластина фильтра нижняя | |
| 5320-3407763 | 5320-3407763 | Пластина фильтра верхняя | |
| 4310-3407200 | 4310-3407200 | Насос гидроусилителя рулевого управления в сборе (левого вращения) | |
| 5320-3407275 | 5320-3407275 | Направляющая пружина предохранительного клапана | |
| 5320-3407429 | 5320-3407429 | Манжета уплотнительная фильтра | |
| 864121-П | 864121-П | Манжета 24х46 насоса в сборе | |
| 5320-3407251 | 5320-3407251 | Лопасть насоса | |
| 5320-3407300-01 | 5320-3407300-01 | Бачок насоса гидроусилителя руля в сборе | |
| 4310-3407213 | 4310-3407213 | Крышка насоса | |
| 5320-3407398 | 5320-3407398 | Крышка бачка насоса с пружиной в сборе | |
| 5320-3407400 | 5320-3407400 | Крышка бачка насоса в сборе | |
| 5320-3407211 | 5320-3407211 | Корпус насоса гидроусилителя руля | |
| 5320-3407302 | 5320-3407302 | Корпус бачка | |
| 862806-П | 862806-П | Кольцо упорное | |
| 864218-П | 864218-П | Кольцо уплотнительное | |
| 864217-П | 864217-П | Кольцо уплотнительное | |
| 1/34012/76 | 1/34012/76 | Кольцо стопорное |
Содержащиеся в справочниках-каталогах запасные части и детали не предлагаются к продаже, а носят исключительно информационный характер