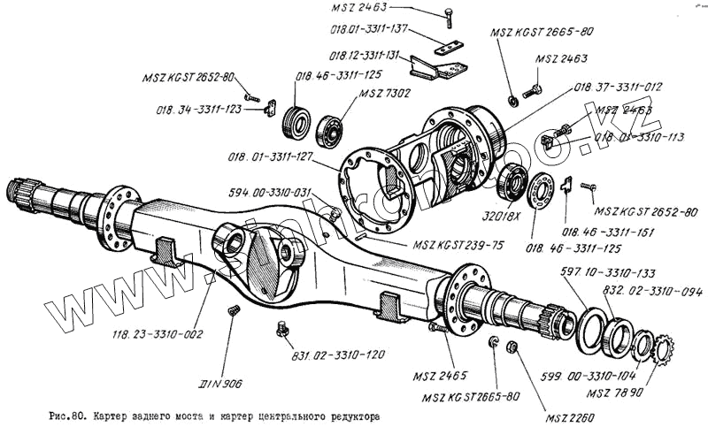
Каталог запасных частей к технике: ЛиАЗ 5256. Картер заднего моста и картер центрального редуктора
МSZКGSТ-239-75
МSZКGSТ-2665-80
МSZКGSТ-2665-80
594.00-3310-031
018.01-3311-127
831.02-3310-120
DIN906
МSZ7302
М7302
32018Х
МSZ7890
018.46-3311-151
МSZ2463
МSZ2463
МSZ2463
018.34-3311-123
018.01-3311-137
018.01-3310-113
597.10-3310-133
018.12-3311-131
832.02-3310-094
018.46-3311-125
018.46-3311-125
018.37-3311-012
118.23-3310-002
599.00-3310-104
МSZ2260
МSZКGS-Т-2652-80
МSZКGS-Т-2652-80
МSZ2465
| Позиция на иллюстрации | Заводской номер детали | Название детали | |
|---|---|---|---|
| 018.34-3311-128 | 018.34-3311-128 | Пластина стопорная (897178) | |
| МSZКGSТ-239-75 | МSZКGSТ-239-75 | Штифт установочный 10 6х25-6,6 (900487) | |
| МSZКGSТ-2665-80 | МSZКGSТ-2665-80 | Шайба пружинная 12К (876130) | |
| 594.00-3310-031 | 594.00-3310-031 | Сапун (940752) | |
| 018.01-3311-127 | 018.01-3311-127 | Прокладка картера редуктора заднего моста (5618) | |
| 831.02-3310-120 | 831.02-3310-120 | Пробка коническая с магнитной вставкой (356997) | |
| DIN906 | DIN906 | Пробка коническая М24х1,5-5,8 (985079) | |
| МSZ7302 | МSZ7302 | Подшипник роликовый конический 80/140х28,25.30216А (850916) | |
| М7302 | М7302 | Подшипник роликовый конический | |
| 32018Х | 32018Х | Подшипник роликовый диаметр 90/140х32 | |
| МSZ7890 | МSZ7890 | Пластина стопорная МВ17 (828112) | |
| 018.46-3311-154 | 018.46-3311-154 | Пластина стопорная (922876) | |
| 018.46-3311-153 | 018.46-3311-153 | Пластина стопорная (922875) | |
| 018.46-3311-152 | 018.46-3311-152 | Пластина стопорная (922874) | |
| 018.46-3311-151 | 018.46-3311-151 | Пластина стопорная (922873) | |
| 018.34-3311-129 | 018.34-3311-129 | Пластина стопорная (897300) | |
| МSZ2463 | МSZ2463 | Болт М12х35-10.9 (902629) | |
| 018.34-3311-126 | 018.34-3311-126 | Пластина стопорная (8850) | |
| 018.34-3311-123 | 018.34-3311-123 | Пластина стопорная (922893) | |
| 018.01-3311-137 | 018.01-3311-137 | Пластина стопорная (5623) | |
| 018.01-3310-113 | 018.01-3310-113 | Пластина стопорная (825475) | |
| 597.10-3310-133 | 597.10-3310-133 | Лист отражательный (353048) | |
| 018.12-3311-131 | 018.12-3311-131 | Лист отражательный (864256) | |
| 832.02-3310-094 | 832.02-3310-094 | Кольцо с буртиком (374316) | |
| 018.46-3311-125 | 018.46-3311-125 | Кольцо резьбовое (933765) | |
| 018.37-3311-012 | 018.37-3311-012 | Картер редуктора заднего моста (389779) | |
| 118.23-3310-002 | 118.23-3310-002 | Картер заднего моста (385602) | |
| 599.00-3310-104 | 599.00-3310-104 | Гайка оси концевая (946163) | |
| МSZ2260 | МSZ2260 | Гайка М14-8 (900949) | |
| МSZКGS-Т-2652-80 | МSZКGS-Т-2652-80 | Винт (70427) | |
| МSZ2465 | МSZ2465 | Болт М14х45-10.9 (385082) |
Содержащиеся в справочниках-каталогах запасные части и детали не предлагаются к продаже, а носят исключительно информационный характер