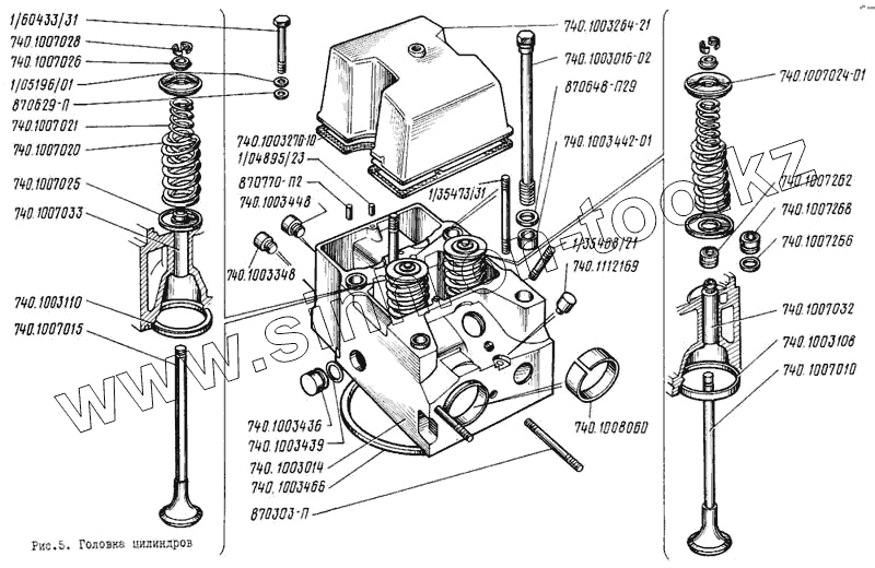
Каталог запасных частей к технике: ЛиАЗ 5256. Головка цилиндров
740.1007024-01
740-1003270-10
740-1007021
740-1007020
740-1003108
740-1003110
740-1007028
740-1112169
870648-П29
870629-П
1/05196/01
740-1007025
1/35468/21
870303-П
1/35473/31
870770-П2
1/04895/23
740-1003436
1/60443/31
740-1003348
740-1003448
740-1007032
740-1007033
740-1008060
740-1007026
740-1003014
740-1003016-02
740.1007010
740-1007015
740-1007266
740-1003466
740-1003439
740-1003264-21
740-1007268
740-1007262
| Позиция на иллюстрации | Заводской номер детали | Название детали | |
|---|---|---|---|
| 740.1007024-01 | 740.1007024-01 | Тарелка пружин клапана | |
| 740-1003212 | 740-1003212 | Прокладка головки цилиндра | |
| 740-1003270-10 | 740-1003270-10 | Прокладка крышки головки цилиндра | |
| 740-1003213-20 | 740-1003213-20 | Прокладка уплотнительная головки цилиндра | |
| 740-1007021 | 740-1007021 | Пружина клапана внутренняя | |
| 740-1007020 | 740-1007020 | Пружина клапана наружная | |
| 740-1007264 | 740-1007264 | Пружина манжеты | |
| 740-1003108 | 740-1003108 | Седло впускного клапана | |
| 740-1003110 | 740-1003110 | Седло выпускного клапана | |
| 740-1007092 | 740-1007092 | Стойка коромысел | |
| 740-1007091 | 740-1007091 | Стойка коромысел в сборе | |
| 740-1007028 | 740-1007028 | Сухарь клапана | |
| 740-1112169 | 740-1112169 | Опора скобы | |
| 740-1007096 | 740-1007096 | Фиксатор коромысел | |
| 870648-П29 | 870648-П29 | Шайба 18 | |
| 870629-П | 870629-П | Шайба 8 | |
| 1/05196/01 | 1/05196/01 | Шайба 8х17 плоская | |
| 740-1007025 | 740-1007025 | Шайба пружин клапана | |
| 740-1007134 | 740-1007134 | Шайба стопорная крепления стойки коромысел | |
| 1/35468/21 | 1/35468/21 | Шпилька М10х1,25х20х45 | |
| 870303-П | 870303-П | Шпилька М10х1,25х20х52 | |
| 1/35473/31 | 1/35473/31 | Шпилька М10х1,25х20х70 | |
| 870770-П2 | 870770-П2 | Штифт 6х16 | |
| 1/04895/23 | 1/04895/23 | Штифт цилиндрический 6х12 | |
| 740-1003436 | 740-1003436 | Заглушка головки цилиндра | |
| 1/60443/31 | 1/60443/31 | Болт М8х55 | |
| 740-1003348 | 740-1003348 | Ввертыш крепления водяной трубы | |
| 740-1003448 | 740-1003448 | Ввертыш крепления впускного коллектора | |
| 740-1007032 | 740-1007032 | Втулка направляющая впускного клапана | |
| 740-1007033 | 740-1007033 | Втулка направляющая выпускного клапана | |
| 740-1008060 | 740-1008060 | Втулка предохранительная | |
| 740-1007026 | 740-1007026 | Втулка тарелки пружин | |
| 1/21647/21 | 1/21647/21 | Гайка М10х1,25 | |
| 740-1003015 | 740-1003015 | Головка цилиндра | |
| 7408-1003010 | 7408-1003010 | Головка цилиндра в сборе | |
| 740-1003014 | 740-1003014 | Головка цилиндра со втулками в сборе | |
| 740-1003016-02 | 740-1003016-02 | Болт крепления головки цилиндра | |
| 740-1003434 | 740-1003434 | Заглушка головки цилиндра в сборе | |
| 870836-П29 | 870836-П29 | Заглушка стойки коромысел | |
| 740.1007010 | 740.1007010 | Клапан впускной | |
| 740-1007015 | 740-1007015 | Клапан выпускной | |
| 740-1007266 | 740-1007266 | Кольцо манжеты | |
| 740-1003466 | 740-1003466 | Кольцо уплотнительное газового стыка | |
| 740-1003439 | 740-1003439 | Кольцо уплотнительное заглушки | |
| 740-1003264-21 | 740-1003264-21 | Крышка головки цилиндра | |
| 740-1007268 | 740-1007268 | Манжета уплотнительная впускного клапана | |
| 740-1007262 | 740-1007262 | Манжета уплотнительная впускного клапана в сборе |
Содержащиеся в справочниках-каталогах запасные части и детали не предлагаются к продаже, а носят исключительно информационный характер