Каталог запасных частей к технике: ЛиАЗ 5256. Электрооборудование
ПР2-Б
П147-3709000
20.3714010
20.3714010
20.3714010
20.3714010
20.3714010
20.3714010
20.3714010
20.3714010
20.3714010
20.3714010
20.3714010
20.3714010
П147-3709000
47К6ТБ.266.001-02
47К6ТБ.266.001-02
124.3803010
МЭ251
34.3730
РС531
2802-3710000
2802-3710000
2802-3710000
ВК343-3709000
ВК343-3709000
ВК343-3709000
ВК343-3709000
ВК343-3709000
ВК343-3709000
ВК343-47.09000
ВК343-3709000
8А
ПД308Б-3715300
ПД308Б-3715300
ПД308Б-3715300
ПД308Б-3715300
5256-8101401
5256-8101010
5256-8101400
5256-8101400
5256-8101400
П147-3709000
П147-3709000
П147-3709000
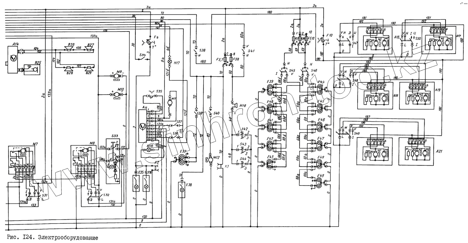
| Позиция на иллюстрации | Заводской номер детали | Название детали | |
|---|---|---|---|
| ПР2-Б | ПР2-Б | Предохранитель термометаллический (поз. F10) | |
| П147-3709000 | П147-3709000 | Переключатель П147-09 (стеклоочистителя) (поз. S31) | |
| 20.3714010 | 20.3714010 | Плафон 20.3714 (кабины водителя и салона) (поз. Е37) | |
| 20.3714010 | 20.3714010 | Плафон 20.3714 (кабины водителя и салона) (поз. Е37) | |
| 20.3714010 | 20.3714010 | Плафон 20.3714 (кабины водителя и салона) (поз. Е37) | |
| 20.3714010 | 20.3714010 | Плафон 20.3714 (кабины водителя и салона) (поз. Е37) | |
| 20.3714010 | 20.3714010 | Плафон 20.3714 (кабины водителя и салона) (поз. Е37) | |
| 20.3714010 | 20.3714010 | Плафон 20.3714 (кабины водителя и салона) (поз. Е37) | |
| 20.3714010 | 20.3714010 | Плафон 20.3714 (кабины водителя и салона) (поз. Е37) | |
| 20.3714010 | 20.3714010 | Плафон 20.3714 (кабины водителя и салона) (поз. Е37) | |
| 20.3714010 | 20.3714010 | Плафон 20.3714 (кабины водителя и салона) (поз. Е37) | |
| 20.3714010 | 20.3714010 | Плафон 20.3714 (кабины водителя и салона) (поз. Е37) | |
| 20.3714010 | 20.3714010 | Плафон 20.3714 (кабины водителя и салона) (поз. Е37) | |
| 20.3714010 | 20.3714010 | Плафон 20.3714 (кабины водителя и салона) (поз. Е37) | |
| П147-3709000 | П147-3709000 | Переключатель П147-09 (стеклоочистителя) (поз. S31) | |
| 47К6ТБ.266.001-02 | 47К6ТБ.266.001-02 | Розетка (переносной лампы) (поз. Х2) | |
| 47К6ТБ.266.001-02 | 47К6ТБ.266.001-02 | Розетка (переносной лампы) (поз. Х2) | |
| 12.3729 | 12.3729 | Сопротивление для отопителя | |
| 12.3729 | 12.3729 | Сопротивление для отопителя | |
| 124.3803010 | 124.3803010 | Фонарь контрольной лампы 124.3803 (включение приборов из мотоотсека) (поз. Н12) | |
| МЭ251 | МЭ251 | Электродвигатель (вентиляция кабины) (поз. М12) | |
| МЭ237 | МЭ237 | Электродвигатель (поз. М13) | |
| МЭ237 | МЭ237 | Электродвигатель (поз. М13) | |
| 34.3730 | 34.3730 | Электродвигатель с насосом (отопительной установки) (поз. М11) | |
| 13.3747 | 13.3747 | Электромагнит (блокировка ГМП) (поз. У5) | |
| 13.3747 | 13.3747 | Электромагнит (блокировка ГМП) (поз. У5) | |
| 13.3747 | 13.3747 | Электромагнит (блокировка ГМП) (поз. У5) | |
| РС531 | РС531 | Зуммер (сигнал из салона водителю) (поз. Н18) | |
| 8А | 8А | Вставка (поз. F5.10) | |
| 2802-3710000 | 2802-3710000 | Выключатель 2802.3710 (сигнал водителю из салона) (поз. S42) | |
| 2802-3710000 | 2802-3710000 | Выключатель 2802.3710 (сигнал водителю из салона) (поз. S42) | |
| 2802-3710000 | 2802-3710000 | Выключатель 2802.3710 (сигнал водителю из салона) (поз. S42) | |
| ВК343-3709000 | ВК343-3709000 | Выключатель ВК343-01-27 (стояночные огни) (поз. S12) | |
| ВК343-3709000 | ВК343-3709000 | Выключатель ВК343-01-27 (стояночные огни) (поз. S12) | |
| ВК343-3709000 | ВК343-3709000 | Выключатель ВК343-01-27 (стояночные огни) (поз. S12) | |
| ВК343-3709000 | ВК343-3709000 | Выключатель ВК343-01-27 (стояночные огни) (поз. S12) | |
| ВК343-3709000 | ВК343-3709000 | Выключатель ВК343-01-27 (стояночные огни) (поз. S12) | |
| ВК343-3709000 | ВК343-3709000 | Выключатель ВК343-01-27 (стояночные огни) (поз. S12) | |
| ВК343-47.09000 | ВК343-47.09000 | Выключатель ВК343-03.17 (вентилятор кабины водителя) (поз. S40) | |
| ВК343-3709000 | ВК343-3709000 | Выключатель ВК343-01-27 (стояночные огни) (поз. S12) | |
| 8А | 8А | Вставка (поз. F5.10) | |
| ПД308Б-3715300 | ПД308Б-3715300 | Лампа подкапотная ПД308-Б (поз. Е35) | |
| ПД308Б-3715300 | ПД308Б-3715300 | Лампа подкапотная ПД308-Б (поз. Е35) | |
| ПД308Б-3715300 | ПД308Б-3715300 | Лампа подкапотная ПД308-Б (поз. Е35) | |
| ПД308Б-3715300 | ПД308Б-3715300 | Лампа подкапотная ПД308-Б (поз. Е35) | |
| 5256-8101401 | 5256-8101401 | Отопитель салона в сборе | |
| 5256-8101010 | 5256-8101010 | Отопитель салона передний в сборе | |
| 5256-8101400 | 5256-8101400 | Отопитель салона в сборе | |
| 5256-8101400 | 5256-8101400 | Отопитель салона в сборе | |
| 5256-8101400 | 5256-8101400 | Отопитель салона в сборе | |
| 5256-8101400 | 5256-8101400 | Отопитель салона в сборе | |
| П147-3709000 | П147-3709000 | Переключатель П147-09 (стеклоочистителя) (поз. S31) | |
| П147-3709000 | П147-3709000 | Переключатель П147-09 (стеклоочистителя) (поз. S31) |
Содержащиеся в справочниках-каталогах запасные части и детали не предлагаются к продаже, а носят исключительно информационный характер