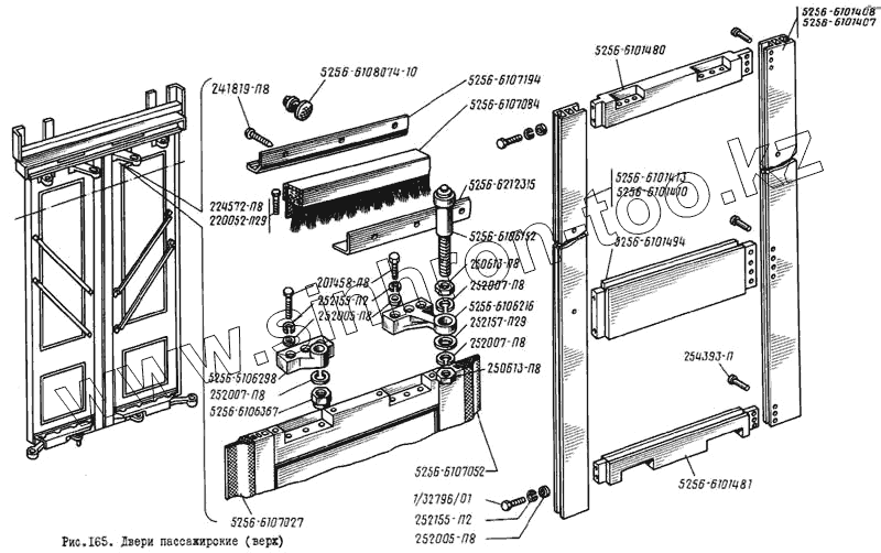
Каталог запасных частей к технике: ЛиАЗ 5256. Двери пассажирские (верх)
5256-8212315
252155-П2
252155-П2
252005-П8
252005-П8
252157-П29
252007-П8
252007-П8
252007-П8
5256-6107027
5256-6107052
5256-6107084
5256-6106152
5256-6101413
5256-6101407
5256-6101480
5256-6101481
5256-6101410
5256-6101408
201458-П8
5256-6101494
5256-6106216
5256-6106298
254393-П
5256-6106367
250613-П8
250613-П8
5256-617194
1/32796/01
241819-П8
224572-П8
220052-П29
5256-6108074-10
| Позиция на иллюстрации | Заводской номер детали | Название детали | |
|---|---|---|---|
| 5256-8212315 | 5256-8212315 | Профиль пассажирской двери верхний | |
| 5256-6107176-10 | 5256-6107176-10 | Щетка в сборе | |
| 252155-П2 | 252155-П2 | Шайба 8 пружинная | |
| 252005-П8 | 252005-П8 | Шайба 8 | |
| 252157-П29 | 252157-П29 | Шайба 8 | |
| 252007-П8 | 252007-П8 | Шайба 12 | |
| 5256-6107027 | 5256-6107027 | Уплотнитель стыка створок | |
| 5256-6107052 | 5256-6107052 | Уплотнитель двери | |
| 5256-6107084 | 5256-6107084 | Уплотнитель верхний в сборе | |
| 5256-6106152 | 5256-6106152 | Ролик в сборе | |
| 5256-6101413 | 5256-6101413 | Профиль створки двери левый | |
| 5256-6101407 | 5256-6101407 | Профиль створки двери левый | |
| 5256-6101480 | 5256-6101480 | Профиль створки двери верхний правый | |
| 5256-6101481 | 5256-6101481 | Профиль створки двери верхний левый | |
| 5256-6101410 | 5256-6101410 | Профиль створки двери | |
| 5256-6101408 | 5256-6101408 | Профиль створки двери | |
| 201458-П8 | 201458-П8 | Болт М8х25 | |
| 5256-6101494 | 5256-6101494 | Профиль двери | |
| 5256-6106216 | 5256-6106216 | Кронштейн направляющего ролика | |
| 5256-6106298 | 5256-6106298 | Кронштейн двери верхний | |
| 5256-5401882 | 5256-5401882 | Заклепка односторонняя 5х10, комплект (1/28407/90) | |
| 254393-П | 254393-П | Заклепка 8х38 | |
| 5256-6107099-10 | 5256-6107099-10 | Держатель щетки | |
| 5256-6106367 | 5256-6106367 | Гайка специальная | |
| 250613-П8 | 250613-П8 | Гайка М12х1,25 | |
| 5256-617194 | 5256-617194 | Водослив над пассажирской дверью | |
| 1/32796/01 | 1/32796/01 | Винт М8х25 | |
| 241819-П8 | 241819-П8 | Винт М4х16 | |
| 224572-П8 | 224572-П8 | Винт М4х12 | |
| 220052-П29 | 220052-П29 | Винт М4х12 | |
| 5256-6108074-10 | 5256-6108074-10 | Буфер |
Содержащиеся в справочниках-каталогах запасные части и детали не предлагаются к продаже, а носят исключительно информационный характер