Вернуться на главную
Поиск
Каталоги запчастей к технике
Автобусы
ЛиАЗ
ЛиАЗ 5256
Домкраты противооткатные, упор, огнетушители
Каталог запасных частей к технике: ЛиАЗ 5256. Домкраты противооткатные, упор, огнетушители
zoom-in
zoom-out
enlarge
shrink
circle-right
circle-left
file-text2
info
cart
Тип техники
Не выбрано
Легковые автомобили
Грузовые автомобили и прицепы
Автобусы
Сельхозтехника
Спецтехника
Двигатели
Мототехника
Марка
Не выбрано
Golden Dragon
Hyundai
Ikarus
Karosa
King Long
Neoplan
Yutong
ZF
АМАЗ
Богдан
ЗИЛ
КАВЗ
Камский автозавод
ЛАЗ
ЛЗГМП
ЛиАЗ
Нефтекамский автозавод
ПАЗ
УралАЗ
Модель
Не выбрано
KNORR-BREMSE применяемых на технике ЛиАЗ
ЛиАЗ 5256
ЛиАЗ 677
ЛиАЗ-5256, 6212 (2006) (2006)
Схема
>
Не выбрано
Каркас кузова
Основание
Панели и мягкий настил пола
Стеклоомыватель и стеклоочиститель
Каркас передка с облицовкой
Арматурный щиток
Каркас правой боковины
Каркас левой боковины
Изоляция, облицовка, обивка и установка окон правой боковины
Изоляция, облицовка, обивка и установка окон левой боковины
Ящик инструментальный и ящик распределительного щитка
Двери
Каркас, облицовка и обивка задка
Каркас задка с обивкой
Крыша
Обшивка и обивка крыши
Аварийно-вентиляционный люк
Двери пассажирские (низ)
Двери пассажирские (верх)
Двери пассажирские
Выравниватели дверей
Механизм привода дверей и крышка кожуха дверных механизмов
Кожух пневмотрубки
Сиденье водителя
Сиденье одноместное
Сиденье двухместное
Сиденье двухместное
Сиденье многоместное
Перегородки водителя
Принудительная вентиляция
Система отопления
Система отопления
Шланги обогрева стекол и отопления
Отопитель салона передний
Отопитель кузова
Вентиляторы, корпус и жгут переднего отопителя
Радиатор переднего отопителя
Привод управления отопителем
Рамка и шторка переднего отопителя
Поручни
Принадлежности
Рейсоуказатели
Рейсоуказатель малый
Зеркала
Шторы окон кабины водителя
Оперение
Установка брызговиков
Подножки
Двигатель в сборе
Подвеска двигателя и гидропередачи
Блок цилиндров
Головка цилиндров
Поршни и шатуны
Коленчатый вал
Маховик
Вал распределительный, клапаны и толкатели клапанов
Коллектор выпускной
Картер масляный двигателя
Масляный насос
Масляный насос
Фильтр полнопоточный очистки масла
Вентиляция картера двигателя
Фильтр центробежный очистки масла
Привод агрегатов
Привод топливного насоса высокого давления
Бак топливный и пробка топливного бака
Трубопроводы топливные
Трубопроводы топливные (схема соединений)
Фильтр грубой очистки масла
Насос топливный низкого давления
Привод управления регулятором числа оборотов двигателя и останова
Привод управления регулятором числа оборотов двигателя и останова
Цилиндр пневматический
Клапан пневмоэлектрический
Клапан пневмоэлектрический
Фильтр воздушный
Регулятор частоты вращения коленчатого вала двигателя
Насос топливный высокого давления
Форсунка
Коллектор впускной
Труба приемная, фильтр и клапан электромагнитный
Фильтр тонкой очистки топлива
Муфта опережения впрыска топлива
Насос ручной топливоподкачивающий
Система выпуска газа
Глушитель выхлопа
Система охлаждения масла двигателя
Радиатор и его подвеска
Трубопроводы двигателя, термостаты
Трубопроводы и соединения теплообменника
Насос водяной
Муфта включения вентилятора
Натяжная опора и ремни
Клапан включения муфты вентилятора
Бачек расширительный
Передача гидромеханическая (узлы и детали)
Передача гидромеханическая (узлы и детали)
Картер коробки передач со шпильками
Картер коробки передач
Теплообменник водомасляный
Вал первичный
Вал вторичный
Вал промежуточный первый
Вал промежуточный второй
Фрикцион передний
Фрикцион двойной
Фрикцион понижающих передач
Переключатель периферийных золотников
Насос масляный передний
Насос масляный задний
Элемент фильтрующий
Поддон масляный
Указатель уровня масла
Картер гидротрансформатора
Гидротрансформатор
Статор гидротрансформатора
Тормоз-замедлитель
Регулятор давления гидротрансформатора
Регулятор давления
Клапан блокировки
Клапан управления замедлителем
Шланги и трубопроводы системы масляного охлаждения
Фильтр масляный
Вал карданный
Картер заднего моста и картер центрального редуктора
Дифференциал
Полуось и колесная передача
Бампер передний и бампер задний
Передняя подвеска
Задняя подвеска
Штанги передней и задней подвесок
Регулятор положения кузова
Ось передняя, поворотные кулаки
Тяга сошки рулевого механизма
Поперечная рулевая тяга
Колесо и удлинитель вентиля
Ступица переднего колеса, тормозной барабан
Ступица колеса и барабан тормоза
Держатель запасного колеса
Лебедка держателя
Рулевое управление
Рулевой механизм
Рулевая колонка
Вал карданный рулевого управления
Угловой редуктор
Гидроусилитель руля
Насос гидроусилителя руля
Трубопроводы и шланги гидроусилителя рулевого управления
Механизм тормозов
Тормоз передний левый
Механизм разжимной
Клин
Привод тормозного крана
Трубопроводы
Соединение трубопроводов
Соединение трубопроводов
Компрессор
Установка влагоотделителя
Воздушные баллоны
Воздушные баллоны
Клапан слива конденсата
Кран обратного действия
Кран тормозной обратного действия
Клапан двухмагистральный перепускной
Электромагниты, жгут штепсельного разъема
Схема принципиальная электрическая
Электрооборудование
Электрооборудование
Электрооборудование
Установка генератора
Батарея аккумуляторная
Стартер
Выключатели, панели переключателей
Внешние световые приборы
Панель щитка приборов с приборами
Рейсоуказатель (кронштейны, жгуты)
Щит распределительный электромонтажный, жгуты, ЭСАУ
Жгут панели щитка приборов (схема подключения)
Панель щитка приборов с приборами
Панель выключателей мотоотсека
Щит распределительный мотоотсека
Щит распределительный
Счетчик пройденного пути
Электрооборудование и радиооборудование
Инструмент и принадлежности
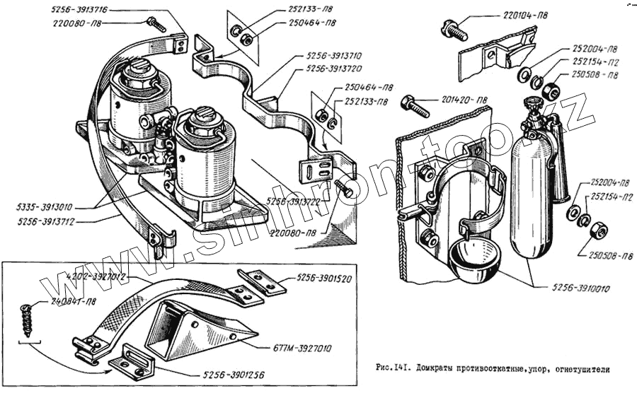
Домкраты противооткатные, упор, огнетушители
Домкрат
Противоугонное устройство
Схема установки подшипников
5256-3901256
252154-П2
252154-П2
252004-П8
252004-П8
252133-П8
252133-П8
677М-3927010
4202-3927012
5256-3913712
5256-3913722
5256-3913720
5256-3913716
201420-П8
5256-3910010
5256-3913710
5256-3901520
5335-3913010
250508-П8
250508-П8
250464-П8
250464-П8
220104-П8
220080-П8
220080-П8
240841-П8
Позиция на иллюстрации
Заводской номер детали
Название детали
5256-3901256
5256-3901256
Пластина
252154-П2
252154-П2
Шайба 6 пружинная
252004-П8
252004-П8
Шайба 6
252133-П8
252133-П8
Шайба 5
677М-3927010
677М-3927010
Упор противооткатный в сборе
4202-3927012
4202-3927012
Ремень крепления противооткатного упора в сборе
5256-3913712
5256-3913712
Ремень крепления домкратов в сборе
5256-3913722
5256-3913722
Пластина крепления домкратов
5256-3913720
5256-3913720
Пластина
5256-3913716
5256-3913716
Пластина
201420-П8
201420-П8
Болт М6х20
5256-3910010
5256-3910010
Огнетушитель ОУ-2 с опорой в сборе
5256-3913710
5256-3913710
Кронштейн крепления домкратов
5256-3901520
5256-3901520
Кронштейн
5335-3913010
5335-3913010
Домкрат гидравлический грузоподъемностью 120КН (12 т.с.)
250508-П8
250508-П8
Гайка М6х1
250464-П8
250464-П8
Гайка М5
220104-П8
220104-П8
Винт М6х14
220080-П8
220080-П8
Винт М5х16
240841-П8
240841-П8
Винт М5х30
Содержащиеся в справочниках-каталогах запасные части и детали не предлагаются к продаже, а носят исключительно информационный характер
Дополнительная информация
×
Название:
Номер:
Примечание: