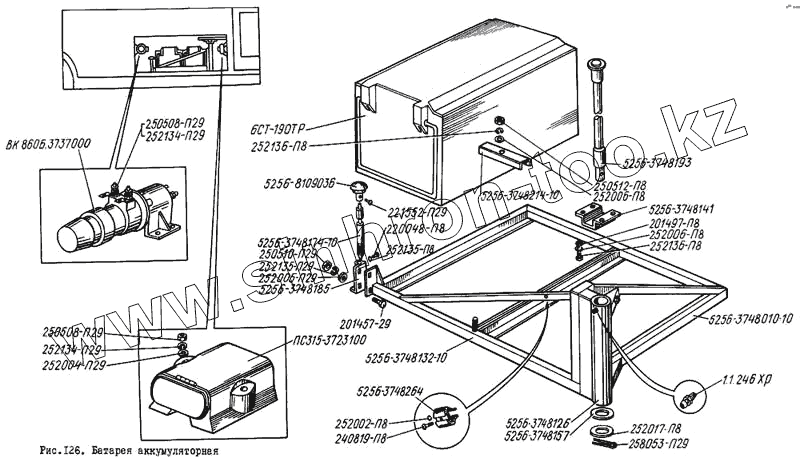
Каталог запасных частей к технике: ЛиАЗ 5256. Батарея аккумуляторная
252136-П8
252136-П8
5256-3748132-10
ПС315-3723100
5256-8109036
5256-3748185
5256-3748174-10
5256-3748157
252006-П8
252006-П8
5256-3748193
252017-П8
252002-П8
252004-П29
252134-П29
252134-П29
252005-П29
252135-П29
252135-П29
258053-П29
5256-3748010-10
ВК860Б-3737000
201497-П8
201457-П29
5256-3748264
221552-П29
240819-П8
220048-П8
6СТ-190ТР
250512-П8
250508-П29
250508-П29
250510-П29
5256-3748214-10
5256-3748141
1.1.246ХР
5256-3748126
| Позиция на иллюстрации | Заводской номер детали | Название детали | |
|---|---|---|---|
| 252136-П8 | 252136-П8 | Шайба 10 | |
| 5256-3748132-10 | 5256-3748132-10 | Поддон в сборе | |
| ПС315-3723100 | ПС315-3723100 | Розетка | |
| 5256-8109036 | 5256-8109036 | Ручка привода | |
| 5256-3748185 | 5256-3748185 | Упор | |
| 5256-3748174-10 | 5256-3748174-10 | Фиксатор | |
| 5256-3748100 | 5256-3748100 | Фиксатор в сборе | |
| 5256-3748157 | 5256-3748157 | Шайба | |
| 252006-П8 | 252006-П8 | Шайба 10 | |
| 5256-3748193 | 5256-3748193 | Ось в сборе | |
| 252017-П8 | 252017-П8 | Шайба 16 | |
| 252002-П8 | 252002-П8 | Шайба 4 | |
| 252004-П29 | 252004-П29 | Шайба 6 | |
| 252134-П29 | 252134-П29 | Шайба 6 | |
| 252005-П29 | 252005-П29 | Шайба 8 | |
| 252135-П29 | 252135-П29 | Шайба 8 | |
| 258053-П29 | 258053-П29 | Шплинт 4х25 | |
| 5256-3748010-10 | 5256-3748010-10 | Ящик аккумуляторный в сборе | |
| ВК860Б-3737000 | ВК860Б-3737000 | Выключатель «массы» с дистанционным управлением 8, 1А | |
| 1/59724/31 | 1/59724/31 | Болт М10х1,25х130 | |
| 201497-П8 | 201497-П8 | Болт М10х1,5х25 | |
| 1/55420/51 | 1/55420/51 | Болт М12х140 | |
| 201457-П29 | 201457-П29 | Болт М8х1,20х22 | |
| 5256-3748264 | 5256-3748264 | Буфер | |
| 221552-П29 | 221552-П29 | Винт М4х12 | |
| 240819-П8 | 240819-П8 | Винт М4х16 | |
| 220048-П8 | 220048-П8 | Винт М4х6 | |
| 6СТ-190ТР | 6СТ-190ТР | Батарея аккумуляторная свинцовая стартерная | |
| 250512-П8 | 250512-П8 | Гайка М10х1,5 | |
| 250508-П29 | 250508-П29 | Гайка М6х1 | |
| 250510-П29 | 250510-П29 | Гайка М8 | |
| 5256-3748214-10 | 5256-3748214-10 | Держатель (455616) | |
| 5256-3748141 | 5256-3748141 | Кронштейн | |
| 1.1.246ХР | 1.1.246ХР | Масленка | |
| 5256-3748126 | 5256-3748126 | Основание в сборе |
Содержащиеся в справочниках-каталогах запасные части и детали не предлагаются к продаже, а носят исключительно информационный характер