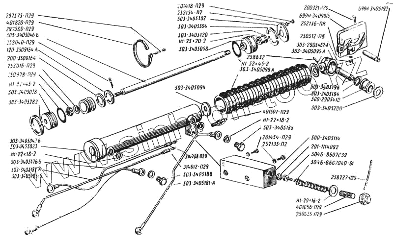
Каталог запасных частей к технике: ЛАЗ 699Р. Усилитель рулевого управления
252134-П2
503-3405182А
252016-П29
503-3405095-А
503-3405194
563-3405302
503-3405094
252135-П2
252136-П8
258040-П29
297575-П29
258227-П29
258632
314612-П29
503-3405181-А
201418-П29
200321-П29
111-20Х16-2
Н1-22Х18-2
111-52Х45-2
Н1-25Х20-2
111-52Х45-2
Н1-22Х18-2
500-2905410
201-1114092
503-3405023
503-3405042-Б
500-3405114
503-3405188
503-3405188
401066-П29
503-3405196
250512-П8
250636-П29
250978-П29
503-3405200
503-3405282
314708-П29
503-3405120
120-3509164-А
200-3509164
503-3405304
201454-П29
699Н-3409016
401820-П29
503-3405098-А
401507-П29
504Б-8607039
699Н-3405192
503-3405058
504Б-8607040-Б1
297580-П29
503-3405185-Б
503-3405176-Б
| Позиция на иллюстрации | Заводской номер детали | Название детали | |
|---|---|---|---|
| 252134-П2 | 252134-П2 | Шайба 6 пружинная | |
| 503-3405182А | 503-3405182А | Трубка от распределителя короткая | |
| 252016-П29 | 252016-П29 | Шайба 14 | |
| 503-3405095-А | 503-3405095-А | Шайба | |
| 503-3405194 | 503-3405194 | Шайба | |
| 563-3405302 | 563-3405302 | Шайба | |
| 503-3405094 | 503-3405094 | Шайба защитная | |
| 252135-П2 | 252135-П2 | Шайба 8 пружинная | |
| 252136-П8 | 252136-П8 | Шайба 10 пружинная | |
| 258040-П29 | 258040-П29 | Шплинт 3,2х25 | |
| 297575-П29 | 297575-П29 | Шплинт | |
| 258227-П29 | 258227-П29 | Шплинт-проволока | |
| 258632 | 258632 | Штифт | |
| 314612-П29 | 314612-П29 | Штуцер ввертной | |
| 503-3405181-А | 503-3405181-А | Трубка от распределителя длинная | |
| 201418-П29 | 201418-П29 | Болт М6 | |
| 200321-П29 | 200321-П29 | Болт М10-6gх60 | |
| 111-20Х16-2 | 111-20Х16-2 | Кольцо | |
| Н1-22Х18-2 | Н1-22Х18-2 | Кольцо резиновое | |
| 111-52Х45-2 | 111-52Х45-2 | Кольцо уплотнительное | |
| Н1-25Х20-2 | Н1-25Х20-2 | Кольцо резиновое | |
| 111-52Х45-2 | 111-52Х45-2 | Кольцо уплотнительное | |
| Н1-22Х18-2 | Н1-22Х18-2 | Кольцо резиновое | |
| 500-2905410 | 500-2905410 | Втулка головки амортизатора | |
| 201-1114092 | 201-1114092 | Шарик | |
| 503-3405023 | 503-3405023 | Цилиндр гидроусилителя | |
| 503-3405042-Б | 503-3405042-Б | Поршень | |
| 500-3405114 | 500-3405114 | Корпус клапана | |
| 503-3405188 | 503-3405188 | Болт приводной | |
| 401066-П29 | 401066-П29 | Винт | |
| 503-3405196 | 503-3405196 | Втулка головки | |
| 250512-П8 | 250512-П8 | Гайка М10-6Н | |
| 250636-П29 | 250636-П29 | Гайка | |
| 250978-П29 | 250978-П29 | Гайка М14-6Н | |
| 503-3405200 | 503-3405200 | Гайка | |
| 503-3405282 | 503-3405282 | Гайка | |
| 314708-П29 | 314708-П29 | Гайка соединительная | |
| 503-3405120 | 503-3405120 | Кольцо защитное | |
| 120-3509164-А | 120-3509164-А | Кольцо поршня компрессора | |
| 200-3509164 | 200-3509164 | Кольцо амортизатора компрессионное | |
| 503-3405304 | 503-3405304 | Кольцо стопорное | |
| 201454-П29 | 201454-П29 | Болт М8-6gх16 | |
| 699Н-3409016 | 699Н-3409016 | Кронштейн гидроусилителя | |
| 401820-П29 | 401820-П29 | Лента стяжная | |
| 314802-П | 314802-П | Муфта | |
| 503-3405098-А | 503-3405098-А | Муфта защитная | |
| 401507-П29 | 401507-П29 | Ниппель | |
| 504Б-8607039 | 504Б-8607039 | Опора шарика | |
| 699Н-3405192 | 699Н-3405192 | Палец | |
| 503-3405058 | 503-3405058 | Пробка цилиндра задняя | |
| 504Б-8607040-Б1 | 504Б-8607040-Б1 | Пружина клапана | |
| 297580-П29 | 297580-П29 | Пряжка | |
| 503-3405185-Б | 503-3405185-Б | Трубка к распределителю | |
| 503-3405176-Б | 503-3405176-Б | Трубка от гидроусилителя |
Содержащиеся в справочниках-каталогах запасные части и детали не предлагаются к продаже, а носят исключительно информационный характер