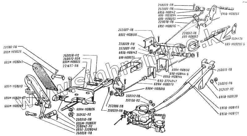
Каталог запасных частей к технике: ЛАЗ 699Р. Управление подачей топлива
699Н-1108026
695-1108054
695-1108055
695М-1108025
695В-1108103
695В-1108121
695-3724047
695-1108090-Б
695Б-1108065
699Н-1108016
695М-1108029
699Н-1108079
695М-1108010
699Е-1108076
695-3504136
252005-П8
252005-П8
252006-П8
252007-П8
232135-П2
252136-П2
252137-П2
258039-П8
258039-П8
258039-П8
258042-П2
695-1108062
695Е-3508046
220052-П8
220078-П8
221580-П8
221677-П8
695Б-1108142
695Б-1108142
695М-1108099
250510-П8
250512-П8
250515-П8
250615-П8
699Н-1108150
699Н-1108021
695В-1109139
695М-1108043
695Е-1108158
695Б-1108144
698-1108144-Б
695М-1108031
260058-П8
260058-П8
260072-П29
695Н-1108014-01
| Позиция на иллюстрации | Заводской номер детали | Название детали | |
|---|---|---|---|
| 699Н-1108026 | 699Н-1108026 | Тяга в сборе | |
| 695-1108054 | 695-1108054 | Планка верхняя | |
| 695-1108055 | 695-1108055 | Планка нижняя | |
| 695М-1108025 | 695М-1108025 | Подпятник педалей | |
| 695В-1108103 | 695В-1108103 | Привод воздушной заслонки в сборе | |
| 695В-1108121 | 695В-1108121 | Привод дроссельных заслонок в сборе | |
| 695-3724047 | 695-3724047 | Втулка проходная провода габаритного фонаря | |
| 695-1108090-Б | 695-1108090-Б | Пружина акселератора оттяжная | |
| 695Б-1108065 | 695Б-1108065 | Пружина тяги карбюратора | |
| 699Н-1108016 | 699Н-1108016 | Рычаг педали акселератора в сборе | |
| 695М-1108029 | 695М-1108029 | Скоба крепления накладки педали акселератора | |
| 699Н-1108079 | 699Н-1108079 | Тяга акселератора средняя | |
| 695М-1108010 | 695М-1108010 | Педаль акселератора в сборе | |
| 699Е-1108076 | 699Е-1108076 | Тяга привода акселератора задняя | |
| 695-3504136 | 695-3504136 | Ушко пружины | |
| 252005-П8 | 252005-П8 | Шайба 8 | |
| 252006-П8 | 252006-П8 | Шайба | |
| 252007-П8 | 252007-П8 | Шайба 12 | |
| 232135-П2 | 232135-П2 | Шайба пружинная | |
| 252136-П2 | 252136-П2 | Шайба 10 пружинная | |
| 252137-П2 | 252137-П2 | Шайба 12 пружинная | |
| 258039-П8 | 258039-П8 | Шплинт 3,2х20 | |
| 258042-П2 | 258042-П2 | Шплинт 3х35 | |
| 695-1108062 | 695-1108062 | Зажим | |
| 695Е-3508046 | 695Е-3508046 | Вилка резьбовая | |
| 220052-П8 | 220052-П8 | Винт М4х12 | |
| 220078-П8 | 220078-П8 | Винт М5х12 | |
| 221580-П8 | 221580-П8 | Винт М5х16 | |
| 221677-П8 | 221677-П8 | Винт М8х55 | |
| 695Б-1108142 | 695Б-1108142 | Втулка | |
| 695М-1108099 | 695М-1108099 | Втулка | |
| 250510-П8 | 250510-П8 | Гайка М8-6Н | |
| 250512-П8 | 250512-П8 | Гайка М10-6Н | |
| 250515-П8 | 250515-П8 | Гайка М12х1,25 | |
| 250615-П8 | 250615-П8 | Гайка М12х1,25 | |
| 699Н-1108150 | 699Н-1108150 | Валик промежуточный с рычагами в сборе | |
| 699Н-1108021 | 699Н-1108021 | Кронштейн | |
| 695В-1109139 | 695В-1109139 | Кронштейн воздушного фильтра нижний | |
| 695М-1108043 | 695М-1108043 | Накладка педали акселератора | |
| 695Е-1108158 | 695Е-1108158 | Опора промежуточного валика в сборе | |
| 695Б-1108144 | 695Б-1108144 | Опора тяги | |
| 698-1108144-Б | 698-1108144-Б | Опора тяги | |
| 695М-1108031 | 695М-1108031 | Ось педалей | |
| 260058-П8 | 260058-П8 | Палец 10х30 | |
| 260072-П29 | 260072-П29 | Палец | |
| 695Н-1108014-01 | 695Н-1108014-01 | Педаль акселератора |
Содержащиеся в справочниках-каталогах запасные части и детали не предлагаются к продаже, а носят исключительно информационный характер