Каталог запасных частей к технике: ЛАЗ 699Р. Стеклоочиститель, омыватель и привод
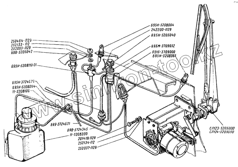
П315-3709000
695Н-5208094
252134-П2
252133-П2
252037-П29
252003-П29
СЛ124-5205000
СЛ123-5205000
695Н-5208110-01
699-3724631
698-3724345
11-5208200
11-5208100
695Н-5208064
695Н-5208065
695Н-3724672
698-5205042
695Н-5205040
695М-3709032
250464-П29
242200-П29
201418-П29
| Позиция на иллюстрации | Заводской номер детали | Название детали | |
|---|---|---|---|
| П315-3709000 | П315-3709000 | Переключатель стеклоочистителя и омывателя | |
| 695Н-5208094 | 695Н-5208094 | Шланг впускной | |
| 252134-П2 | 252134-П2 | Шайба 6 пружинная | |
| 252133-П2 | 252133-П2 | Шайба 5 пружинная | |
| 252037-П29 | 252037-П29 | Шайба 6 | |
| 252003-П29 | 252003-П29 | Шайба 5 | |
| СЛ124-5205000 | СЛ124-5205000 | Стеклоочиститель правый | |
| СЛ123-5205000 | СЛ123-5205000 | Стеклоочиститель левый | |
| 695Н-5208110-01 | 695Н-5208110-01 | Переходник в сборе | |
| 699-3724631 | 699-3724631 | Перемычка | |
| 698-3724345 | 698-3724345 | Перемычка | |
| 11-5208200 | 11-5208200 | Бачок омывателя | |
| 11-5208100 | 11-5208100 | Насос с электродвигателей | |
| 695Н-5208064 | 695Н-5208064 | Жиклер опрыскивателя ветрового стекла правый в сборе | |
| 695Н-5208065 | 695Н-5208065 | Жиклер опрыскивателя ветрового стекла левый в сборе | |
| 695Н-3724672 | 695Н-3724672 | Жгут проводов стеклоочистителя | |
| 698-5205042 | 698-5205042 | Головка переключателя | |
| 695Н-5205040 | 695Н-5205040 | Головка переключателя | |
| 695М-3709032 | 695М-3709032 | Гайка переключатели | |
| 250464-П29 | 250464-П29 | Гайка М5-6Н | |
| 242200-П29 | 242200-П29 | Винт М4х6 | |
| 201418-П29 | 201418-П29 | Болт М6 |
Содержащиеся в справочниках-каталогах запасные части и детали не предлагаются к продаже, а носят исключительно информационный характер