Каталог запасных частей к технике: ЛАЗ 699Р. Система питания
695-1108092
698-1104014
695Б-1104030
698-1104012
305284-П
305284-П
421041-П
421041-П
699Н-1101103
699Н-1101102
698-1104023
698-1104040
695-3506122
695М-1108072
699Н-1101055
695Б-1101110
288019-П29
252006-П29
252006-П8
252134-П2
252134-П2
252135-П2
252136-П2
252136-П2
699Н-1104297
258038-П8
419910-П29
695-1105015
262542-П29
699Н-1102010
201499-П29
201499-П29
201505-П29
220086-П29
224597-П29
224597-П29
250508-П29
250510-П29
250512-П29
250512-П29
251086-П29
697В-1102024
699Н-1101010
262543-П2
120-1103010
695-3806048
695-3806048
695М-1108098
698-1104044
695-1303022
695-3506266-Б
697-3506282
697-3506282
699Н-1101060
699Н-1104020
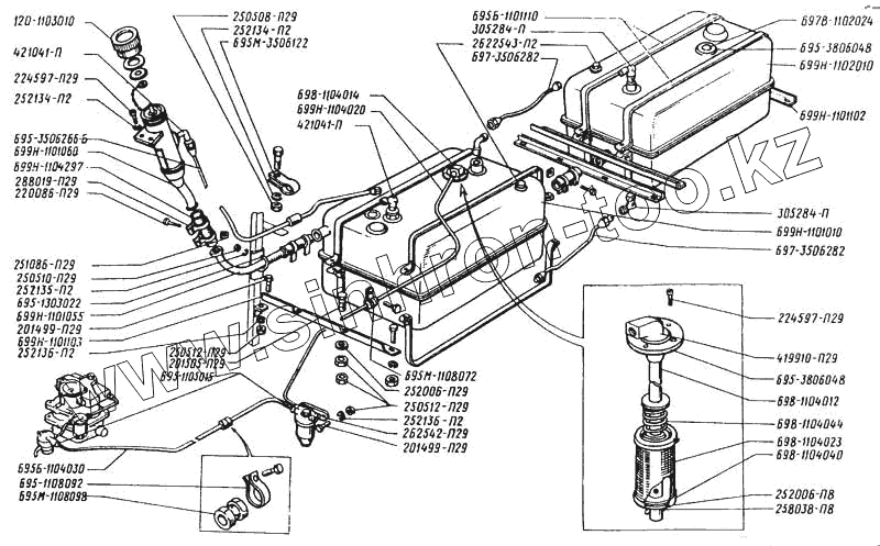
| Позиция на иллюстрации | Заводской номер детали | Название детали | |
|---|---|---|---|
| 695-1108092 | 695-1108092 | Хомут крепления трубопровода | |
| 698-1104014 | 698-1104014 | Труба присыпая топливного бака с фильтром в сборе | |
| 695Б-1104030 | 695Б-1104030 | Трубка от фильтра-отстойника к топливному насосу в сборе | |
| 698-1104012 | 698-1104012 | Трубка с фланцем в сборе | |
| 305284-П | 305284-П | Угольник ввертный | |
| 421041-П | 421041-П | Угольник ввертный | |
| 699Н-1101103 | 699Н-1101103 | Угольник установки топливного бака задний | |
| 699Н-1101102 | 699Н-1101102 | Угольник установки топливного бака передний | |
| 698-1104023 | 698-1104023 | Фильтр в сборе | |
| 698-1104040 | 698-1104040 | Фланец фильтра | |
| 695-3506122 | 695-3506122 | Хомут | |
| 695М-1108072 | 695М-1108072 | Хомут в сборе | |
| 699Н-1101055 | 699Н-1101055 | Труба подводящая топливного бака | |
| 695Б-1101110 | 695Б-1101110 | Хомут топливного бака | |
| 288019-П29 | 288019-П29 | Хомутик | |
| 252006-П29 | 252006-П29 | Шайба 10 | |
| 252006-П8 | 252006-П8 | Шайба | |
| 252134-П2 | 252134-П2 | Шайба 6 пружинная | |
| 252135-П2 | 252135-П2 | Шайба 8 пружинная | |
| 252136-П2 | 252136-П2 | Шайба 10 пружинная | |
| 699Н-1104297 | 699Н-1104297 | Шланг соединительный | |
| 258038-П8 | 258038-П8 | Шплинт 3,2х16 | |
| 419910-П29 | 419910-П29 | Штуцер | |
| 695-1105015 | 695-1105015 | Штуцер | |
| 262542-П29 | 262542-П29 | Пробка КГ 1/4" | |
| 699Н-1102010 | 699Н-1102010 | Бак топливный дополнительный в сборе | |
| 201499-П29 | 201499-П29 | Болт М10х30 | |
| 201505-П29 | 201505-П29 | Болт М10-6gх45 | |
| 220086-П29 | 220086-П29 | Винт | |
| 224597-П29 | 224597-П29 | Винт М5х10 | |
| 250508-П29 | 250508-П29 | Гайка М6-6Н | |
| 250510-П29 | 250510-П29 | Гайка М8-6Н | |
| 250512-П29 | 250512-П29 | Гайка М10-6Н | |
| 251086-П29 | 251086-П29 | Гайка | |
| 305239-П29 | 305239-П29 | Гайка соединительная | |
| 697В-1102024 | 697В-1102024 | Заглушка топливного бака | |
| 699Н-1101010 | 699Н-1101010 | Бак топливный | |
| 262543-П2 | 262543-П2 | Пробка К3/8" | |
| 120-1103010 | 120-1103010 | Пробка топливного бака в сборе | |
| 695-3806048 | 695-3806048 | Прокладка датчика указателя уровня топлива уплотнительная | |
| 695М-1108098 | 695М-1108098 | Прокладка хомута | |
| 698-1104044 | 698-1104044 | Пружина | |
| 695-1303022 | 695-1303022 | Стремянка крепления отводной трубы | |
| 695-3506266-Б | 695-3506266-Б | Труба в сборе | |
| 697-3506282 | 697-3506282 | Труба крана отбора воздуха в сборе | |
| 699Н-1101060 | 699Н-1101060 | Труба наливная в сборе | |
| 699Н-1104020 | 699Н-1104020 | Труба от топливного бака к фильтру-отстойнику |
Содержащиеся в справочниках-каталогах запасные части и детали не предлагаются к продаже, а носят исключительно информационный характер