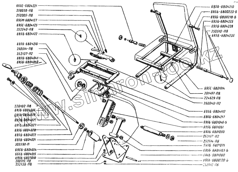
Каталог запасных частей к технике: ЛАЗ 699Р. Сиденье водителя
695Б-6804122
695Б-6804021
695Б-6804035
695Б-6804225
695Б-6804225
695Е-6804123
695Б-6804027
695Б-6804028
695Б-6804210
695Б-6804112
695М-6804127
695Б-6801061
695Б-6801071
695Б-6807010
695Б-6804228
695Е-6804221
695Б-6804015
252005-П8
305590-П
252136-П8
252137-П2
252137-П2
695Б-6800220-Б
695Б-6800220-Б
695Б-6804024
258038-П8
695Б-6804022
695Б-6804039
200315-П8
201497-П8
220102-П8
224629-П8
695Б-6801065-Б
250510-П8
250512-П8
250514-П8
250514-П8
695Б-6804040
252540-П8
695Б-6804235
695Б-6804041
695Б-6804217
695Б-6804216
695Б-6804029
695Е-6801014
695Б-6801090
260040-П2
695Б-6800218-Б
695Б-6801080
695Б-6801046-Б
| Позиция на иллюстрации | Заводской номер детали | Название детали | |
|---|---|---|---|
| 695Б-6804122 | 695Б-6804122 | Фиксатор | |
| 695Б-6804021 | 695Б-6804021 | Поршень | |
| 695Б-6804035 | 695Б-6804035 | Прокладка | |
| 695Б-6804225 | 695Б-6804225 | Пружина | |
| 695Е-6804123 | 695Е-6804123 | Пружина | |
| 695Б-6804027 | 695Б-6804027 | Пружина амортизатора | |
| 695Б-6804028 | 695Б-6804028 | Пружина амортизатора | |
| 695Б-6804210 | 695Б-6804210 | Рама основания в сборе | |
| 695Б-6804112 | 695Б-6804112 | Рама подвижная в сборе | |
| 695М-6804127 | 695М-6804127 | Рычаг | |
| 699Н-6800010 | 699Н-6800010 | Сиденье водителя в сборе | |
| 695Б-6801061 | 695Б-6801061 | Тяга верхняя в сборе | |
| 695Б-6801071 | 695Б-6801071 | Тяга нижняя в сборе | |
| 695Б-6807010 | 695Б-6807010 | Подставка сиденья водителя в сборе | |
| 695Б-6804228 | 695Б-6804228 | Фиксатор рамы основания в сборе | |
| 695Е-6804221 | 695Е-6804221 | Фиксатор спинки в сборе | |
| 695Б-6804015 | 695Б-6804015 | Цилиндр амортизатора в сборе | |
| 252005-П8 | 252005-П8 | Шайба 8 | |
| 305590-П | 305590-П | Шайба | |
| 252136-П8 | 252136-П8 | Шайба 10 пружинная | |
| 252137-П2 | 252137-П2 | Шайба 12 пружинная | |
| 695Б-6800220-Б | 695Б-6800220-Б | Шайба установочная | |
| 695Б-6804024 | 695Б-6804024 | Шайба установочная | |
| 258038-П8 | 258038-П8 | Шплинт 3,2х16 | |
| 695Б-6804022 | 695Б-6804022 | Шток | |
| 695Б-6804039 | 695Б-6804039 | Колпак защитный в сборе | |
| 200315-П8 | 200315-П8 | Болт М10х40 | |
| 201497-П8 | 201497-П8 | Болт М10х1,5х25 | |
| 220102-П8 | 220102-П8 | Винт М6 | |
| 224629-П8 | 224629-П8 | Винт М6х25 | |
| 695Б-6801065-Б | 695Б-6801065-Б | Втулка | |
| 250510-П8 | 250510-П8 | Гайка М8-6Н | |
| 250512-П8 | 250512-П8 | Гайка М10-6Н | |
| 250514-П8 | 250514-П8 | Гайка М12х1,75 | |
| 695Б-6804040 | 695Б-6804040 | Гайка | |
| 252540-П8 | 252540-П8 | Заклепка 3х8 | |
| 695Б-6804235 | 695Б-6804235 | Кнопка в сборе | |
| 695Е-6804014 | 695Е-6804014 | Амортизатор в сборе | |
| 695Б-6804041 | 695Б-6804041 | Кольцо уплотнительное | |
| 695Б-6804217 | 695Б-6804217 | Кронштейн передний левый в сборе | |
| 695Б-6804216 | 695Б-6804216 | Кронштейн передний правый в сборе | |
| 695Б-6804029 | 695Б-6804029 | Крышка цилиндра | |
| 695Е-6801014 | 695Е-6801014 | Основание сиденья в сборе | |
| 695Б-6801010 | 695Б-6801010 | Остов сиденья водителя в сборе | |
| 695Б-6801090 | 695Б-6801090 | Ось | |
| 260040-П2 | 260040-П2 | Палец 8х40 | |
| 695Б-6800218-Б | 695Б-6800218-Б | Палец | |
| 695Б-6801080 | 695Б-6801080 | Палец основания | |
| 695Б-6801046-Б | 695Б-6801046-Б | Плита неподвижная в сборе |
Содержащиеся в справочниках-каталогах запасные части и детали не предлагаются к продаже, а носят исключительно информационный характер