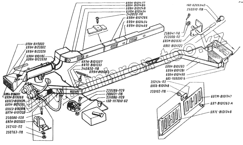
Каталог запасных частей к технике: ЛАЗ 699Р. Схема отопления автобуса
695Н-8102032
699Н-8101286
699Н-8101287
699Н-8101486
695Б-8101348
695-1108090-Б
697Е-8101346
697-8101263-А
190-6205340
695Е-8101522
699Н-8119068
699Н-8101283
699Н-8122026
130-1117010-Б2
699Н-8122030
288021-П8
252006-П2
252133-П2
252134-П2
695ЕЭ-8102078
695ЕЭ-8102079
258041-П8
699Н-8101185
220102-П8
240820-П8
240820-П8
250763-П8
251086-П29
250510-П8
697М-8101347
697Н-8101220
697Н-8101290
699Н-8101490
699Н-8122002
220086-П29
220086-П29
699Н-8119800
695М-8101530
699А-8106001
699Н-8101248
699Н-8101281
699Н-8101477
697Е-8101233
699Н-8101454
699Н-8101454
699Н-8101469
697Е-8101307
| Позиция на иллюстрации | Заводской номер детали | Название детали | |
|---|---|---|---|
| 695Н-8102032 | 695Н-8102032 | Сопло обдува ветровых стекол в сборе | |
| 699Н-8101286 | 699Н-8101286 | Панель термоизоляционная | |
| 699Н-8101287 | 699Н-8101287 | Панель термоизоляционная | |
| 699Н-8101486 | 699Н-8101486 | Панель термоизоляционная | |
| 695Б-8101348 | 695Б-8101348 | Пластина задвижки ограничительная | |
| 695-1108090-Б | 695-1108090-Б | Пружина акселератора оттяжная | |
| 697Е-8101346 | 697Е-8101346 | Решетка задвижки | |
| 697М-8101345 | 697М-8101345 | Рамка с задвижкой в сборе | |
| 697-8101263-А | 697-8101263-А | Ручка задвижки | |
| 190-6205340 | 190-6205340 | Ручка рычага | |
| 695Е-8101522 | 695Е-8101522 | Рычаг привода дверки | |
| 699Н-8119068 | 699Н-8119068 | Сетка воздухозаборника | |
| 699Н-8101283 | 699Н-8101283 | Панель термоизоляционная | |
| 699Н-8122026 | 699Н-8122026 | Угольник крепления фильтра | |
| 130-1117010-Б2 | 130-1117010-Б2 | Фильтр тонкой очистки топлива сетчатый в сборе | |
| 699Н-8122030 | 699Н-8122030 | Фильтр в сборе | |
| 288021-П8 | 288021-П8 | Хомутик | |
| 252006-П2 | 252006-П2 | Шайба 10 | |
| 252133-П2 | 252133-П2 | Шайба 5 пружинная | |
| 252134-П2 | 252134-П2 | Шайба 6 пружинная | |
| 695ЕЭ-8102078 | 695ЕЭ-8102078 | Шланг обогрева стекол | |
| 695ЕЭ-8102079 | 695ЕЭ-8102079 | Шланг обогрева стекол | |
| 258041-П8 | 258041-П8 | Шплинт 3х30 | |
| 699Н-8101185 | 699Н-8101185 | Кожух №1 в сборе | |
| 220102-П8 | 220102-П8 | Винт М6 | |
| 240820-П8 | 240820-П8 | Винт самонарезающий М4х1,6х18 | |
| 250763-П8 | 250763-П8 | Гайка М5 | |
| 251086-П29 | 251086-П29 | Гайка | |
| 250510-П8 | 250510-П8 | Гайка М8-6Н | |
| 697М-8101347 | 697М-8101347 | Задвижка | |
| 697Н-8101220 | 697Н-8101220 | Кожух канала в сборе | |
| 697Н-8101290 | 697Н-8101290 | Кожух с вентиляторами в сборе | |
| 699Н-8101490 | 699Н-8101490 | Кожух с дверкой | |
| 699Н-8122002 | 699Н-8122002 | Кожух фильтра в сборе | |
| 220086-П29 | 220086-П29 | Винт | |
| 699Н-8119800 | 699Н-8119800 | Корпус с заслонной в сборе | |
| 695М-8101530 | 695М-8101530 | Кронштейн | |
| 699А-8106001 | 699А-8106001 | Отопительно-вентиляционная установка | |
| 699Н-8101248 | 699Н-8101248 | Панель внутренняя | |
| 699Н-8101281 | 699Н-8101281 | Панель канала | |
| 699Н-8101477 | 699Н-8101477 | Панель канала | |
| 697Е-8101233 | 697Е-8101233 | Панель переходная | |
| 699Н-8101454 | 699Н-8101454 | Панель пиля передняя | |
| 699Н-8101469 | 699Н-8101469 | Панель пола задняя | |
| 697Е-8101307 | 697Е-8101307 | Панель №1 термоизоляционная |
Содержащиеся в справочниках-каталогах запасные части и детали не предлагаются к продаже, а носят исключительно информационный характер