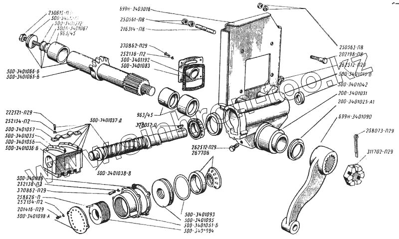
Каталог запасных частей к технике: ЛАЗ 699Р. Механизм рулевой
200-3401031
963/45
963/45
267706
500-3401057
262512-П29
262512-П29
500-3401189
5003401192
200-3401025-А1
500-3401042
500-3401066-Б
600-3401065-Б
699Н-3401090
500А-3401067
252134-П2
252136-П2
252136-П2
252154-П2
500-3401095
500-3401035
216314-П8
258073-П29
378057-П
258626-П
500-3401094
202198-П8
370862-П29
370862-П29
222521-П29
500-3401038-В
500-3401072
500-3401037-Д1
250561-П8
250563-П8
250615-П29
311702-П29
201416-П29
500-3401036-Б
500-3401015-В
500-3401093
699Н-3403016
500-3401083
500-3401061-Б
500-3401056
500-3401098-А
| Позиция на иллюстрации | Заводской номер детали | Название детали | |
|---|---|---|---|
| 200-3401031 | 200-3401031 | Шайба опорная | |
| 963/45 | 963/45 | Подшипник игольчатый | |
| 267706 | 267706 | Подшипник радиально-упорный | |
| 500-3401057 | 500-3401057 | Прижим направляющих | |
| 262512-П29 | 262512-П29 | Пробка К1/2" | |
| 500-3401189 | 500-3401189 | Прокладка | |
| 5003401192 | 5003401192 | Прокладка | |
| 200-3401025-А1 | 200-3401025-А1 | Сальник | |
| 500-3401042 | 500-3401042 | Сальник | |
| 500-3401066-Б | 500-3401066-Б | Сектор в сборе | |
| 600-3401065-Б | 600-3401065-Б | Сектор в сборе | |
| 699Н-3401090 | 699Н-3401090 | Сошка | |
| 943/45 | 943/45 | Подшипник | |
| 500А-3401067 | 500А-3401067 | Шайба опорная | |
| 252134-П2 | 252134-П2 | Шайба 6 пружинная | |
| 252136-П2 | 252136-П2 | Шайба 10 пружинная | |
| 252154-П2 | 252154-П2 | Шайба 6 пружинная | |
| 500-3401095 | 500-3401095 | Шайба уплотнительная | |
| 500-3401035 | 500-3401035 | Шарик | |
| 216314-П8 | 216314-П8 | Шпилька | |
| 258073-П29 | 258073-П29 | Шплинт | |
| 378057-П | 378057-П | Шпонка | |
| 258626-П | 258626-П | Штифт | |
| 500-3401094 | 500-3401094 | Гайка регулировочная | |
| 202198-П8 | 202198-П8 | Болт | |
| 370862-П29 | 370862-П29 | Болт | |
| 222521-П29 | 222521-П29 | Винт | |
| 500-3401038-В | 500-3401038-В | Винт | |
| 500-3401072 | 500-3401072 | Винт регулировочный | |
| 500-3401037-Д1 | 500-3401037-Д1 | Винт с гайкой-рейкой | |
| 250561-П8 | 250561-П8 | Гайка М16х1,5 | |
| 250563-П8 | 250563-П8 | Гайка М18х1,5 | |
| 250615-П29 | 250615-П29 | Гайка | |
| 311702-П29 | 311702-П29 | Гайка | |
| 500-3401073 | 500-3401073 | Гайка | |
| 201416-П29 | 201416-П29 | Болт М6х12 | |
| 500-3401036-Б | 500-3401036-Б | Гайка-рейка | |
| 500-3401015-В | 500-3401015-В | Картер | |
| 500-3401093 | 500-3401093 | Кольцо резиновое | |
| 699Н-3403016 | 699Н-3403016 | Кронштейн | |
| 500-3401083 | 500-3401083 | Крышка картера боковая | |
| 500-3401061-Б | 500-3401061-Б | Крышка картера нижняя | |
| 500-3401005-Д | 500-3401005-Д | Механизм рулевой в сборе | |
| 699Н-3401030 | 699Н-3401030 | Механизм рулевой с сошкой | |
| 500-3401056 | 500-3401056 | Направляющая шариков | |
| 500-3401098-А | 500-3401098-А | Пластина стопорная |
Содержащиеся в справочниках-каталогах запасные части и детали не предлагаются к продаже, а носят исключительно информационный характер