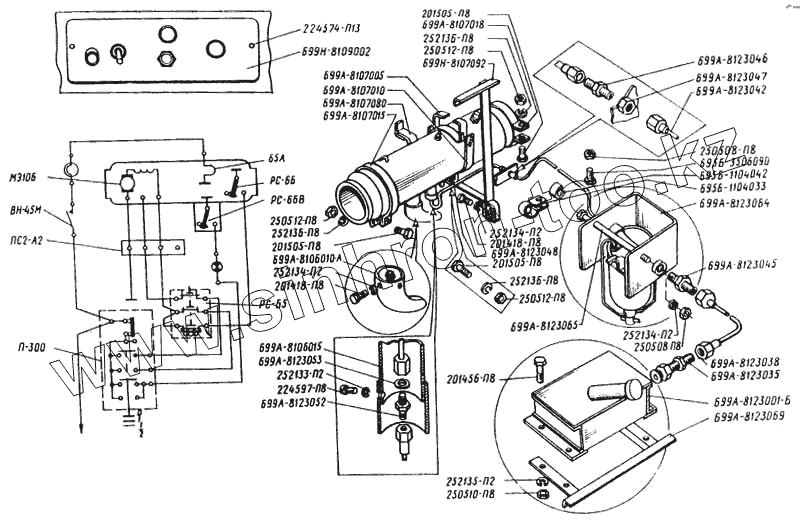
Каталог запасных частей к технике: ЛАЗ 699Р. Крепление отопителей кузова
252136-П2
252136-П2
252136-П2
РС-65
65А
699А-8123038
699А-8123042
699А-8123048
699А-8107092
695Б-1104042
695Б-1104033
699А-8107010
699А-8107015
699А-8107018
699А-8123053
252133-П2
252134-П2
252134-П2
252134-П2
252135-П2
699А-8123065
699А-8123035
699А-8123052
699А-8123046
699А-8123045
699Н-8109002
МЭ-106
699А-8106010-А
201418-П8
201418-П8
201505-П8
201505-П8
201505-П8
224574-П13
224597-П8
695Б-3506090
ВН-45М
250508-П8
250508-П8
250512-П8
250512-П8
250512-П8
250510-П8
699А-8123047
699А-8123001-Б
РС-66
РС-66В
201456-П8
699А-8123064
699А-8107005
699Н-8107080
ПС2-А2
699А-8106015
П-300
699А-8123069
| Позиция на иллюстрации | Заводской номер детали | Название детали | |
|---|---|---|---|
| 252136-П2 | 252136-П2 | Шайба 10 пружинная | |
| РС-65 | РС-65 | Реле перегрева | |
| 65А | 65А | Свеча накаливания | |
| 699А-8123038 | 699А-8123038 | Трубка в сборе | |
| 699А-8123042 | 699А-8123042 | Трубка в сборе | |
| 699А-8123048 | 699А-8123048 | Трубка к отопителю в сборе | |
| 699А-8107092 | 699А-8107092 | Угольник | |
| 695Б-1104042 | 695Б-1104042 | Уплотнитель трубки | |
| 695Б-1104033 | 695Б-1104033 | Хомут крепления трубки | |
| 699А-8107010 | 699А-8107010 | Хомут в сборе | |
| 699А-8107015 | 699А-8107015 | Хомут отопители | |
| 699А-8107018 | 699А-8107018 | Хомут №2 | |
| 699А-8123053 | 699А-8123053 | Прокладка штуцера | |
| 252133-П2 | 252133-П2 | Шайба 5 пружинная | |
| 252134-П2 | 252134-П2 | Шайба 6 пружинная | |
| 252135-П2 | 252135-П2 | Шайба 8 пружинная | |
| 699А-8123065 | 699А-8123065 | Шпилька а сборе | |
| 699А-8123035 | 699А-8123035 | Штуцер краника | |
| 699А-8123052 | 699А-8123052 | Штуцер отопителя | |
| 699А-8123046 | 699А-8123046 | Штуцер соединительный | |
| 699А-8123045 | 699А-8123045 | Штуцер фильтра | |
| 699Н-8109002 | 699Н-8109002 | Щиток отопителя в сборе | |
| МЭ-106 | МЭ-106 | Электродвигатель | |
| 699А-8106010-А | 699А-8106010-А | Глушитель отопителя | |
| 201418-П8 | 201418-П8 | Болт М6х16 | |
| 201505-П8 | 201505-П8 | Болт М10х45 | |
| 224574-П13 | 224574-П13 | Винт | |
| 224597-П8 | 224597-П8 | Винт М5х10 | |
| 695Б-3506090 | 695Б-3506090 | Винт | |
| ВН-45М | ВН-45М | Выключатель | |
| 250508-П8 | 250508-П8 | Гайка М6-6Н | |
| 250512-П8 | 250512-П8 | Гайка М10-6Н | |
| 250510-П8 | 250510-П8 | Гайка М8-6Н | |
| 699А-8123047 | 699А-8123047 | Гайка | |
| 699А-8123001-Б | 699А-8123001-Б | Бачок в сборе | |
| РС-66 | РС-66 | Датчик перегрева | |
| РС-66В | РС-66В | Датчик сигнализации | |
| 201456-П8 | 201456-П8 | Болт М8-6gх20 | |
| 699А-8123064 | 699А-8123064 | Кронштейн | |
| 699А-8107005 | 699А-8107005 | Кронштейн в сборе | |
| 699Н-8107080 | 699Н-8107080 | Крышка в сборе | |
| ПС2-А2 | ПС2-А2 | Панель соединительная | |
| 699А-8106015 | 699А-8106015 | Патрубок отопителя | |
| П-300 | П-300 | Переключатель | |
| 699А-8123069 | 699А-8123069 | Подвеска бачка в сборе |
Содержащиеся в справочниках-каталогах запасные части и детали не предлагаются к продаже, а носят исключительно информационный характер