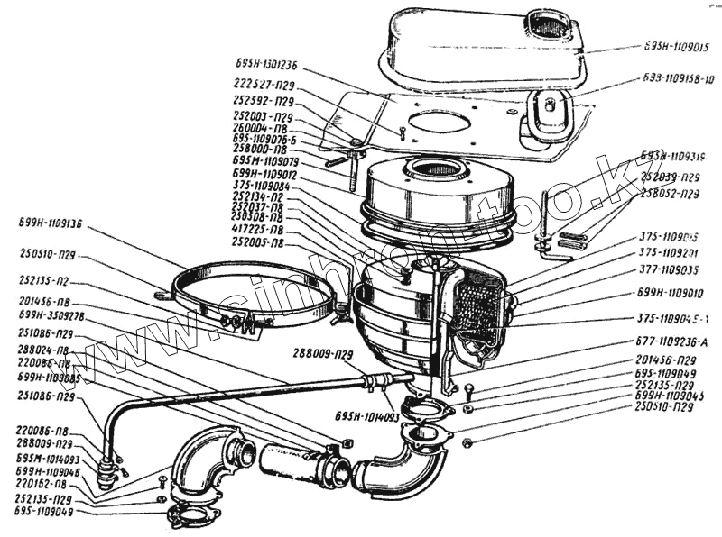
Каталог запасных частей к технике: ЛАЗ 699Р. Фильтр воздушный двигателя
252003-П29
699Н-1109046
375-1109045-А
695-1109049
695-1109049
375-1109084
695-1109076-Б
699Н-3509278
699Н-1109136
288009-П29
288009-П29
288024-П8
677-1109236-А
252005-П8
252037-П8
252039-П29
252134-П2
252135-П29
252135-П29
252135-П29
699Н-1109085
695М-1014093
695М-1014093
258000-П8
258052-П29
375-1109201
252592-П29
695М-1109079
220086-П8
220086-П8
220162-П8
222527-П29
695Н-1109319
699Н-1109010
250508-П8
250510-П29
250510-П29
251086-П29
251086-П29
417225-П8
201456-П8
201456-П8
698-1109158-10
377-1109035
699Н-1109012
695Н-1109015
375-1109015
260004-П8
695Н-1301236
699Н-1109045
| Позиция на иллюстрации | Заводской номер детали | Название детали | |
|---|---|---|---|
| 252003-П29 | 252003-П29 | Шайба 5 | |
| 699Н-1109046 | 699Н-1109046 | Патрубок нижний в сборе | |
| 375-1109045-А | 375-1109045-А | Прокладка | |
| 695-1109049 | 695-1109049 | Прокладка воздушного фильтра | |
| 375-1109084 | 375-1109084 | Прокладка крышки корпуса | |
| 695-1109076-Б | 695-1109076-Б | Скоба крепления откидного болта | |
| 699Н-3509278 | 699Н-3509278 | Труба компрессора задняя | |
| 699Н-1109009 | 699Н-1109009 | Фильтр воздушный с патрубком | |
| 699Н-1109136 | 699Н-1109136 | Хомут в сборе | |
| 288009-П29 | 288009-П29 | Хомутик | |
| 288024-П8 | 288024-П8 | Хомут | |
| 677-1109236-А | 677-1109236-А | Патрубок воздухоочистителя в сборе | |
| 252005-П8 | 252005-П8 | Шайба 8 | |
| 252037-П8 | 252037-П8 | Шайба 6 пружинная | |
| 252039-П29 | 252039-П29 | Шайба | |
| 252134-П2 | 252134-П2 | Шайба 6 пружинная | |
| 252135-П29 | 252135-П29 | Шайба 8 | |
| 699Н-1109085 | 699Н-1109085 | Шланг воздушного фильтра | |
| 695М-1014093 | 695М-1014093 | Шланг соединительный | |
| 258000-П8 | 258000-П8 | Шплинт 1,5х10 | |
| 258052-П29 | 258052-П29 | Шплинт | |
| 375-1109201 | 375-1109201 | Элемент фильтрующий в сборе | |
| 252592-П29 | 252592-П29 | Заклепка | |
| 695М-1109079 | 695М-1109079 | Болт откидной | |
| 220086-П8 | 220086-П8 | Винт М6х30 | |
| 220162-П8 | 220162-П8 | Винт М8х16 | |
| 222527-П29 | 222527-П29 | Винт | |
| 695Н-1109319 | 695Н-1109319 | Винт заслонки | |
| 699Н-1109010 | 699Н-1109010 | Воздухоочиститель в сборе | |
| 250508-П8 | 250508-П8 | Гайка М6-6Н | |
| 250510-П29 | 250510-П29 | Гайка М8-6Н | |
| 251086-П29 | 251086-П29 | Гайка | |
| 417225-П8 | 417225-П8 | Гайка-барашек М8 | |
| 201456-П8 | 201456-П8 | Болт М8-6gх20 | |
| 698-1109158-10 | 698-1109158-10 | Заслонка трубы крышки воздушного фильтра в сборе | |
| 377-1109035 | 377-1109035 | Корпус воздухоочистителя в сборе | |
| 699Н-1109012 | 699Н-1109012 | Крышка воздушного фильтра в сборе | |
| 695Н-1109015 | 695Н-1109015 | Крышка заборника воздушного фильтра | |
| 375-1109015 | 375-1109015 | Крышка фильтрующего элемента в сборе | |
| 260004-П8 | 260004-П8 | Палец | |
| 695Н-1301236 | 695Н-1301236 | Панель передняя | |
| 699Н-1301099 | 699Н-1301099 | Панель передняя в сборе | |
| 695Н-1301097 | 695Н-1301097 | Панель передняя с заслонкой в сборе | |
| 699Н-1109045 | 699Н-1109045 | Патрубок верхний в сборе |
Содержащиеся в справочниках-каталогах запасные части и детали не предлагаются к продаже, а носят исключительно информационный характер