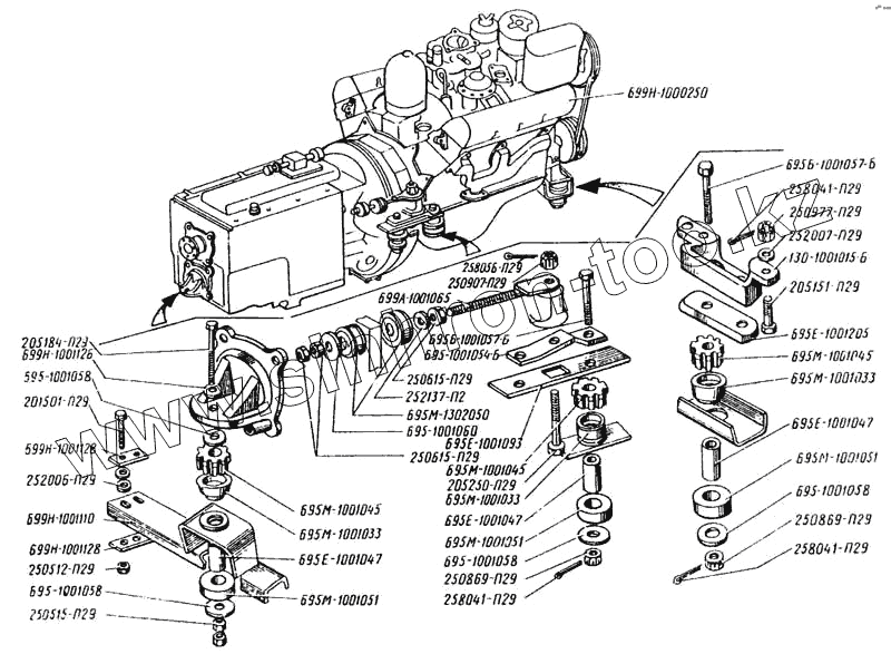
Каталог запасных частей к технике: ЛАЗ 699Р. Двигатель в сборе и подвеска двигателя
252006-П29
130-1001015-Б
695-1001054-Б
695Е-1001093
695М-1001045
695М-1001045
695М-1001045
695М-1001051
695М-1001051
695М-1001051
695М-1302050
699Н-1001110
699А-1001065
695Е-1001205
252007-П29
252137-П2
695-1001058
695-1001058
695-1001058
695-1001058
695-1001060
699Н-1001128
699Н-1001128
258041-П29
258041-П29
258041-П29
258056-П29
201501-П29
699Н-1000250
695М-1001033
695М-1001033
695М-1001033
250977-П29
250907-П29
250869-П29
250869-П29
250615-П29
250615-П29
250515-П29
250512-П29
695Е-1001047
695Е-1001047
695Е-1001047
699Н-1001126
695Б-1001057-Б
695Б-1001057-Б
205184-П29
205151-П29
205250-П29
| Позиция на иллюстрации | Заводской номер детали | Название детали | |
|---|---|---|---|
| 252006-П29 | 252006-П29 | Шайба 10 | |
| 130-1001015-Б | 130-1001015-Б | Кронштейн передней опоры двигателя | |
| 695-1001054-Б | 695-1001054-Б | Накладка подушек задней опоры двигателя | |
| 695Е-1001093 | 695Е-1001093 | Пластина накладки подушек задней опоры двигателя | |
| 695М-1001045 | 695М-1001045 | Подушка задней опоры двигателя верхняя | |
| 695М-1001051 | 695М-1001051 | Подушка задней опоры двигателя нижняя | |
| 695М-1302050 | 695М-1302050 | Подушка подвески радиатора в сборе | |
| 699Н-1001110 | 699Н-1001110 | Поперечина съемная в сборе | |
| 699А-1001065 | 699А-1001065 | Тяга крепления двигателя в сборе | |
| 695Е-1001205 | 695Е-1001205 | Колпак верхних подушек передней опоры двигателя защитный | |
| 252007-П29 | 252007-П29 | Шайба 12 | |
| 252137-П2 | 252137-П2 | Шайба 12 пружинная | |
| 695-1001058 | 695-1001058 | Шайба специальная | |
| 695-1001060 | 695-1001060 | Шайба специальная | |
| 699Н-1001128 | 699Н-1001128 | Шайба стопорная | |
| 258041-П29 | 258041-П29 | Шплинт 3,2х32 | |
| 258056-П29 | 258056-П29 | Шплинт | |
| 201501-П29 | 201501-П29 | Болт М6х12 | |
| 375Я5-1000120 | 375Я5-1000120 | Двигатель (для поставки) | |
| 699Н-1000250 | 699Н-1000250 | Двигатель | |
| 695М-1001033 | 695М-1001033 | Гнездо верхней подушки подвески двигателя | |
| 250977-П29 | 250977-П29 | Гайка | |
| 250907-П29 | 250907-П29 | Гайка | |
| 250869-П29 | 250869-П29 | Гайка | |
| 250615-П29 | 250615-П29 | Гайка | |
| 250515-П29 | 250515-П29 | Гайка | |
| 250512-П29 | 250512-П29 | Гайка М10-6Н | |
| 695Е-1001047 | 695Е-1001047 | Втулка подушек подвески двигателя распорная | |
| 699Н-1001126 | 699Н-1001126 | Втулка | |
| 695Б-1001057-Б | 695Б-1001057-Б | Болт специальный | |
| 205184-П29 | 205184-П29 | Болт | |
| 205151-П29 | 205151-П29 | Болт | |
| 205250-П29 | 205250-П29 | Болт |
Содержащиеся в справочниках-каталогах запасные части и детали не предлагаются к продаже, а носят исключительно информационный характер