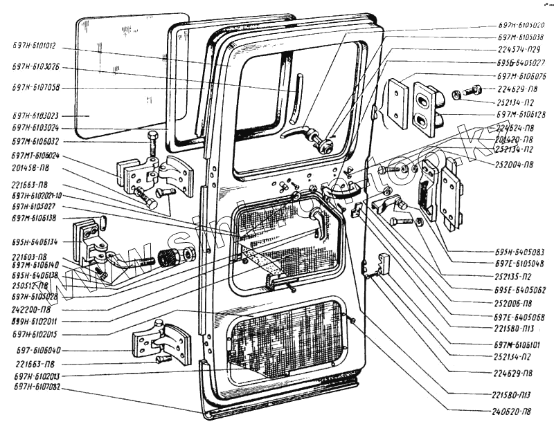
Каталог запасных частей к технике: ЛАЗ 699Р. Дверь пассажирская
697Е-6405068
697М-6106138
697М-6106032
697М-6106140
697Н-6101012
697Н-6102013
699Н-6102011
697М-6106076
695Б-6405027
697Н-6105027
697Н-6105028
697Н-6105020
697М-6106101
697Н-6103023
697М-6107058
697Н-6107082
697Н-6103024
695Н-6405083
252004-П8
252006-П8
252134-П2
252134-П2
252134-П2
252135-П2
697Н-6102021-10
250512-П8
201458-П8
221580-П13
221580-П13
221603-П8
221663-П8
221663-П8
224574-П8
224624-П8
224629-П29
224629-П8
240620-П8
242200-П8
697М-6105038
201420-П8
697Н-6102015
697Н-6103026
695Е-6405062
697М-6106128
695Н-6406134
697Е-6105048
697-6106024
697-6106040
695Н-6406138
| Позиция на иллюстрации | Заводской номер детали | Название детали | |
|---|---|---|---|
| 697Е-6405068 | 697Е-6405068 | Скоба защелки | |
| 697М-6106138 | 697М-6106138 | Осы | |
| 697М-6106032 | 697М-6106032 | Ось навески двери | |
| 697М-6106140 | 697М-6106140 | Палец | |
| 697Н-6101012 | 697Н-6101012 | Панель наружная с панелью внутренней в сборе | |
| 697Н-6102013 | 697Н-6102013 | Панель обивки пассажирской двери | |
| 699Н-6102011 | 699Н-6102011 | Панель обивки | |
| 697М-6106076 | 697М-6106076 | Пластина регулировочная | |
| 695Б-6405027 | 695Б-6405027 | Поручень | |
| 697Н-6105027 | 697Н-6105027 | Прокладка | |
| 697Н-6105028 | 697Н-6105028 | Рукоятка замка внутренняя | |
| 697Н-6105020 | 697Н-6105020 | Рукоятка замка наружная в сборе | |
| 697М-6106101 | 697М-6106101 | Установ двери | |
| 697Н-6103023 | 697Н-6103023 | Стекло пассажирской двери | |
| 697М-6107058 | 697М-6107058 | Уплотнитель | |
| 697Н-6107082 | 697Н-6107082 | Уплотнитель двери нижний | |
| 697Н-6103024 | 697Н-6103024 | Уплотнитель окна пассажирской дрери | |
| 695Н-6405083 | 695Н-6405083 | Упор замка двери водителя | |
| 252004-П8 | 252004-П8 | Шайба 6 пружинная | |
| 252006-П8 | 252006-П8 | Шайба | |
| 252134-П2 | 252134-П2 | Шайба 6 пружинная | |
| 252135-П2 | 252135-П2 | Шайба 8 пружинная | |
| 697Н-6102021-10 | 697Н-6102021-10 | Штапик | |
| 250512-П8 | 250512-П8 | Гайка М10-6Н | |
| 201458-П8 | 201458-П8 | Болт М8-6gх25 | |
| 221580-П13 | 221580-П13 | Винт М5х16 | |
| 221603-П8 | 221603-П8 | Винт М6х12 | |
| 221663-П8 | 221663-П8 | Винт М8х18 | |
| 224574-П8 | 224574-П8 | Винт М4х10 | |
| 224624-П8 | 224624-П8 | Винт М6х14 | |
| 224629-П29 | 224629-П29 | Винт М16х25 | |
| 224629-П8 | 224629-П8 | Винт М6х25 | |
| 240620-П8 | 240620-П8 | Винт самонарезающий М4х1,6х18 | |
| 242200-П8 | 242200-П8 | Винт М4х0,7х6 | |
| 697М-6105038 | 697М-6105038 | Втулка рукоятки замка наружная | |
| 201420-П8 | 201420-П8 | Болт М6х20 | |
| 697Н-6100012 | 697Н-6100012 | Дверь пассажирская в сборе | |
| 697Н-6102015 | 697Н-6102015 | Держатель обивки | |
| 697Н-6103026 | 697Н-6103026 | Замок уплотнителя окна пассажирской двери | |
| 695Е-6405062 | 695Е-6405062 | Защелка двери водителя правая | |
| 697М-6106128 | 697М-6106128 | Клин установа в сборе | |
| 695Н-6406134 | 695Н-6406134 | Кронштейн останова двери в сборе | |
| 697Е-6105048 | 697Е-6105048 | Крышка защелки | |
| 697-6106024 | 697-6106024 | Навеска пассажирской двери верхняя в сборе | |
| 697-6106040 | 697-6106040 | Навеска пассажирской двери нижняя в сборе | |
| 695Н-6406138 | 695Н-6406138 | Наконечник останова |
Содержащиеся в справочниках-каталогах запасные части и детали не предлагаются к продаже, а носят исключительно информационный характер