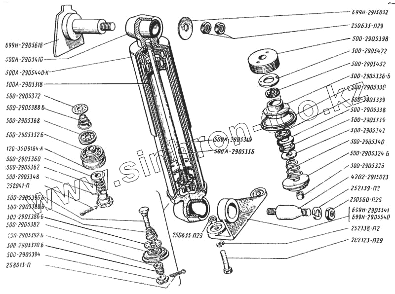
Каталог запасных частей к технике: ЛАЗ 699Р. Амортизатор
500А-2905318
500-2905382
4202-2915023
500-2905352-Б
500-2905340
500-2905362
500-2905370-Б
500-2905388-Б
500-2905388-Б
500-2905338
500-2905324-Б
699Н-2915032
500-2905339
500-2905339
500-2905372
252138-П2
252139-П2
500-2905342
500-2905472
258013-П
258041-П
500-2905396-Б
500А-2905356
500-2905368
202123-П29
500А-2905410
500-2905326
250560-П29
250635-П29
250635-П29
500-2905394
500-2905398
500-2905348
500-2905360
500-2905386-Б
500-2905392-Б
500А-2905440-К
500-2905452
120-3509164-А
500-2905330
500А-2905310
500-2905336-Б
699Н-2905616
699Н-2905541
699Н-2905540
| Позиция на иллюстрации | Заводской номер детали | Название детали | |
|---|---|---|---|
| 500А-2905318 | 500А-2905318 | Цилиндр амортизатора | |
| 500-2905322-Б | 500-2905322-Б | Крышка цилиндров в сборе | |
| 500-2905382 | 500-2905382 | Основание цилиндра | |
| 500-2905380-Б | 500-2905380-Б | Основание цилиндра амортизатора с клапанами в сборе | |
| 4202-2915023 | 4202-2915023 | Палец амортизатора | |
| 500-2905352-Б | 500-2905352-Б | Поршень амортизатора | |
| 500А-2905350 | 500А-2905350 | Поршень в сборе | |
| 500-2905340 | 500-2905340 | Пружина сальника амортизатора | |
| 500-2905362 | 500-2905362 | Пружина клапана отдачи | |
| 500-2905370-Б | 500-2905370-Б | Пружина клапана сжатия амортизатора | |
| 500-2905388-Б | 500-2905388-Б | Пружина перепускного клапана | |
| 500-2905338 | 500-2905338 | Сальник | |
| 500-2905324-Б | 500-2905324-Б | Крышка цилиндра | |
| 699Н-2915032 | 699Н-2915032 | Шайба амортизатора зажимная | |
| 500-2905339 | 500-2905339 | Шайба защитная | |
| 500-2905372 | 500-2905372 | Шайба поршня упорная | |
| 252138-П2 | 252138-П2 | Шайба 14 пружинная | |
| 252139-П2 | 252139-П2 | Шайба 16 пружинная | |
| 500-2905342 | 500-2905342 | Шайба сальника амортизатора | |
| 500-2905472 | 500-2905472 | Шайба амортизатора упорная | |
| 258013-П | 258013-П | Шплинт 2х15 | |
| 258041-П | 258041-П | Шплинт | |
| 500-2905396-Б | 500-2905396-Б | Шток клапана сжатия | |
| 500А-2905356 | 500А-2905356 | Шток поршня | |
| 500-2905368 | 500-2905368 | Клапан сжатия амортизатора дополнительный | |
| 202123-П29 | 202123-П29 | Болт | |
| 500А-2905410 | 500А-2905410 | Втулка | |
| 500-2905326 | 500-2905326 | Втулка крышки цилиндра амортизатора | |
| 250560-П29 | 250560-П29 | Гайка М16 | |
| 250635-П29 | 250635-П29 | Гайка | |
| 500-2905394 | 500-2905394 | Гайка штока клапана сжатия | |
| 500-2905398 | 500-2905398 | Гайка корпуса амортизатора | |
| 500-2905348 | 500-2905348 | Гайка поршня амортизатора | |
| 500-2905360 | 500-2905360 | Клапан отдачи амортизатора | |
| 500-2905386-Б | 500-2905386-Б | Клапан амортизатора перепускной | |
| 500-2905392-Б | 500-2905392-Б | Клапан сжатия амортизатора | |
| 500А-2905306 | 500А-2905306 | Амортизатор в сборе | |
| 500А-2905440-К | 500А-2905440-К | Кожух амортизатора в сборе | |
| 500-2905452 | 500-2905452 | Кольцо штока защитное | |
| 120-3509164-А | 120-3509164-А | Кольцо поршня компрессора | |
| 500-2905330 | 500-2905330 | Кольцо амортизатора уплотнительное | |
| 500А-2905310 | 500А-2905310 | Корпус амортизатора | |
| 500-2905336-Б | 500-2905336-Б | Корпус сальника | |
| 500-2905334-Б | 500-2905334-Б | Корпус сальника в сборе | |
| 699Н-2905616 | 699Н-2905616 | Кронштейн амортизатора верхним в сборе | |
| 699Н-2905541 | 699Н-2905541 | Кронштейн амортизатора левый | |
| 699Н-2905540 | 699Н-2905540 | Кронштейн амортизатора правый |
Содержащиеся в справочниках-каталогах запасные части и детали не предлагаются к продаже, а носят исключительно информационный характер