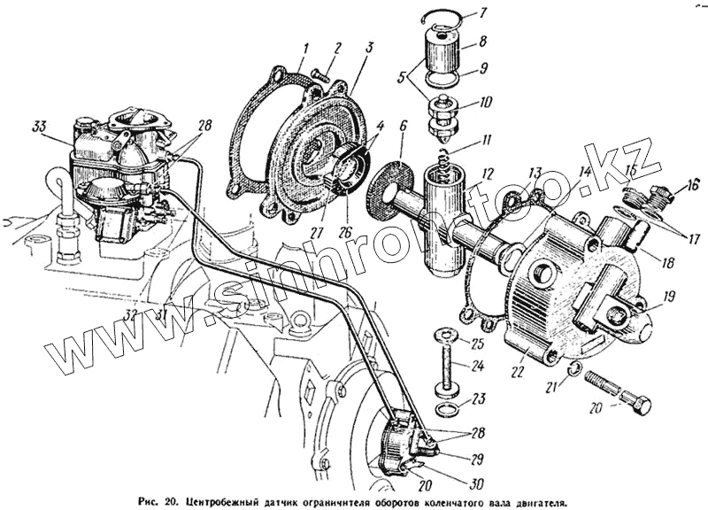
Каталог запасных частей к технике: ЛАЗ 695Н. Центробежный датчик ограничителя оборотов коленчатого вала двигателя
1
2
3
4
5
6
7
8
9
10
11
12
13
14
15
16
17
18
19
20
20
21
22
23
24
25
26
27
28
28
29
30
31
32
33
| Позиция на иллюстрации | Заводской номер детали | Название детали | |
|---|---|---|---|
| 130-1000108 | 130-1000108 | Комплект гильз и деталей поршневой группы на один двигатель | |
| 130-1000108 | 130-1000108 | Комплект гильз и деталей поршневой группы на один двигатель | |
| 130-1110980-А2 | 130-1110980-А2 | Ротор центробежного датчика в сборе | |
| 130-1000109 | 130-1000109 | Комплект гильз и деталей поршневой группы на один цилиндр | |
| 130-1000109 | 130-1000109 | Комплект гильз и деталей поршневой группы на один цилиндр | |
| 1 | 130-1110929 | Прокладка центробежного датчика | |
| 2 | 222963-П27 | Винт крепления крышки | |
| 3 | 130-1110970 | Крышка центробежного датчика с сальником ротора в сборе | |
| 4 | 130-1110994 | Сальник ротора с пружиной в сборе | |
| 5 | 130-1110990-Б | Клапан и седло датчика (комплект) | |
| 6 | 130-1110998 | Шайба опорная | |
| 7 | 130-1110999 | Кольцо замочное | |
| 8 | 130-1110991 | Седло клапана | |
| 9 | 130-1110988 | Прокладка седла клапана | |
| 10 | 130-1110992-Б | Клапан датчика | |
| 11 | 130-1110996 | Пружина клапана | |
| 12 | 130-1110981 | Ротор и валик датчика | |
| 13 | 130-1110989 | Прокладка крышки | |
| 14 | 130-1110997 | Шайба ротора | |
| 15 | 130-1110971 | Пробка датчика | |
| 16 | 304865-П | Масленка датчика в сборе | |
| 17 | 130-1110973 | Прокладка масленки и пробки | |
| 18 | 130-1110979-Б | Фитиль втулки | |
| 19 | 130-1110977 | Втулка ротора | |
| 20 | 200220-П8 | Болт крепления центробежного датчика | |
| 21 | 252154-П2 | Шайба 6 пружинная | |
| 22 | 130-1110975 | Корпус центробежного датчика со втулкой ротора в сборе | |
| 23 | 130-1110987 | Шайба | |
| 24 | 130-1110986 | Винт регулировочный | |
| 25 | 130-1110984 | Прокладка винта | |
| 26 | АБ8-1110312 | Сальник ротора | |
| 27 | 130-1110993 | Пружина сальника | |
| 28 | 421149-П8 | Штуцер ввертной | |
| 29 | 130-1110920-А | Центробежный датчик ограничителя числа оборотов коленчатого вала двигателя в сборе | |
| 30 | 130-1002061-А | Указатель установки зажигания | |
| 31 | 130-1110280 | Трубка от воздушной горловины карбюратора к боковому отверстию корпуса центробежного датчика в сборе | |
| 32 | 130-1110284 | Трубка от диафрагмы карбюратора к центробежному отверстию корпуса центробежного датчика в сборе | |
| 33 | 695Е-1107010 | Карбюратор в сборе |
Содержащиеся в справочниках-каталогах запасные части и детали не предлагаются к продаже, а носят исключительно информационный характер