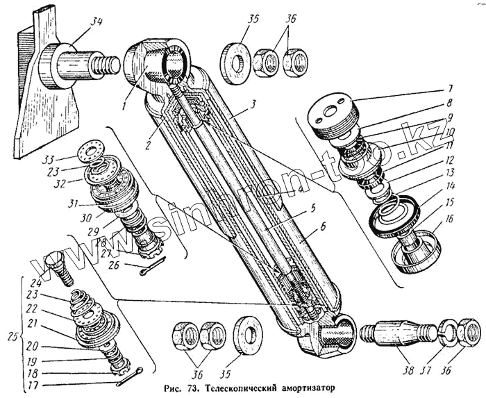
Каталог запасных частей к технике: ЛАЗ 695Н. Телескопический амортизатор
1
2
3
4
5
6
7
8
9
10
11
12
13
14
15
16
17
18
19
20
21
22
23
23
24
25
26
27
28
29
30
31
32
33
34
35
35
36
36
36
37
38
| Позиция на иллюстрации | Заводской номер детали | Название детали | |
|---|---|---|---|
| 500-2905310 | 500-2905310 | Корпус амортизатора с нижней головкой в сборе | |
| 500-2905306-Б | 500-2905306-Б | Амортизатор передней подвески в сборе | |
| 500-2905350 | 500-2905350 | Поршень амортизатора со штоком и клапанами в сборе | |
| 500-2905334 | 500-2905334 | Корпус сальника амортизатора в сборе | |
| 500-2905322 | 500-2905322 | Крышка цилиндра амортизатора в сборе | |
| 1 | 500-2905410 | Втулка головки амортизатора | |
| 2 | 500-2905440 | Головка амортизатора верхняя с кожухом в сборе | |
| 3 | 500-2905448 | Кожух амортизатора | |
| 4 | 500-2905318 | Цилиндр амортизатора передней подвески | |
| 5 | 500-2905356 | Шток поршня амортизатора | |
| 6 | 500-2905312 | Корпус амортизатора | |
| 7 | 500-2905398 | Гайка корпуса амортизатора | |
| 8 | 500-2905472 | Шайба амортизатора упорная | |
| 9 | 500-2905452 | Кольцо штока защитное | |
| 10 | 500-2905336 | Корпус сальника амортизатора | |
| 11 | 500-2905338-А | Сальник амортизатора | |
| 12 | 500-2905342 | Шайба сальника амортизатора | |
| 13 | 500-2905340 | Пружина сальника амортизатора | |
| 14 | 500-2905330 | Кольцо амортизатора уплотнительное | |
| 15 | 500-2905326 | Втулка крышки цилиндра амортизатора | |
| 16 | 500-2905324 | Крышка цилиндра амортизатора | |
| 17 | 258013-П | Шплинт 2х15 | |
| 18 | 500-2905394 | Гайка штока клапана сжатия | |
| 19 | 500-2905370-Б | Пружина клапана сжатия амортизатора | |
| 20 | 500-2905392-Б | Клапан сжатия амортизатора | |
| 21 | 500-2905382-Б | Основание цилиндра амортизатора | |
| 22 | 500-2905386-Б | Клапан амортизатора перепускной | |
| 23 | 500-2905388-Б | Пружина перепускного клапана | |
| 24 | 500-2905396-Б | Шток клапана сжатия | |
| 25 | 500-2905380-Б | Основание цилиндра амортизатора с клапанами в сборе | |
| 26 | 258041-П | Шплинт | |
| 27 | 500-2905348 | Гайка поршня амортизатора | |
| 28 | 500-2905362 | Пружина клапана отдачи | |
| 29 | 500-2905360 | Клапан отдачи амортизатора | |
| 30 | 200-3509164 | Кольцо амортизатора компрессионное | |
| 31 | 500-2905352-Б | Поршень амортизатора | |
| 32 | 500-2905368 | Клапан сжатия амортизатора дополнительный | |
| 33 | 500-2905372 | Шайба поршня упорная | |
| 34 | 695М-2905616 | Кронштейн амортизатора верхний в сборе | |
| 35 | 699Н-2915032 | Шайба амортизатора зажимная | |
| 36 | 250560-П8 | Гайка М16 | |
| 37 | 252139-П2 | Шайба 16 пружинная | |
| 38 | 699Н-2905560 | Палец амортизатора |
Содержащиеся в справочниках-каталогах запасные части и детали не предлагаются к продаже, а носят исключительно информационный характер