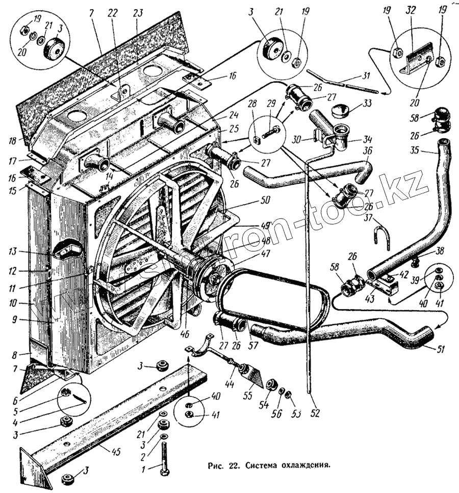
Каталог запасных частей к технике: ЛАЗ 695Н. Система охлаждения
1
2
3
3
3
3
3
3
4
5
6
7
7
8
9
10
11
12
13
14
15
16
16
17
18
19
19
19
19
20
20
21
21
21
22
23
24
25
26
26
26
26
26
26
27
27
27
27
28
28
29
29
30
30
31
31
32
32
33
34
35
36
37
38
39
40
40
41
41
42
43
44
45
46
47
48
49
50
51
52
53
54
55
56
57
58
58
| Позиция на иллюстрации | Заводской номер детали | Название детали | |
|---|---|---|---|
| 695Е-1301056 | 695Е-1301056 | Бачок радиатора верхний | |
| 695Е-1301055 | 695Е-1301055 | Бачок радиатора верхний в сборе | |
| 485-1301080 | 485-1301080 | Бачок радиатора нижний | |
| 485-1301078 | 485-1301078 | Бачок радиатора нижний в сборе | |
| 695Е-1303019 | 695Е-1303019 | Бобышка | |
| 695М-1301538 | 695М-1301538 | Боковина кожуха | |
| 695М-1309035 | 695М-1309035 | Боковина кожуха вентилятора нижняя | |
| 201416-П8 | 201416-П8 | Болт М6х12 | |
| 201418-П8 | 201418-П8 | Болт М6х16 | |
| 201418-П8 | 201418-П8 | Болт М6х16 | |
| 201418-П8 | 201418-П8 | Болт М6х16 | |
| 201418-П8 | 201418-П8 | Болт М6х16 | |
| 201420-П8 | 201420-П8 | Болт М6х20 | |
| 201456-П8 | 201456-П8 | Болт М8-6gх20 | |
| 206534-П8 | 206534-П8 | Болт М10х20 | |
| 201456-П8 | 201456-П8 | Болт М8-6gх20 | |
| 201461-П8 | 201461-П8 | Болт М8х32 | |
| 695М-1308080 | 695М-1308080 | Вал вентилятора | |
| 695М-1308009 | 695М-1308009 | Вентилятор со ступицей в сборе | |
| 695М-1308006 | 695М-1308006 | Вентилятор со ступицей и накладкой в сборе | |
| 220086-П8 | 220086-П8 | Винт М6х30 | |
| 240818-П8 | 240818-П8 | Винт самонарезающий М4х1,6х18 | |
| 695Б-3506090 | 695Б-3506090 | Винт | |
| 695Б-3506090 | 695Б-3506090 | Винт | |
| 220086-П8 | 220086-П8 | Винт М6х30 | |
| 221611-П | 221611-П | Винт М6х30 | |
| 695М-1308056 | 695М-1308056 | Втулка вала вентилятора распорная | |
| 250510-П8 | 250510-П8 | Гайка М8-6Н | |
| 250972-П8 | 250972-П8 | Гайка М14х1,5 | |
| 251086-П8 | 251086-П8 | Гайка М5 | |
| 251104-П | 251104-П | Гайка М6 | |
| 251104-П | 251104-П | Гайка М6 | |
| 251104-П | 251104-П | Гайка М6 | |
| 251104-П8 | 251104-П8 | Гайка М6 | |
| 417225-П8 | 417225-П8 | Гайка-барашек М8 | |
| 251086-П8 | 251086-П8 | Гайка М5 | |
| 250508-П8 | 250508-П8 | Гайка М6-6Н | |
| 251104-П | 251104-П | Гайка М6 | |
| 251104-П | 251104-П | Гайка М6 | |
| 251104-П | 251104-П | Гайка М6 | |
| 250510-П8 | 250510-П8 | Гайка М8-6Н | |
| 251513-П | 251513-П | Гайка-барашек | |
| 695М-1303074 | 695М-1303074 | Горловина наливного патрубка радиатора в сборе | |
| 695-3816024 | 695-3816024 | Держатель гайки | |
| 695-3816024 | 695-3816024 | Держатель гайки | |
| 695-3816024 | 695-3816024 | Держатель гайки | |
| 695-3816024 | 695-3816024 | Держатель гайки | |
| 695-3816024 | 695-3816024 | Держатель гайки | |
| 695-3816024 | 695-3816024 | Держатель гайки | |
| 695М-1301480 | 695М-1301480 | Жалюзи мотоотсека боковые в сборе | |
| 252557-П | 252557-П | Заклепка | |
| 252557-П | 252557-П | Заклепка | |
| 252557-П | 252557-П | Заклепка | |
| 252572-П8 | 252572-П8 | Заклепка 4х8 | |
| 252703-П8 | 252703-П8 | Заклепка 6х14 | |
| 254049-П | 254049-П | Заклепка 3х8 | |
| 254050-П | 254050-П | Заклепка 3х10 | |
| 254050-П | 254050-П | Заклепка 3х10 | |
| 254280-П | 254280-П | Заклепка | |
| 254280-П | 254280-П | Заклепка | |
| 255063-П8 | 255063-П8 | Заклепка 4х8 | |
| 695Б-1310168 | 695Б-1310168 | Заклепка привода жалюзи радиатора специальная | |
| 695Б-1310168 | 695Б-1310168 | Заклепка привода жалюзи радиатора специальная | |
| 695Б-1301216 | 695Б-1301216 | Заслонка воздушного канала нижняя | |
| 695Б-1301215 | 695Б-1301215 | Заслонка воздушного канала нижняя в сборе | |
| 695М-1301427 | 695М-1301427 | Кожух дверной петли левый в сборе | |
| 695М-1301426 | 695М-1301426 | Кожух дверной петли правый в сборе | |
| 695М-1301530 | 695М-1301530 | Кожух шкива вентилятора в сборе | |
| 695М-1308214 | 695М-1308214 | Кольцо жесткости | |
| 695Е-1308013 | 695Е-1308013 | Крестовина крыльчатки вентилятора | |
| 695М-1302038 | 695М-1302038 | Кронштейн | |
| 695-3506097 | 695-3506097 | Кронштейн винта | |
| 695М-3723264 | 695М-3723264 | Кронштейн винта в сборе | |
| 695М-1301328 | 695М-1301328 | Кронштейн крепления панели правый | |
| 695В-1302085 | 695В-1302085 | Кронштейн крепления радиатора | |
| 695В-1302085 | 695В-1302085 | Кронштейн крепления радиатора | |
| 695Б-1310255-Б | 695Б-1310255-Б | Кронштейн пружины привода жалюзи | |
| 695Б-1310255-Б | 695Б-1310255-Б | Кронштейн пружины привода жалюзи | |
| 695Е-1308047 | 695Е-1308047 | Крышка подшипника | |
| 695Е-1308014 | 695Е-1308014 | Лопасть крыльчатки вентилятора | |
| 304814-П | 304814-П | Масленка в сборе | |
| 695М-1301309 | 695М-1301309 | Направляющая нижней задней панели боковая | |
| 695М-1301309 | 695М-1301309 | Направляющая нижней задней панели боковая | |
| 695М-1301309 | 695М-1301309 | Направляющая нижней задней панели боковая | |
| 695М-1301309 | 695М-1301309 | Направляющая нижней задней панели боковая | |
| 695М-1301308 | 695М-1301308 | Направляющая нижней задней панели передняя | |
| 695-1301219 | 695-1301219 | Направляющая нижней заслонки | |
| 695В-1302073 | 695В-1302073 | Обойма радиатора верхняя | |
| 695-1302055-Б | 695-1302055-Б | Обойма радиатора нижняя | |
| 695М-1302054 | 695М-1302054 | Обойма радиатора нижняя в сборе | |
| 695М-1301429 | 695М-1301429 | Образующая кожуха левая | |
| 695М-1301428 | 695М-1301428 | Образующая кожуха правая | |
| 695Н-1308106 | 695Н-1308106 | Опора натяжная в сборе | |
| 695Н-1308105 | 695Н-1308105 | Опора натяжная с кронштейном в сборе | |
| 695В-1302033 | 695В-1302033 | Основание радиатора | |
| 485-1301015 | 485-1301015 | Остов радиатора в сборе | |
| 695М-1301292 | 695М-1301292 | Панель воздушного канала | |
| 695М-1301353 | 695М-1301353 | Панель воздушного канала боковая | |
| 695М-1301352 | 695М-1301352 | Панель воздушного канала боковая в сборе | |
| 695М-1301258 | 695М-1301258 | Панель воздушного канала вертикальная задняя | |
| 695В-1301234 | 695В-1301234 | Панель воздушного канала вертикальная задняя | |
| 695В-1301234 | 695В-1301234 | Панель воздушного канала вертикальная задняя | |
| 695М-1301452 | 695М-1301452 | Панель воздушного канала вертикальная задняя | |
| 695М-1301450 | 695М-1301450 | Панель воздушного канала вертикальная задняя в сборе | |
| 695В-1301272 | 695В-1301272 | Панель воздушного канала вертикальная передняя | |
| 695В-1301272 | 695В-1301272 | Панель воздушного канала вертикальная передняя | |
| 695М-1301202 | 695М-1301202 | Панель воздушного канала верхняя | |
| 695М-1301201 | 695М-1301201 | Панель воздушного канала верхняя в сборе | |
| 695М-1301204 | 695М-1301204 | Панель воздушного канала верхняя задняя | |
| 695М-1301203 | 695М-1301203 | Панель воздушного канала верхняя задняя в сборе | |
| 695М-1301207 | 695М-1301207 | Панель воздушного канала верхняя передняя | |
| 695М-1301096 | 695М-1301096 | Панель воздушного канала верхняя передняя в сборе | |
| 695М-1301337 | 695М-1301337 | Панель воздушного канала нижняя | |
| 695М-1301336 | 695М-1301336 | Панель воздушного канала нижняя в сборе | |
| 695М-1301221 | 695М-1301221 | Панель воздушного канала нижняя задняя | |
| 695М-1301220 | 695М-1301220 | Панель воздушного канала нижняя задняя в сборе | |
| 693М-1301468 | 693М-1301468 | Панель воздушного канала приварная | |
| 695М-1301350 | 695М-1301350 | Панель воздушного фильтра верхняя | |
| 695М-1301099-Б | 695М-1301099-Б | Панель воздушного фильтра верхняя передняя в сборе | |
| 695М-1301236 | 695М-1301236 | Панель воздушного фильтра передняя | |
| 695М-1301436-Б | 695М-1301436-Б | Панель обдува двигателя боковая | |
| 695М-1301432 | 695М-1301432 | Панель обдува двигателя левая | |
| 695М-1301434 | 695М-1301434 | Панель обдува двигателя правая | |
| 695М-1302082 | 695М-1302082 | Панель радиатора верхняя | |
| 695М-1302082 | 695М-1302082 | Панель радиатора верхняя | |
| 695М-1301228 | 695М-1301228 | Панель радиатора нижняя | |
| 695М-1301227 | 695М-1301227 | Панель радиатора нижняя в сборе | |
| 485-1301087 | 485-1301087 | Патрубок радиатора отводной | |
| 485-1301064 | 485-1301064 | Патрубок радиатора подводной | |
| 695Е-1301067 | 695Е-1301067 | Перегородка верхнего бачка радиатора | |
| 695Е-1303068 | 695Е-1303068 | Переходник трубы радиатора | |
| 695М-1302070 | 695М-1302070 | Планка | |
| 695М-1302071 | 695М-1302071 | Планка | |
| 695М-1301430 | 695М-1301430 | Пластина | |
| 695М-1301430 | 695М-1301430 | Пластина | |
| 695М-1301490 | 695М-1301490 | Пластина боковой жалюзи мотоотсека | |
| 695М-1301489 | 695М-1301489 | Пластина боковой жалюзи мотоотсека левая | |
| 695М-1301488 | 695М-1301488 | Пластина боковой жалюзи мотоотсека правая | |
| 695М-1301448 | 695М-1301448 | Пластина воздушного канала задняя | |
| 695М-1301255 | 695М-1301255 | Пластина длинного уплотнителя | |
| 695М-1301274 | 695М-1301274 | Пластина нижнего левого уплотнителя | |
| 695М-1301464 | 695М-1301464 | Пластина ограничительная | |
| 485-1301022 | 485-1301022 | Пластина радиатора основная | |
| 485-1301025 | 485-1301025 | Пластина радиатора охлаждающая | |
| 695М-1301318 | 695М-1301318 | Пластина уплотнителя радиатора | |
| 485-1301088 | 485-1301088 | Подкладка отводного патрубка радиатора | |
| 206 | 206 | Подшипник шариковый радиальный 30х62х16 | |
| 485-1301083 | 485-1301083 | Поперечина нижнего бачка радиатора распорная | |
| 252542-П2 | 252542-П2 | Заклепка 3х12 | |
| 695М-1301498 | 695М-1301498 | Проволока жалюзи противошумная | |
| 695М-1302039 | 695М-1302039 | Прокладка | |
| 695Е-1308048 | 695Е-1308048 | Прокладка крышки подшипника | |
| 695М-1301311 | 695М-1301311 | Прокладка уплотнителя | |
| 695М-1301316 | 695М-1301316 | Прокладка уплотнителя | |
| 695М-1108098 | 695М-1108098 | Прокладка хомута | |
| 20-1701220 | 20-1701220 | Пружина | |
| 695В-1310250 | 695В-1310250 | Пружина привода жалюзи | |
| 695Е-1301003 | 695Е-1301003 | Радиатор в сборе | |
| 695М-1300012 | 695М-1300012 | Радиатор с вентилятором в сборе | |
| 695М-1301376 | 695М-1301376 | Раскос верхний | |
| 695М-1301377 | 695М-1301377 | Раскос нижний | |
| 695-1301224 | 695-1301224 | Ручка заслонки воздушного канала | |
| 695-1301224 | 695-1301224 | Ручка заслонки воздушного канала | |
| 695М-1308210 | 695М-1308210 | Сальник в сборе | |
| 695М-1308211 | 695М-1308211 | Сальник с кольцом жесткости | |
| 695М-1301535 | 695М-1301535 | Стенка кожуха задняя | |
| 695М-1301534 | 695М-1301534 | Стенка кожуха передняя | |
| 695М-1301374 | 695М-1301374 | Стойка верхняя | |
| 695М-1301379 | 695М-1301379 | Стойка нижняя | |
| 695М-1301372 | 695М-1301372 | Стойка рамки воздушного канала в сборе | |
| 695М-1301407 | 695М-1301407 | Стойка № 5 | |
| 130-1306010-А | 130-1306010-А | Термостат в сборе | |
| 695М-1303084-70 | 695М-1303084-70 | Труба горловины наливного патрубка длинная | |
| 695М-1303080 | 695М-1303080 | Труба горловины с угольником в сборе | |
| 695Е-1303026 | 695Е-1303026 | Труба радиатора отводная левая | |
| 695Е-1303015 | 695Е-1303015 | Труба радиатора отводная правая в сборе | |
| 485-1301035 | 485-1301035 | Трубка радиатора охлаждающая | |
| 485-1301036 | 485-1301036 | Трубка радиатора распорная | |
| 695М-1301500 | 695М-1301500 | Тяга | |
| 695М-1301494 | 695М-1301494 | Тяга боковой жалюзи мотоотсека | |
| 695М-1301492 | 695М-1301492 | Тяга боковой жалюзи мотоотсека в сборе | |
| 695М-1302079 | 695М-1302079 | Тяга крепления радиатора | |
| 695М-8406035 | 695М-8406035 | Уголок крепления декоративной накладки задний | |
| 695М-1301486 | 695М-1301486 | Угольник боковой жалюзи мотоотсека | |
| 695М-1301486 | 695М-1301486 | Угольник боковой жалюзи мотоотсека | |
| 695М-1301484 | 695М-1301484 | Угольник боковой жалюзи мотоотсека в сборе | |
| 695М-1301232 | 695М-1301232 | Угольник воздушного канала верхний | |
| 695М-1301232 | 695М-1301232 | Угольник воздушного канала верхний | |
| 695М-1301108 | 695М-1301108 | Угольник воздушного канала верхний в сборе | |
| 695М-1301205 | 695М-1301205 | Угольник воздушного канала верхний задний | |
| 695М-1301206 | 695М-1301206 | Угольник воздушного канала верхний передний | |
| 695М-1301230 | 695М-1301230 | Угольник воздушного канала нижний | |
| 695М-1301443 | 695М-1301443 | Угольник крепления жалюзи мотоотсека верхний | |
| 695М-1301440 | 695М-1301440 | Угольник крепления жалюзи мотоотсека верхний в сборе | |
| 695М-1301444 | 695М-1301444 | Угольник крепления жалюзи мотоотсека нижний | |
| 695Е-1301340 | 695Е-1301340 | Угольник крепления нижних панелей воздушного канала горизонтальный | |
| 695М-1301438 | 695М-1301438 | Угольник крепления панели обдува двигателя | |
| 695М-1301437 | 695М-1301437 | Угольник крепления панели обдува двигателя в сборе | |
| 695М-1302112-Б | 695М-1302112-Б | Уплотнитель | |
| 698-1310342-Б | 698-1310342-Б | Уплотнитель | |
| 695М-1301222 | 695М-1301222 | Уплотнитель нижней задней панели воздушного канала | |
| 695М-1301456 | 695М-1301456 | Уплотнитель панели | |
| 695М-1301458 | 695М-1301458 | Уплотнитель панели | |
| 695М-1301460 | 695М-1301460 | Уплотнитель панели | |
| 695М-1301315 | 695М-1301315 | Уплотнитель радиатора | |
| 695М-1301254 | 695М-1301254 | Уплотнитель рамки длинный | |
| 695М-1301293 | 695М-1301293 | Уплотнитель рамки нижний левый | |
| 695М-1301542 | 695М-1301542 | Уплотнитель ступицы вентилятора | |
| 695М-1301496 | 695М-1301496 | Ушко тяги | |
| 695М-1301496 | 695М-1301496 | Ушко тяги | |
| 485-1311149 | 485-1311149 | Фланец сливного краника радиатора | |
| 695М-1302088-Г | 695М-1302088-Г | Хомут тяги крепления радиатора | |
| 695-1108082 | 695-1108082 | Хомут крепления трубопровода | |
| 252000-П8 | 252000-П8 | Шайба 3 | |
| 252002-П8 | 252002-П8 | Шайба 4 | |
| 252002-П8 | 252002-П8 | Шайба 4 | |
| 252004-П8 | 252004-П8 | Шайба 6 пружинная | |
| 252004-П8 | 252004-П8 | Шайба 6 пружинная | |
| 252004-П8 | 252004-П8 | Шайба 6 пружинная | |
| 252004-П8 | 252004-П8 | Шайба 6 пружинная | |
| 252005-П8 | 252005-П8 | Шайба 8 | |
| 252005-П8 | 252005-П8 | Шайба 8 | |
| 252046-П8 | 252046-П8 | Шайба | |
| 305590-П | 305590-П | Шайба | |
| 252134-П2 | 252134-П2 | Шайба 6 пружинная | |
| 252134-П2 | 252134-П2 | Шайба 6 пружинная | |
| 252134-П2 | 252134-П2 | Шайба 6 пружинная | |
| 252134-П2 | 252134-П2 | Шайба 6 пружинная | |
| 252135-П2 | 252135-П2 | Шайба 8 пружинная | |
| 252135-П2 | 252135-П2 | Шайба 8 пружинная | |
| 252135-П2 | 252135-П2 | Шайба 8 пружинная | |
| 252136-П2 | 252136-П2 | Шайба 10 пружинная | |
| 258038-П8 | 258038-П8 | Шплинт 3,2х16 | |
| 258041-П8 | 258041-П8 | Шплинт 3х30 | |
| 258258-П2 | 258258-П2 | Шплинт-проволока 1,2х300 | |
| 258260-П8 | 258260-П8 | Шплинт | |
| 304907-П | 304907-П | Шпонка сегментная | |
| 1 | 695В-1302067 | Болт специальный | |
| 2 | 252039-П2 | Шайба 10 | |
| 3 | 485-1302050 | Подушка подвески радиатора | |
| 3 | 485-1302050 | Подушка подвески радиатора | |
| 4 | 258041-П8 | Шплинт 3х30 | |
| 5 | 250976-П8 | Гайка М10х1 | |
| 6 | 695-1302058 | Кронштейн обоймы радиатора | |
| 7 | 695М-1302112-Б | Уплотнитель | |
| 8 | 695М-1302056 | Прокладка обоймы радиатора | |
| 9 | 695М-1302063 | Стойка крепления радиатора левая | |
| 10 | 695М-1302010 | Кожух подвески радиатора в сборе | |
| 11 | 695М-1108072 | Хомут в сборе | |
| 12 | 695В-1302084 | Кронштейн крепления радиатора левый | |
| 13 | 695М-1013088-Б | Кронштейн крепления масляного радиатора | |
| 14 | 695М-1303104 | Кронштейн | |
| 15 | 695В-1301010-А | Радиатор в сборе | |
| 16 | 698-1302078 | Прокладка | |
| 17 | 695М-1302072 | Обойма радиатора верхняя в сборе | |
| 18 | 695М-1302070 | Планка | |
| 19 | 250512-П8 | Гайка М10-6Н | |
| 20 | 252136-Р2 | Шайба пружинная | |
| 21 | 252039-П8 | Шайба 10 | |
| 21 | 305590-П | Шайба | |
| 22 | 695-1302080-В | Скоба тяги крепления радиатора | |
| 23 | 695М-1302066-Б | Планка | |
| 24 | 695М-1309034 | Боковина кожуха вентилятора верхняя | |
| 25 | 695М-1309036-Б | Накладка кожуха вентилятора | |
| 26 | 250513-П8 | Гайка М10х1 | |
| 26 | 288016-П8 | Хомутик | |
| 26 | 288016-П8 | Хомутик | |
| 27 | 252156-П2 | Шайба 10 пружинная | |
| 27 | 695Е-1303030 | Шланг впускного патрубка водяного трубопровода | |
| 27 | 695Е-1303030 | Шланг впускного патрубка водяного трубопровода | |
| 27 | 695Е-1303030 | Шланг впускного патрубка водяного трубопровода | |
| 28 | 251086-П8 | Гайка М5 | |
| 28 | 305753-П8 | Шайба | |
| 29 | 220086-П8 | Винт М6х30 | |
| 29 | 130-1303014-Б2 | Патрубок водяной рубашки выпускной верхний | |
| 30 | 130-1303143 | Прокладка верхнего патрубка | |
| 30 | 695М-1303109 | Угольник крепления горловины | |
| 31 | 130-1303051 | Патрубок водяной рубашки выпускной нижний | |
| 31 | 695Б-1302079 | Тяга крепления радиатора | |
| 32 | 695М-1302076 | Кронштейн тяги крепления радиатора | |
| 32 | 120-1303017 | Прокладка патрубка головки блока цилиндров | |
| 33 | 150Ю-1304010 | Пробка радиатора в сборе | |
| 34 | 120-1301076-Б | Горловина наливного патрубка радиатора | |
| 35 | 695Е-1303017 | Труба радиатора отводная правая | |
| 36 | 695М-1303011 | Труба радиатора подводная | |
| 37 | 695-1303022 | Стремянка крепления отводной трубы | |
| 38 | 130-1015370 | Кран сливной в сборе | |
| 39 | 252005-П8 | Шайба 8 | |
| 40 | 252135-П2 | Шайба 8 пружинная | |
| 40 | 252135-П2 | Шайба 8 пружинная | |
| 41 | 250510-П8 | Гайка М8-6Н | |
| 41 | 250510-П8 | Гайка М8-6Н | |
| 42 | 695-1303024 | Прокладка отводной трубы | |
| 43 | 695-1303021 | Пластина крепления отводной трубы | |
| 44 | 695М-1302032 | Тяга крепления радиатора с хомутом в сборе | |
| 45 | 695В-1302030-А | Основание радиатора в сборе | |
| 46 | 201461-П8 | Болт М8х32 | |
| 47 | 695М-1308030 | Шкив задней опоры привода вентилятора | |
| 48 | 695М-1302088-Б | Хомут тяги крепления радиатора | |
| 49 | 695М-1308027 | Ступица вентилятора | |
| 50 | 695Е-1308010 | Крыльчатка вентилятора в сборе | |
| 51 | 695Е-1303016 | Труба радиатора отводная левая в сборе | |
| 52 | 695М-1303160-10 | Трубка радиатора пароотводная | |
| 53 | 250512-П8 | Гайка М10-6Н | |
| 54 | 485-1302050 | Подушка подвески радиатора | |
| 55 | 695Е-1302076 | Кронштейн тяги крепления радиатора | |
| 56 | 252039-П8 | Шайба 10 | |
| 57 | 66-1308020 | Ремень вентилятора | |
| 58 | 122-1303025 | Шланг радиатора подводной |
Содержащиеся в справочниках-каталогах запасные части и детали не предлагаются к продаже, а носят исключительно информационный характер