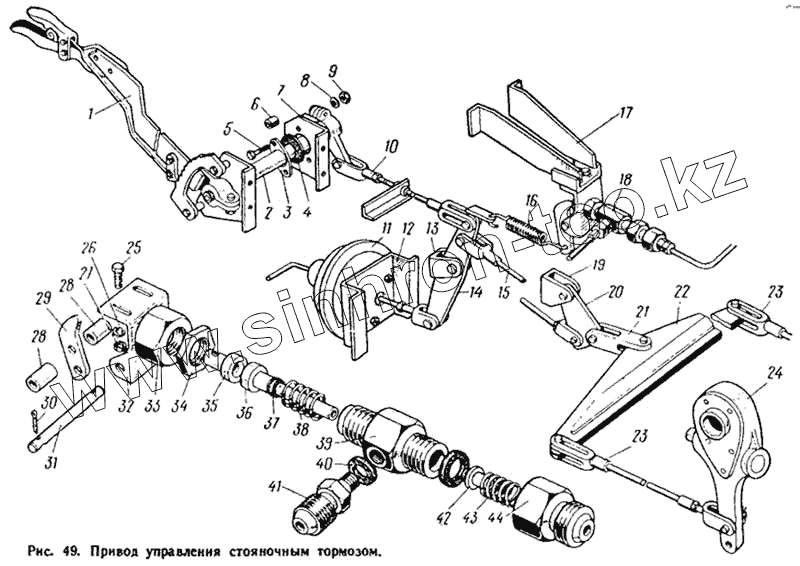
Каталог запасных частей к технике: ЛАЗ 695Н. Привод управления стояночным тормозом
1
2
3
4
5
6
7
8
9
10
11
11
12
13
14
15
16
17
18
19
20
21
22
23
23
24
24
25
26
27
28
28
29
30
31
32
33
34
35
36
37
38
39
40
41
42
43
44
| Позиция на иллюстрации | Заводской номер детали | Название детали | |
|---|---|---|---|
| 415216-П8 | 415216-П8 | Болт М10х46 | |
| 697Е-3504061 | 697Е-3504061 | Вал привода тормозного клапана | |
| 698-3504061-20 | 698-3504061-20 | Вал привода тормозных кранов | |
| 307006-П8 | 307006-П8 | Вилка | |
| 697Е-3508329-Б | 697Е-3508329-Б | Вилка приварная | |
| 695М-3508270 | 695М-3508270 | Вилка специальная | |
| 695М-3508270 | 695М-3508270 | Вилка специальная | |
| 695М-3508270 | 695М-3508270 | Вилка специальная | |
| 695М-3508270 | 695М-3508270 | Вилка специальная | |
| 305100-П | 305100-П | Втулка | |
| 695М-3508279 | 695М-3508279 | Втулка | |
| 695-3508314 | 695-3508314 | Втулка коромысла | |
| 695-3508314 | 695-3508314 | Втулка коромысла | |
| 695-3508314 | 695-3508314 | Втулка коромысла | |
| 699Н-3508314 | 699Н-3508314 | Втулка коромысла | |
| 699Н-3508262 | 699Н-3508262 | Втулка рычага | |
| 699Н-3508262 | 699Н-3508262 | Втулка рычага | |
| 699Н-3508262 | 699Н-3508262 | Втулка рычага | |
| 250615-П8 | 250615-П8 | Гайка М12х1,25 | |
| 695Ж-1707028 | 695Ж-1707028 | Клапан | |
| 699Н-3508240 | 699Н-3508240 | Коромысло | |
| 698-3508502 | 698-3508502 | Кронштейн клапана | |
| 698-3508298 | 698-3508298 | Кронштейн клапана включения усилителя | |
| 695М-3508301 | 695М-3508301 | Кронштейн левый | |
| 695М-3508300 | 695М-3508300 | Кронштейн правый | |
| 695М-3508234 | 695М-3508234 | Кронштейн рычага | |
| 699Н-3508234 | 699Н-3508234 | Кронштейн рычага | |
| 699Н-3508326 | 699Н-3508326 | Кронштейн рычага | |
| 699Н-3508232 | 699Н-3508232 | Кронштейн рычага в сборе | |
| 699Н-3508232 | 699Н-3508232 | Кронштейн рычага в сборе | |
| 695М-3508296 | 695М-3508296 | Кронштейн тормозной камеры | |
| 697М-3508296 | 697М-3508296 | Кронштейн тормозной камеры | |
| 697М-3508295 | 697М-3508295 | Кронштейн тормозной камеры в сборе | |
| 697М-3508306 | 697М-3508306 | Обойма кронштейна тормозной камеры | |
| 260059-П8 | 260059-П8 | Палец 10х32 | |
| 260061-П8 | 260061-П8 | Палец 10х38 | |
| 260088-П8 | 260088-П8 | Палец 12х38 | |
| 260092-П | 260092-П | Палец | |
| 699Н-3508384 | 699Н-3508384 | Пластина | |
| 699Н-3508384 | 699Н-3508384 | Пластина | |
| 695М-3508258 | 695М-3508258 | Рычаг | |
| 697М-3508219 | 697М-3508219 | Рычаг | |
| 697М-3508221 | 697М-3508221 | Рычаг | |
| 697М-3508218 | 697М-3508218 | Рычаг в сборе | |
| 697М-3508220 | 697М-3508220 | Рычаг в сборе | |
| 695Е-3504172 | 695Е-3504172 | Рычаг вала | |
| 695Е-3504170 | 695Е-3504170 | Рычаг вала в сборе | |
| 697М-3508008 | 697М-3508008 | Рычаг с валом и кронштейном в сборе | |
| 695Е-3508174 | 695Е-3508174 | Стойка кронштейна вала привода ручного тормоза левая | |
| 695М-3508404 | 695М-3508404 | Труба | |
| 695М-3508244 | 695М-3508244 | Тяга привода ручного тормоза | |
| 695М-3508256 | 695М-3508256 | Тяга привода ручного тормоза | |
| 697М-3508052 | 697М-3508052 | Тяга привода ручного тормоза | |
| 697М-3508244 | 697М-3508244 | Тяга привода ручного тормоза | |
| 697М-3508044 | 697М-3508044 | Тяга привода ручного тормоза в сборе | |
| 697М-3508242 | 697М-3508242 | Тяга привода ручного тормоза в сборе | |
| 697М-3508049 | 697М-3508049 | Тяга привода ручного тормоза задняя в сборе | |
| 695М-3508043 | 695М-3508043 | Тяга привода ручного тормоза средняя | |
| 697М-3508130 | 697М-3508130 | Тяга регулировочного рычага | |
| 699Н-3508110 | 699Н-3508110 | Удлинитель | |
| 699Н-3508110 | 699Н-3508110 | Удлинитель | |
| 252004-П8 | 252004-П8 | Шайба 6 пружинная | |
| 252007-П8 | 252007-П8 | Шайба 12 | |
| 252039-П2 | 252039-П2 | Шайба 10 | |
| 698-3508293 | 698-3508293 | Шайба кронштейна тормозной камеры | |
| 258039-П2 | 258039-П2 | Шплинт 3х20 | |
| 258053-П | 258053-П | Шплинт 4х25 | |
| 695М-3508277 | 695М-3508277 | Щека | |
| 695М-3508277 | 695М-3508277 | Щека | |
| 1 | 695М-3508008 | Рычаг с валом и кронштейном в сборе | |
| 2 | 695М-3508060 | Вал привода ручного тормоза передний . | |
| 3 | 122-2104158 | Обойма подшипника | |
| 4 | 695-3508355 | Подшипник | |
| 5 | 200315-П8 | Болт М10х40 | |
| 6 | 695-3508051 | Втулка распорная | |
| 7 | 695Б-3508054 | Кронштейн переднего вала ручного тормоза правый | |
| 8 | 252136-П2 | Шайба 10 пружинная | |
| 9 | 250512-П | Гайка М10 | |
| 10 | 695М-3508269 | Вилка специальная в сборе | |
| 11 | 200-3519111-ВТ | Камера тормозная задняя в сборе | |
| 11 | 200-3519111-ВТ | Камера тормозная задняя в сборе | |
| 12 | 695М-3508295 | Кронштейн тормозной камеры в сборе | |
| 13 | 695М-3508232 | Кронштейн рычага в сборе | |
| 14 | 695М-3508257 | Рычаг в сборе | |
| 15 | 695М-3508242 | Тяга привода ручного тормоза в сборе | |
| 16 | 699Н-3508216 | Пружина | |
| 17 | 695М-3508297 | Кронштейн клапана включения усилителя в сборе | |
| 18 | 698-3508430 | Клапан включения усилителя в сборе | |
| 19 | 699Н-3508321 | Кронштейн рычага в сборе | |
| 20 | 695М-3508278 | Рычаг | |
| 21 | 699Н-3508252 | Вилка двухсторонняя | |
| 22 | 699Н-3508238 | Коромысло в сборе | |
| 23 | 695М-3508049 | Тяга привода ручного тормоза задняя в сборе | |
| 24 | 500-3501136 | Рычаг тормоза регулировочный в сборе | |
| 24 | 500-3501136 | Рычаг тормоза регулировочный в сборе | |
| 25 | 201457-П8 | Болт М8х22 | |
| 26 | 252135-П2 | Шайба 8 пружинная | |
| 27 | 250510-П8 | Гайка М8-6Н | |
| 28 | 698-3508514 | Втулка распорная | |
| 29 | 698-3508436 | Рычаг клапана | |
| 30 | 258012-П8 | Шплинт 2х12 | |
| 31 | 698-3508510 | Ось | |
| 32 | 698-3508500 | Кронштейн клапана в сборе | |
| 33 | 698-3508512 | Гайка накидная | |
| 34 | 695Ж-1707046 | Гайка стопорная | |
| 35 | 698-3508447 | Наконечник стержня клапана | |
| 36 | 698-3508440 | Стержень клапана | |
| 37 | 695Ж-1707042 | Кольцо уплотнительное верхнего седла клапана | |
| 38 | 695Ж-1707038 | Пружина штока клапана | |
| 39 | 695Ж2-1707014 | Корпус клапана в сборе | |
| 40 | 695Ж-1707056 | Кольцо штуцера уплотнительное | |
| 41 | 695Ж-1707058 | Штуцер | |
| 42 | 695Ж-1707026 | Клапан в сборе | |
| 43 | 695Ж-1707034 | Пружина клапана | |
| 44 | 695Ж-1707036 | Штуцер подвода воздуха |
Содержащиеся в справочниках-каталогах запасные части и детали не предлагаются к продаже, а носят исключительно информационный характер