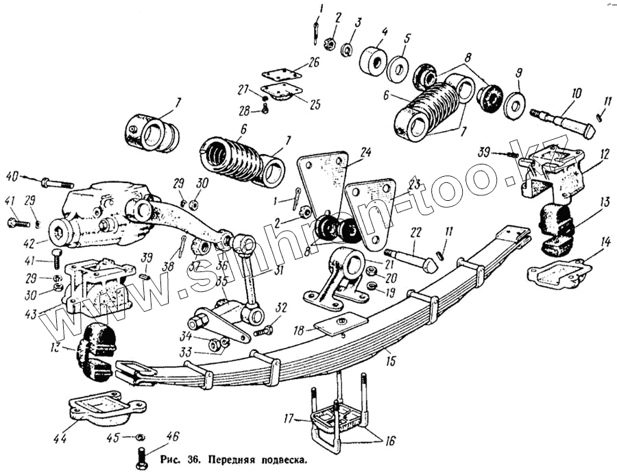
Каталог запасных частей к технике: ЛАЗ 695Н. Передняя подвеска
1
1
2
2
3
3
4
4
5
5
6
6
7
7
7
8
8
8
8
9
9
10
10
11
11
12
12
13
13
14
14
15
15
16
16
17
18
18
19
19
20
20
21
21
22
22
23
24
24
25
25
26
26
27
27
28
28
29
29
29
29
30
30
30
30
31
31
32
32
33
33
34
34
35
35
36
36
37
37
38
38
39
39
39
40
40
41
41
41
42
43
43
44
44
45
45
46
46
| Позиция на иллюстрации | Заводской номер детали | Название детали | |
|---|---|---|---|
| 695-2905008-Б | 695-2905008-Б | Амортизатор передней подвески правый в сборе | |
| 695-2905009-Б | 695-2905009-Б | Амортизатор передней подвески правый в сборе | |
| 695Б-2905011 | 695Б-2905011 | Амортизатор передний левый в сборе | |
| 695Н-2803015 | 695Н-2803015 | Бампер передний левый | |
| 695Н-2803011 | 695Н-2803011 | Бампер передний левый в сборе | |
| 695Н-2803009 | 695Н-2803009 | Бампер передний левый с подножкой в сборе | |
| 695Н-2803014 | 695Н-2803014 | Бампер передний правый | |
| 695Н-2803010 | 695Н-2803010 | Бампер передний правый в сборе | |
| 695Н-2803008 | 695Н-2803008 | Бампер передний правый с подножкой в сборе | |
| 695Н-2803006 | 695Н-2803006 | Бампер средний | |
| 695Н-2803004 | 695Н-2803004 | Бампер средний в сборе | |
| 200332-П | 200332-П | Болт | |
| 201416-П8 | 201416-П8 | Болт М6х12 | |
| 201416-П8 | 201416-П8 | Болт М6х12 | |
| 201466-П8 | 201466-П8 | Болт М8-6gх45 | |
| 209033-П8 | 209033-П8 | Болт М8х30 | |
| 209033-П8 | 209033-П8 | Болт М8х30 | |
| 695-2902032-Б | 695-2902032-Б | Болт передней рессоры стяжной | |
| 250510-П8 | 250510-П8 | Гайка М8-6Н | |
| 250515-П | 250515-П | Гайка | |
| 250709-П8 | 250709-П8 | Гайка | |
| 250709-П8 | 250709-П8 | Гайка | |
| 250810-П | 250810-П | Гайка | |
| 294430-П | 294430-П | Заклепка | |
| 294430-П | 294430-П | Заклепка | |
| 294430-П | 294430-П | Заклепка | |
| 294430-П | 294430-П | Заклепка | |
| 695Н-2803096 | 695Н-2803096 | Кронштейн крепления бампера боковой | |
| 695Н-2803096 | 695Н-2803096 | Кронштейн крепления бампера боковой | |
| 695Н-2803092 | 695Н-2803092 | Кронштейн крепления бампера боковой | |
| 695Н-2803096 | 695Н-2803096 | Кронштейн крепления бампера боковой | |
| 695Н-2803096 | 695Н-2803096 | Кронштейн крепления бампера боковой | |
| 695-5102140-Б | 695-5102140-Б | Крюк буксирный задний | |
| 695-5102140-Б | 695-5102140-Б | Крюк буксирный задний | |
| 695-5102022 | 695-5102022 | Крюк передний сварной буксирный | |
| 695Е-2902101 | 695Е-2902101 | Лист № 1 | |
| 695Е-2902074 | 695Е-2902074 | Лист № 1 передней рессоры с чашками подушек в сборе | |
| 695Е-2902102 | 695Е-2902102 | Лист № 2 | |
| 695Е-2902076 | 695Е-2902076 | Лист № 2 передней рессоры с чашками подушек в сборе | |
| 695Е-2902103 | 695Е-2902103 | Лист № 3 | |
| 695Е-2902104 | 695Е-2902104 | Лист № 4 | |
| 695Е-2902078 | 695Е-2902078 | Лист № 4 передней рессоры в сборе | |
| 695Е-2902105 | 695Е-2902105 | Лист № 5 | |
| 695Е-2902106 | 695Е-2902106 | Лист № 6 | |
| 695Е-2902080 | 695Е-2902080 | Лист № 6 передней рессоры в сборе | |
| 695Е-2902107 | 695Е-2902107 | Лист № 7 | |
| 695Е-2902108 | 695Е-2902108 | Лист № 8 | |
| 697-2902411-А | 697-2902411-А | Накладка передней рессоры левая | |
| 695Н-2807018 | 695Н-2807018 | Панель крепления номерного знака в сборе | |
| 695Н-2803034 | 695Н-2803034 | Пластина крепления бампера | |
| 695Н-2803034 | 695Н-2803034 | Пластина крепления бампера | |
| 695Н-2803034 | 695Н-2803034 | Пластина крепления бампера | |
| 695Н-2803034 | 695Н-2803034 | Пластина крепления бампера | |
| 695Н-2803034 | 695Н-2803034 | Пластина крепления бампера | |
| 695Н-2803032 | 695Н-2803032 | Пластина крепления бампера в сборе | |
| 695Н-2803032 | 695Н-2803032 | Пластина крепления бампера в сборе | |
| 695-5105030 | 695-5105030 | Пластина крепления крюка аварийной буксировки | |
| 695Б-2905476 | 695Б-2905476 | Пластина проушины амортизатора | |
| 695-2900003-А2 | 695-2900003-А2 | Подвеска передняя левая в сборе | |
| 695-2900002-А2 | 695-2900002-А2 | Подвеска передняя правая в сборе | |
| 695Н-2803104 | 695Н-2803104 | Прокладка бампера | |
| 695Н-2803104 | 695Н-2803104 | Прокладка бампера | |
| 695Н-2803104 | 695Н-2803104 | Прокладка бампера | |
| 695Н-2803106 | 695Н-2803106 | Прокладка бампера боковая | |
| 695Н-2803106 | 695Н-2803106 | Прокладка бампера боковая | |
| 695Б-2905474 | 695Б-2905474 | Проушина амортизатора | |
| 695-2903010 | 695-2903010 | Пружина дополнительная передняя в сборе | |
| 695-2903010 | 695-2903010 | Пружина дополнительная передняя в сборе | |
| 695-2903462-Б | 695-2903462-Б | Серьга внутренняя в сборе | |
| 695-2903462-Б | 695-2903462-Б | Серьга внутренняя в сборе | |
| 200-2902068 | 200-2902068 | Трубка хомута рессоры распорная | |
| 200-2902061 | 200-2902061 | Хомут рессоры | |
| 500-2912063 | 500-2912063 | Хомут рессоры | |
| 200-2902036 | 200-2902036 | Чашка подушки передней рессоры задняя верхняя | |
| 200-2902037 | 200-2902037 | Чашка подушки передней рессоры задняя нижняя | |
| 200-2902034 | 200-2902034 | Чашка подушки передней рессоры передняя верхняя | |
| 200-2902035 | 200-2902035 | Чашка подушки передней рессоры передняя нижняя | |
| 252005-П8 | 252005-П8 | Шайба 8 | |
| 252005-П8 | 252005-П8 | Шайба 8 | |
| 252135-П2 | 252135-П2 | Шайба 8 пружинная | |
| 252134-П2 | 252134-П2 | Шайба 6 пружинная | |
| 252134-П8 | 252134-П8 | Шайба 6 пружинная | |
| 252135-П2 | 252135-П2 | Шайба 8 пружинная | |
| 1 | 258069-П8 | Шплинт 5х35 | |
| 1 | 258069-П8 | Шплинт 5х35 | |
| 2 | 417427-П8 | Гайка | |
| 2 | 417427-П8 | Гайка | |
| 3 | 252143-П2 | Шайба пружинная | |
| 3 | 252143-П2 | Шайба пружинная | |
| 4 | 695-2903444-А | Чашка кронштейна дополнительной пружины | |
| 4 | 695-2903444-А | Чашка кронштейна дополнительной пружины | |
| 5 | 695-2903510 | Шайба оси пружины внутренняя | |
| 5 | 695-2903510 | Шайба оси пружины внутренняя | |
| 6 | 695-2903012 | Пружина дополнительная передняя | |
| 7 | 695-2903016-Б | Ушко дополнительной пружины | |
| 8 | 695-2903046 | Втулка ушка дополнительной пружины | |
| 8 | 695-2903046 | Втулка ушка дополнительной пружины | |
| 8 | 695-2903046 | Втулка ушка дополнительной пружины | |
| 8 | 695-2903046 | Втулка ушка дополнительной пружины | |
| 9 | 695-2903514 | Шайба в сборе | |
| 9 | 695-2903514 | Шайба в сборе | |
| 10 | 695-2903024 | Ось дополнительной пружины | |
| 10 | 695-2903024 | Ось дополнительной пружины | |
| 11 | 695-2903466 | Ригель | |
| 11 | 695-2903466 | Ригель | |
| 12 | 695-2902446-Б | Кронштейн передней рессоры задний | |
| 12 | 695-2902446-Б | Кронштейн передней рессоры задний | |
| 13 | 200-2902430 | Подушка рессоры опорная | |
| 13 | 200-2902430 | Подушка рессоры опорная | |
| 14 | 200-2902452 | Крышка заднего кронштейна передней рессоры | |
| 14 | 200-2902452 | Крышка заднего кронштейна передней рессоры | |
| 15 | 695Е-2902012 | Рессора передняя в сборе | |
| 15 | 695Е-2902012 | Рессора передняя в сборе | |
| 16 | 695-2902408 | Стремянка передней рессоры | |
| 16 | 697Е-2902408 | Стремянка передней рессоры | |
| 17 | 124-2902412 | Накладка передней рессоры | |
| 18 | 695-2902424 | Подушка рессоры | |
| 18 | 695-2902424 | Подушка рессоры | |
| 19 | 252142-П2 | Шайба 22 пружинная | |
| 19 | 252142-П2 | Шайба 22 пружинная | |
| 20 | 417380-П8 | Гайка | |
| 20 | 417380-П8 | Гайка | |
| 21 | 695-2903412 | Кронштейн серьги пружин передней подвески | |
| 21 | 695-2903412 | Кронштейн серьги пружин передней подвески | |
| 22 | 695-2903026-Б | Палец дополнительной пружины | |
| 22 | 695-2903026-Б | Палец дополнительной пружины | |
| 23 | 695-2903464-Б | Серьга передней пружины внутренняя | |
| 24 | 695-2903468-Б | Серьга наружная | |
| 24 | 695-2903468-Б | Серьга наружная | |
| 25 | 695М-2902626 | Буфер | |
| 25 | 695М-2902626 | Буфер | |
| 26 | 695-2902630-В | Прокладка буфера | |
| 26 | 695-2902630-В | Прокладка буфера | |
| 27 | 252135-П2 | Шайба 8 пружинная | |
| 27 | 252135-П2 | Шайба 8 пружинная | |
| 28 | 201454-П8 | Болт М8х1,25х16 | |
| 28 | 201454-П8 | Болт М8х1,25х16 | |
| 29 | 252139-П2 | Шайба 16 пружинная | |
| 29 | 252139-П2 | Шайба 16 пружинная | |
| 29 | 252139-П2 | Шайба 16 пружинная | |
| 29 | 252139-П2 | Шайба 16 пружинная | |
| 30 | 250560-П2 | Гайка М16 | |
| 30 | 250560-П2 | Гайка М16 | |
| 30 | 250560-П8 | Гайка М16 | |
| 30 | 250560-П8 | Гайка М16 | |
| 31 | 695Б-2905432-А | Тяга амортизатора в сборе | |
| 31 | 695Б-2905432-А | Тяга амортизатора в сборе | |
| 32 | 201505-П8 | Болт М10х45 | |
| 32 | 201505-П8 | Болт М10х45 | |
| 33 | 252136-П2 | Шайба 10 пружинная | |
| 33 | 252136-П2 | Шайба 10 пружинная | |
| 34 | 250512-П8 | Гайка М10-6Н | |
| 34 | 250512-П8 | Гайка М10-6Н | |
| 35 | 695Б-2905472 | Проушина амортизатора в сборе | |
| 35 | 695Б-2905472 | Проушина амортизатора в сборе | |
| 36 | 695Б-2905126 | Рычаг амортизатора | |
| 36 | 695Б-2905126 | Рычаг амортизатора | |
| 37 | 251015-П8 | Гайка М20х1,5 | |
| 37 | 251015-П8 | Гайка М20х1,5 | |
| 38 | 258056-П8 | Шплинт 4х40 | |
| 38 | 258056-П8 | Шплинт 4х40 | |
| 39 | 695-2502537 | Сухарь | |
| 39 | 695-2502537 | Сухарь | |
| 40 | 695-2905554 | Болт | |
| 40 | 695-2905554 | Болт | |
| 41 | 202123-П8 | Болт М16х50 | |
| 41 | 202123-П8 | Болт М16х50 | |
| 42 | 695Б-2905010 | Амортизатор передний правый в сборе | |
| 43 | 695-2902444-Б | Кронштейн передней рессоры передний | |
| 43 | 695-2902444-Б | Кронштейн передней рессоры передний | |
| 44 | 200-2902450 | Крышка переднего кронштейна передней рессоры | |
| 44 | 200-2902450 | Крышка переднего кронштейна передней рессоры | |
| 45 | 252138-П2 | Шайба 14 пружинная | |
| 45 | 252138-П2 | Шайба 14 пружинная | |
| 46 | 200818-П8 | Болт М14х65 | |
| 46 | 200818-П8 | Болт М14х65 |
Содержащиеся в справочниках-каталогах запасные части и детали не предлагаются к продаже, а носят исключительно информационный характер