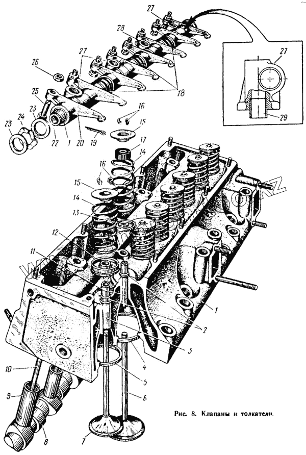
Каталог запасных частей к технике: ЛАЗ 695Н. Клапаны и толкатели
1
1
2
3
4
5
6
7
8
9
10
11
12
13
14
14
15
15
16
16
17
18
19
20
20
22
23
23
24
25
26
27
27
27
28
29
| Позиция на иллюстрации | Заводской номер детали | Название детали | |
|---|---|---|---|
| 130-1007032-БР1 | 130-1007032-БР1 | Втулка впускного клапана направляющая, увеличенная на 0,3 мм | |
| 130-1007115 | 130-1007115 | Винт коромысел регулировочный с гайкой в сборе | |
| 130-1007080-Р1 | 130-1007080-Р1 | Седло выпускного клапана, увеличенное на 0,3 мм | |
| 130-1007079-Р1 | 130-1007079-Р1 | Седло впускного клапана, увеличенное на 0,3 мм | |
| 130-1007098 | 130-1007098 | Коромысло клапанов с осью и стойками в сборе | |
| 130-1007033-Р1 | 130-1007033-Р1 | Втулка выпускного клапана направляющая, увеличенная на 0,3 мм | |
| 1 | 130-1003012-Б | Головка блока цилиндров с седлами и направляющими втулками клапанов в сборе | |
| 2 | 307775-П | Кольцо направляющей втулки пружинное | |
| 3 | 130-1007033 | Втулка выпускного клапана направляющая | |
| 4 | 130-1007079 | Седло впускного клапана | |
| 5 | 130-1007080 | Седло выпускного клапана | |
| 6 | 130-1007010-Б | Клапан впускной | |
| 7 | 130-1007015-Б | Клапан выпускной в сборе | |
| 8 | 130-1006015 | Вал распределительный | |
| 9 | 130-1007055 | Толкатель клапана | |
| 10 | 130-1007176-А | Штанга толкателя клапана | |
| 11 | 130-1007032-Б | Втулка впускного клапана направляющая | |
| 12 | 130-1007310 | Механизм вращения выпускного клапана в сборе | |
| 13 | 130-1007023 | Шайба клапанной пружины впускного клапана | |
| 14 | 130-1007020 | Пружина клапана | |
| 15 | 130-1007024-Б | Тарелка клапанной пружины | |
| 16 | 130-1007028 | Сухарь клапана | |
| 17 | 130-1007014-Б | Манжета впускного клапана | |
| 18 | 130-1007127 | Пружина коромысел распорная | |
| 19 | 258027-П | Шплинт | |
| 20 | 130-1007110 | Коромысло клапана со втулкой в сборе | |
| 20 | 130-1007110-А | Коромысло клапана со втулкой в сборе | |
| 21 | 130-1007118 | Втулка коромысла | |
| 22 | 130-1007100 | Ось коромысла с заглушками в сборе | |
| 23 | 305608-П | Шайба оси коромысел | |
| 24 | 405765-П | Шайба оси коромысел пружинная специальная | |
| 25 | 1304007117 | Винт коромысел регулировочный | |
| 26 | 130-1007073 | Гайка регулировочного винта | |
| 27 | 130-1007107 | Стойка оси коромысла клапанов | |
| 28 | 130-1007106 | Стойка оси коромысла клапанов маслоотводная | |
| 29 | 130-1007111 | Втулка стойки центрирующая |
Содержащиеся в справочниках-каталогах запасные части и детали не предлагаются к продаже, а носят исключительно информационный характер