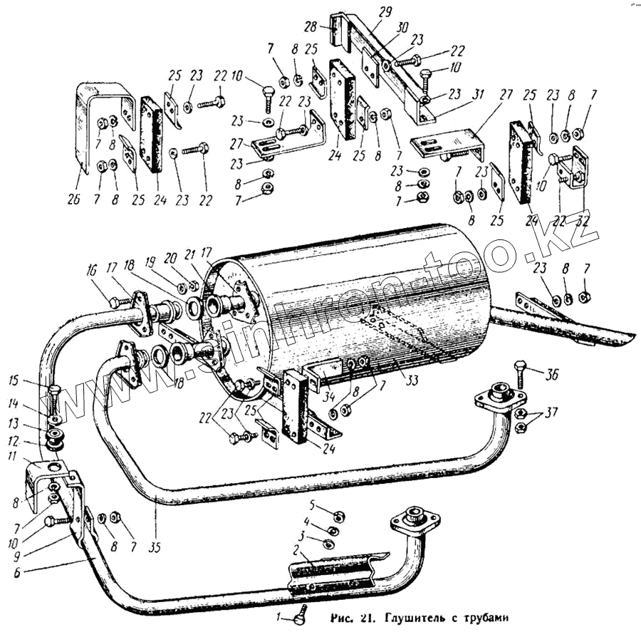
Каталог запасных частей к технике: ЛАЗ 695Н. Глушитель с трубами
1
2
3
4
5
6
7
7
7
7
7
7
7
7
7
7
7
7
8
8
8
8
8
8
8
8
8
8
8
8
9
10
10
10
10
11
12
13
14
15
16
17
17
17
18
18
19
19
20
21
22
22
22
22
22
22
23
23
23
23
23
23
23
23
23
23
23
23
24
24
24
24
25
25
25
25
25
25
25
26
27
27
28
29
30
31
32
33
34
35
36
37
| Позиция на иллюстрации | Заводской номер детали | Название детали | |
|---|---|---|---|
| 695Н-1203032 | 695Н-1203032 | Труба промежуточная | |
| 699Н-1204044 | 699Н-1204044 | Пластина накладочная | |
| 695М-1203290 | 695М-1203290 | Сердечник прокладки | |
| 698-1201118-10 | 698-1201118-10 | Труба | |
| 695Н-1203050 | 695Н-1203050 | Труба глушителя выпускная | |
| 695Н-1203015 | 695Н-1203015 | Труба глушителя приемная | |
| 695Н-1203030 | 695Н-1203030 | Труба глушителя приемная левая | |
| 695Н-1203025 | 695Н-1203025 | Труба глушителя приемная правая | |
| 698-1201037-10 | 698-1201037-10 | Труба перфорированная промежуточная | |
| 695Н-1201084 | 695Н-1201084 | Труба перфорированная центральная | |
| 695Н-1201085 | 695Н-1201085 | Труба перфорированная центральная вторичная | |
| 695Н-1204042 | 695Н-1204042 | Пластина изоляционная | |
| 695Н-1203067 | 695Н-1203067 | Угольник крепления глушителя | |
| 695Н-1203074 | 695Н-1203074 | Угольник крепления глушителя | |
| 695Н-1204030 | 695Н-1204030 | Угольник панели глушителя | |
| 695Н-1204032 | 695Н-1204032 | Угольник панели глушителя задний | |
| 695Н-1204031 | 695Н-1204031 | Угольник панели глушителя левый | |
| 699А-1203017 | 699А-1203017 | Фланец трубы глушителя | |
| 699А-1203017 | 699А-1203017 | Фланец трубы глушителя | |
| 695Е-1203062 | 695Е-1203062 | Экран термоизоляционный | |
| 698-1201020-10 | 698-1201020-10 | Дно глушителя | |
| 695Н-1203037 | 695Н-1203037 | Кронштейн крепления глушителя в сборе | |
| 698-1201022-10 | 698-1201022-10 | Дно глушителя заднее | |
| 695Н-1201027 | 695Н-1201027 | Камера глушителя промежуточная в сборе | |
| 695М-1203291 | 695М-1203291 | Кожух прокладки | |
| 695Н-1203056 | 695Н-1203056 | Колено приемной трубы глушителя | |
| 695Н-1203054 | 695Н-1203054 | Колено приемной трубы глушителя в сборе | |
| 695-1203018 | 695-1203018 | Кольцо фланца упорное | |
| 695-1203018 | 695-1203018 | Кольцо фланца упорное | |
| 698-1201015-10 | 698-1201015-10 | Корпус глушителя | |
| 695Н-1203093 | 695Н-1203093 | Кронштейн выпускной трубы глушителя нижний | |
| 695Н-1201050 | 695Н-1201050 | Перегородка корпуса глушителя | |
| 695Е-1203064 | 695Е-1203064 | Накладка усилительная | |
| 695Н-1204025 | 695Н-1204025 | Панель глушителя вертикальная | |
| 695Н-1204035 | 695Н-1204035 | Панель глушителя задняя | |
| 695Н-1204034 | 695Н-1204034 | Панель глушителя передняя | |
| 695Н-1204033 | 695Н-1204033 | Панель глушителя передняя в сборе | |
| 695Н-1000828 | 695Н-1000828 | Панель мотоотсекавертикальная передняя | |
| 695Н-1000829 | 695Н-1000829 | Панельмотоотсекавертикальная задняя | |
| 699Н-1201140 | 699Н-1201140 | Патрубок | |
| 695В-1203026 | 695В-1203026 | Патрубок промежуточный | |
| 695Н-1201052 | 695Н-1201052 | Перегородка глушителя средняя | |
| 1 | 695Б-3506090 | Винт | |
| 2 | 695Е-1203060 | Экран термоизоляционный в сборе | |
| 3 | 252004-П8 | Шайба 6 пружинная | |
| 4 | 252134-П8 | Шайба 6 пружинная | |
| 5 | 250508-П8 | Гайка М6-6Н | |
| 6 | 695Н-1203028 | Труба глушителя приемная левая в сборе | |
| 7 | 250510-П8 | Гайка М8-6Н | |
| 7 | 250510-П8 | Гайка М8-6Н | |
| 7 | 250510-П8 | Гайка М8-6Н | |
| 8 | 252135-П8 | Шайба 8 пружинная | |
| 8 | 252135-П8 | Шайба 8 пружинная | |
| 8 | 252135-П8 | Шайба 8 пружинная | |
| 9 | 695Н-1203094 | Кронштейн крепления выпускной трубы нижний | |
| 10 | 201458-П8 | Болт М8-6gх25 | |
| 10 | 201458-П8 | Болт М8-6gх25 | |
| 11 | 695Н-1203092 | Кронштейн выпускной трубы глушителя верхний | |
| 12 | 695Е-1203068 | Подушка | |
| 13 | 695Е-1203070 | Втулка | |
| 14 | 695Е-1203072 | Шайба | |
| 15 | 201466-П8 | Болт М8-6gх45 | |
| 16 | 201505-П8 | Болт М10х45 | |
| 17 | 695Н-1203019 | Фланец приемной трубы глушителя | |
| 17 | 695Н-1203019 | Фланец приемной трубы глушителя | |
| 17 | 699А-1203017 | Фланец трубы глушителя | |
| 18 | 695М-1203288 | Прокладка в сборе | |
| 18 | 695М-1203283 | Прокладка в сборе | |
| 19 | 252130-П8 | Шайба пружинная | |
| 19 | 252136-П8 | Шайба 10 пружинная | |
| 20 | 250536-П | Гайка | |
| 21 | 698-1201026 | Труба глушителя проходная | |
| 22 | 201462-П8 | Болт М8х35 | |
| 23 | 252005-П8 | Шайба 8 | |
| 23 | 252005-П8 | Шайба 8 | |
| 24 | 695Н-1203278 | Ремень подвески глушителя | |
| 25 | 695Н-1203280 | Пластина | |
| 26 | 695Н-1203073 | Кронштейн крепления глушителя | |
| 27 | 695Н-1203066 | Кронштейн крепления глушителя | |
| 28 | 695Н-1204028 | Угольник панели глушителя передний | |
| 29 | 695Н-1203039 | Угольник крепления глушителя | |
| 30 | 695Н-1203034 | Пластина усилительная | |
| 31 | 695Н-1203038 | Кронштейн крепления глушителя | |
| 32 | 695Н-1303212 | Кронштейн | |
| 33 | 695Н-1201010 | Глушитель в сборе | |
| 34 | 695Н-1203071 | Кронштейн крепления глушителя верхний | |
| 35 | 695Н-1203024 | Труба глушителя приемная правая в сборе | |
| 36 | 200369-П8 | Болт М12х1,75х50 | |
| 37 | 250538-П | Гайка |
Содержащиеся в справочниках-каталогах запасные части и детали не предлагаются к продаже, а носят исключительно информационный характер