Каталог запасных частей к технике: ЛАЗ 695Н. Двигатель и его подвеска
1
1
2
3
4
4
5
5
6
6
7
7
8
8
8
9
9
10
11
12
13
13
14
14
15
15
16
17
18
19
20
21
22
23
24
25
26
27
28
29
29
30
31
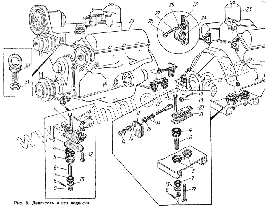
| Позиция на иллюстрации | Заводской номер детали | Название детали | |
|---|---|---|---|
| 695-1001060 | 695-1001060 | Шайба специальная | |
| 305590-П | 305590-П | Шайба | |
| 1 | 695Б-1001057-Б | Болт специальный | |
| 2 | 130-1001015-Б | Кронштейн передней опоры двигателя | |
| 3 | 695Е-1001205 | Колпак верхних подушек передней опоры двигателя защитный | |
| 4 | 695М-1001045 | Подушка задней опоры двигателя верхняя | |
| 5 | 695М-1001033 | Гнездо верхней подушки подвески двигателя | |
| 6 | 695Е-1001047 | Втулка подушек подвески двигателя распорная | |
| 7 | 695М-1001051 | Подушка задней опоры двигателя нижняя | |
| 8 | 258041-П8 | Шплинт 3х30 | |
| 8 | 258041-П8 | Шплинт 3х30 | |
| 9 | 250869-П8 | Гайка М12х1,25 | |
| 10 | 250977-П8 | Гайка М12х1,25 | |
| 11 | 252007-П2 | Шайба 12 | |
| 12 | 205151-П8 | Болт | |
| 13 | 695-1001058 | Шайба специальная | |
| 14 | 250615-П8 | Гайка М12х1,25 | |
| 15 | 695М-1302050 | Подушка подвески радиатора в сборе | |
| 16 | 699А-1001070-А | Кронштейн тяги крепления двигателя в сборе | |
| 17 | 699А-1001065 | Тяга крепления двигателя в сборе | |
| 18 | 258056-П8 | Шплинт 4х40 | |
| 19 | 250907-П8 | Гайка М18х1,5 | |
| 20 | 695-1001054-Б | Накладка подушек задней опоры двигателя | |
| 21 | 695Е-1001093 | Пластина накладки подушек задней опоры двигателя | |
| 22 | 205250-П8 | Болт | |
| 23 | 130-1017010 | Фильтр тонкой очистки масла в сборе | |
| 24 | 130-1001140 | Ушко подъема двигателя | |
| 25 | 698-3724138 | Перемычка массная | |
| 26 | 252137-П2 | Шайба 12 пружинная | |
| 27 | 414103-П8 | Шпилька крепления ушка | |
| 28 | 250515-П8 | Гайка М12х1,25 | |
| 29 | 697М-1000250 | Двигатель в сборе | |
| 29 | 695М-1000250 | Двигатель в сборе (с масляным насосом и фильтром очистки масла, топливным насосом и фильтром тонкой очистки, карбюратором, ограничителем числа оборотов коленчатого вала, водяным насосом, сцеплением, к | |
| 30 | 127-2402174 | Винт подъема двигателя грузовой | |
| 31 | 305561-П | Шайба грузового винта |
Содержащиеся в справочниках-каталогах запасные части и детали не предлагаются к продаже, а носят исключительно информационный характер