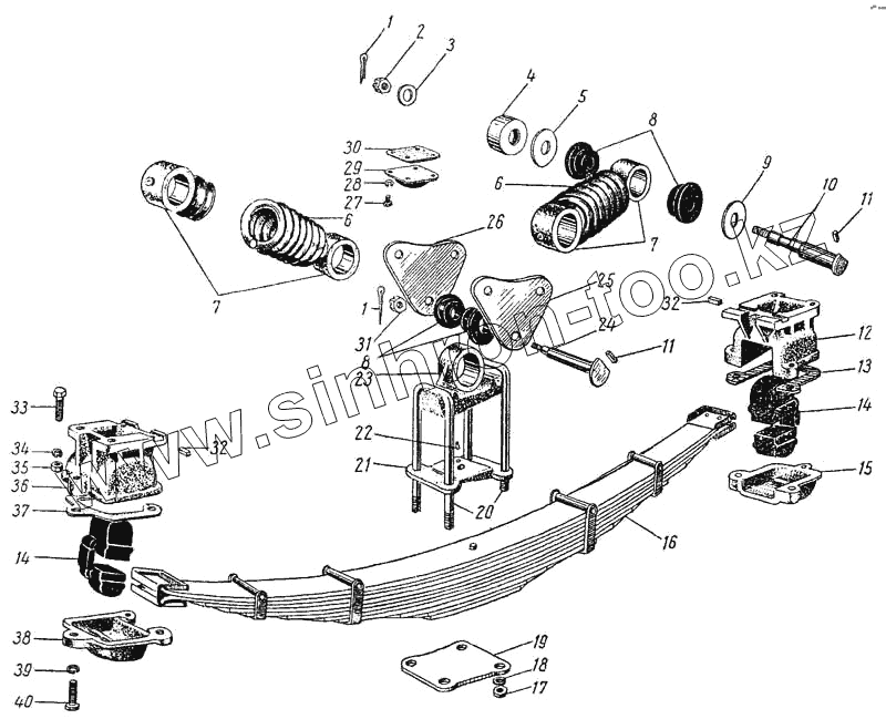
Каталог запасных частей к технике: ЛАЗ 695Б. Задняя подвеска
1
1
2
3
4
5
6
6
7
7
8
8
9
10
11
11
12
13
14
14
15
16
17
18
19
20
21
22
23
24
25
26
27
28
29
30
31
32
32
33
33
34
35
35
36
37
38
39
40
| Позиция на иллюстрации | Заводской номер детали | Название детали | |
|---|---|---|---|
| 695-3000010 | 695-3000010 | Ось передняя в сборе | |
| 1 | 258069-П8 | Шплинт 5х35 | |
| 2 | 250910-П8 | Гайка М24Х2 | |
| 3 | 252021-П8 | Шайба 24 | |
| 4 | 695-2903444 | Чашка кронштейна дополнительной пружины | |
| 5 | 695-2903510 | Шайба оси пружины внутренняя | |
| 6 | 695-2913012 | Пружина дополнительная задняя | |
| 7 | 695-2903016 | Ушко дополнительной пружины | |
| 8 | 695-2903046 | Втулка ушка дополнительной пружины | |
| 9 | 695-2903516 | Шайба оси пружины наружная | |
| 10 | 695-2903024 | Ось дополнительной пружины | |
| 11 | 695-2903466 | Ригель | |
| 12 | 695-2902446-Б | Кронштейн передней рессоры задний | |
| 13 | 695-2912448 | Прокладка крышки заднего кронштейна | |
| 14 | 200-2902430 | Подушка рессоры опорная | |
| 15 | 200-2902450 | Крышка переднего кронштейна передней рессоры | |
| 16 | 695-2912012-Б1 | Рессора задняя в сборе | |
| 17 | 250708-П8 | Гайка М22Х1,5 | |
| 18 | 252142-П2 | Шайба 22 пружинная | |
| 19 | 695-2912418-Б | Подкладка стремянок задней рессоры | |
| 20 | 695-2912408-Б | Стремянка задней рессоры | |
| 21 | 695-2912424-Б | Подушка задней рессоры | |
| 22 | 305407-П | Штифт 16Х22 | |
| 23 | 695-2912412-Б | Накладка стремянки задней рессоры | |
| 24 | 695-2903026 | Палец дополнительной пружины | |
| 25 | 695-2913468 | Серьга наружная | |
| 26 | 695-2913464 | Серьга внутренняя | |
| 27 | 695-2902633 | Болт крепления буфера | |
| 28 | 252135-П2 | Шайба 8 пружинная | |
| 29 | 695-2902624 | Буфер рессоры в сборе | |
| 30 | 695-2902630-В | Прокладка буфера | |
| 31 | 251017-П8 | Гайка М24Х2 | |
| 32 | 695-2902537 | Сухарь | |
| 33 | 202123-П2 | Болт М16Х50 | |
| 33 | 202123-П8 | Болт М16х50 | |
| 34 | 252139-П8 | Шайба 16 пружинная | |
| 35 | 250560-П2 | Гайка М16 | |
| 35 | 250560-П8 | Гайка М16 | |
| 36 | 695-2902444-Б | Кронштейн передней рессоры передний | |
| 37 | 695-2912449 | Прокладка крышки переднего кронштейна | |
| 38 | 200-2902452 | Крышка заднего кронштейна передней рессоры | |
| 39 | 252138-П2 | Шайба 14 пружинная | |
| 40 | 695-2902453 | Болт крышки кронштейна |
Содержащиеся в справочниках-каталогах запасные части и детали не предлагаются к продаже, а носят исключительно информационный характер