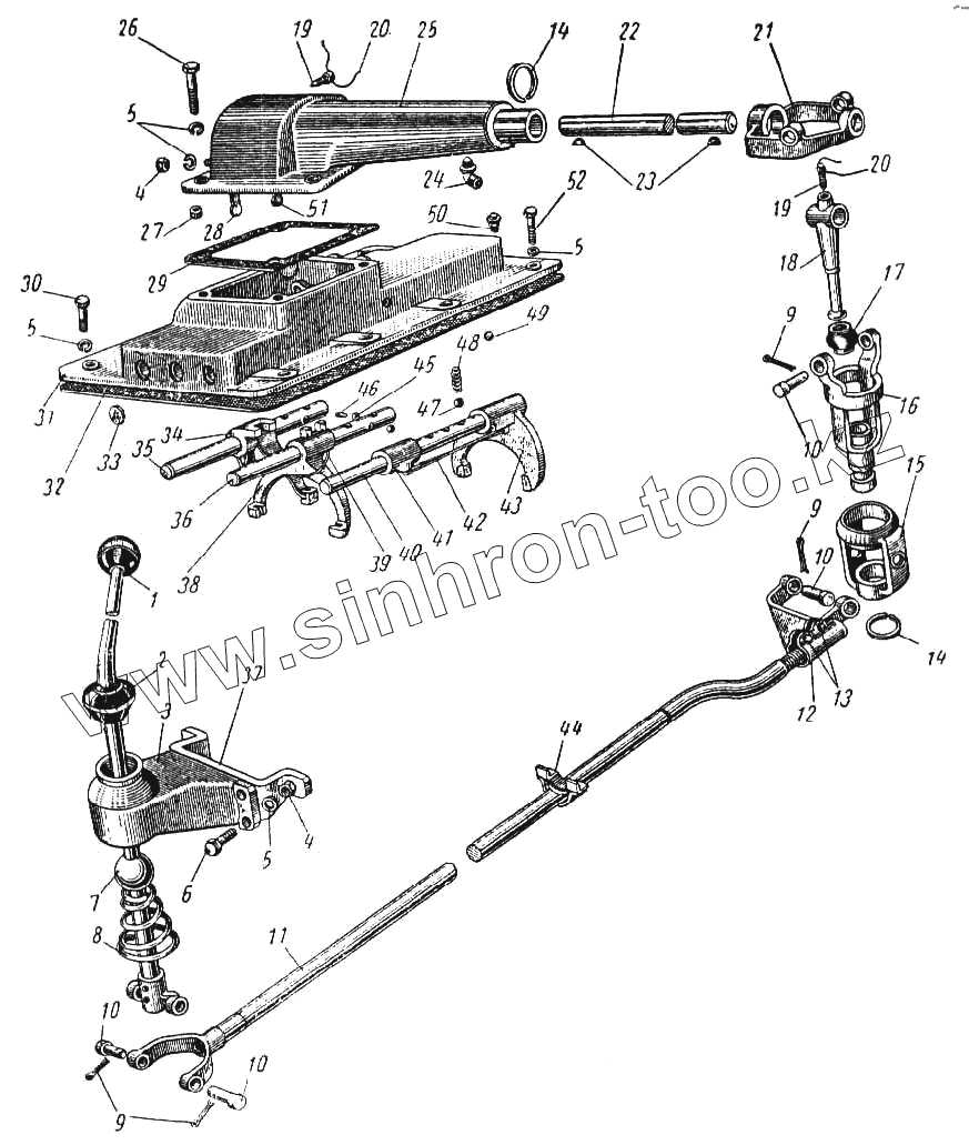
Каталог запасных частей к технике: ЛАЗ 695Б. Механизм переключения и управления переключением передач
1
2
3
4
4
5
5
5
5
6
7
8
9
9
9
10
10
10
10
11
12
13
14
14
15
16
17
18
19
19
20
20
21
22
23
24
25
26
27
28
29
30
31
32
33
34
35
36
37
38
39
40
41
42
43
44
45
46
47
48
49
50
51
52
| Позиция на иллюстрации | Заводской номер детали | Название детали | |
|---|---|---|---|
| 695Б-2201010 | 695Б-2201010 | Вал заднего моста карданный в сборе | |
| 120-1702040 | 120-1702040 | Винт стопорный | |
| 258041-П8 | 258041-П8 | Шплинт 3х30 | |
| 252135-П2 | 252135-П2 | Шайба 8 пружинная | |
| 305612-П8 | 305612-П8 | Шайба 6 | |
| 130-1702056 | 130-1702056 | Сухарь предохранителя включения заднего хода | |
| 130-1702058 | 130-1702058 | Пружина предохранителя | |
| 130-1702169 | 130-1702169 | Ось промежуточного рычага | |
| 695-1703163 | 695-1703163 | Обойма заднего подшипника верхняя | |
| 255886-П | 255886-П | Заклепка 4Х10 | |
| 255886-П | 255886-П | Заклепка 4Х10 | |
| 250510-П8 | 250510-П8 | Гайка М8-6Н | |
| 695-1703168-А | 695-1703168-А | Вкладыш заднего подшипника нижний | |
| 695-1703164-А | 695-1703164-А | Вкладыш заднего подшипника верхний | |
| 695-1703166 | 695-1703166 | Обойма заднего подшипника нижняя | |
| 1 | 120-1702159 | Рукоятка рычага переключения передач в сборе | |
| 2 | 120-1702155 | Чехол рычага переключения передач | |
| 3 | 695-1703096 | Кронштейн рычага переключения передач | |
| 4 | 250512-П8 | Гайка М10-6Н | |
| 4 | 250512-П8 | Гайка М10-6Н | |
| 5 | 252136-П2 | Шайба 10 пружинная | |
| 5 | 252136-П2 | Шайба 10 пружинная | |
| 5 | 252136-П2 | Шайба 10 пружинная | |
| 6 | 201498-П8 | Болт М10х28 | |
| 7 | 124-1703080 | Рычаг переключения передач с крестовиной в сборе | |
| 8 | 120-1702130 | Пружина рычага переключения передач | |
| 9 | 258054-П | Шплинт 4х30 | |
| 10 | 260084-П8 | Палец 12х28 | |
| 10 | 260084-П8 | Палец 12х28 | |
| 11 | 695Б-1703140 | Тяга управления переключением передач в сборе | |
| 12 | 124-1703145 | Вилка тяги управления регулировочная | |
| 13 | 209033-П8 | Болт М8х30 | |
| 14 | 124-1703134 | Шайба замочная | |
| 15 | 124-1703129 | Обойма колонки кардана переключения передач | |
| 16 | 124-1703125 | Колонка кардана переключения передач | |
| 17 | 124-1703121 | Манжета рычага кардана переключения передач | |
| 18 | 124-1703119 | Рычаг кардана переключения передач | |
| 19 | 120-1702040 | Винт стопорный | |
| 20 | 258255-П | Шплинт-проволока 1,2х225 | |
| 21 | 124-1703132 | Обойма кардана переключения передач | |
| 22 | 695-1703117 | Валик | |
| 23 | 304900-П | Шпонка сегментная | |
| 24 | 304817-П | Масленка К1/8" | |
| 25 | 695Б-1703102 | Крышка механизма управления переключением передач | |
| 26 | 201501-П8 | Болт М10х28 | |
| 27 | 130-1702225 | Втулка картера рычага переключения передач установочная | |
| 28 | 130-1702162 | Рычаг переключения первой передачи и заднего хода промежуточный в сборе | |
| 29 | 130-1702223 | Прокладка картера рычага переключения передач установочная | |
| 30 | 201498-П8 | Болт М10х28 | |
| 31 | 130-1702015 | Крышка коробки передач | |
| 32 | 130-1702014 | Прокладка крышки коробки передач | |
| 33 | 260310-П | Заглушка 26 | |
| 34 | 130-1702027 | Вилка переключения второй и третьей передач | |
| 35 | 130-1702064 | Стержень переключения второй и третьей передач | |
| 36 | 130-1702074 | Стержень переключения четвертой и пятой передач | |
| 37 | 695-1703097 | Кронштейн механизма переключения передач | |
| 38 | 130-1702033 | Вилка переключения четвертой и пятой передач | |
| 39 | 258252-П | Шплинт-проволока 1,2х150 | |
| 40 | 130-1702060 | Стержень переключения первой передачи и заднего хода | |
| 41 | 130-1702053 | Головка стержня переключения первой передачи и заднего хода | |
| 42 | 258260-П | Шплинт-проволока 1,2х350 | |
| 43 | 130-1702024 | Вилка переключения первой передачи и заднего хода | |
| 44 | 695-1703167 | Подшипник задний в сборе | |
| 45 | 306205-П | Шарик 10 | |
| 46 | 305453-П | Штифт 4,5х16,5 | |
| 47 | 306203-П | Шарик фиксатора стержней переключения | |
| 48 | 120-1702106 | Пружина фиксатора стержней переключения | |
| 49 | 260303-П | Заглушка 12 | |
| 50 | 307900-П | Сапун в сборе | |
| 51 | 130-1702165 | Рычаг переключения первой передачи и заднего хода промежуточный | |
| 52 | 130-1702171 | Болт крышки коробки передач установочный |
Содержащиеся в справочниках-каталогах запасные части и детали не предлагаются к продаже, а носят исключительно информационный характер